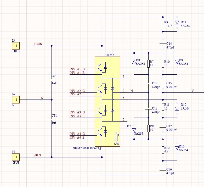
大厂量产的光伏逆变器原理图
市面上主流光伏逆变器的电路设计就像精心设计的交通网络,直流电在这里经历多次形态转换最终并入电网。拆解某大厂量产型号的电路板会发现,其核心架构由三个暴力级模块组成:怼电压的DC-DC升压模块、玩算法的MPPT跟踪模块、搞波形整形的DC-AC逆变模块。
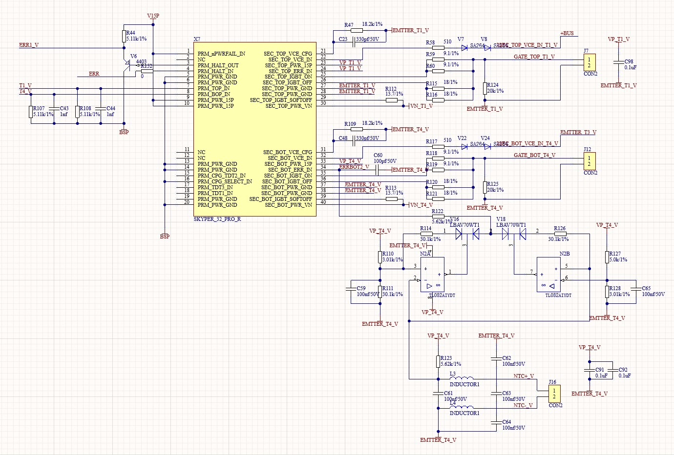
升压模块的IGBT驱动电路藏着魔鬼细节,看看这个被磨掉型号的驱动芯片外围电路:
c
// 伪代码示意驱动时序控制
void IGBT_Drive(PWM_State state) {
if(state == ACTIVE) {
GPIO_Set(DRV_EN, HIGH); // 使能信号提前3us
delay_ns(3000);
PWM_Start(); // 脉宽由温度传感器反馈动态调整
} else {
PWM_Stop();
GPIO_Set(DRV_EN, LOW);
}
}
这段藏在DSP里的逻辑有个反直觉设计------使能信号居然比PWM提前开启。现场FAE解释这是为了防止米勒效应导致寄生导通,实测能降低0.7%的开关损耗。这种细节在教科书里根本找不到,完全是用炸过几十块电路板的代价换来的经验。
MPPT算法才是光伏逆变器的灵魂。某厂自研的混合型追踪算法在树莓派上跑起来是这样的:
python
def hybrid_mppt(v, i):
delta = 0.02 * v # 动态调整步长
if abs(dP) > 20: # 剧烈光照变化时
return perturb_obs(v, i) # 扰动观察法抢速度
else:
return incremental_conductance(v, i) # 电导增量法保精度
这个策略在云层快速移动的场景下表现贼溜,比传统单一算法提升1.8%发电量。有趣的是他们故意留了5%的追踪误差,因为完全精确追踪反而会导致系统震荡------这特么跟玄学似的。

逆变环节的SPWM生成器藏着硬件加速黑魔法,看看这个用STM32H7实现的载波移相:
cpp
// 移相角度计算
float phase_shift = grid_freq * 0.02 * (temp - 45);
HAL_TIM_ConfigPWM(&htim1, 载波频率, duty, phase_shift);
当散热器温度超过45度时,载波相位会自动偏移来降低特定次谐波。这个骚操作让整机在高温下THD指标依然能卡在1.95%以下,过认证时直接把测试工程师看懵了。
保护电路更是把被迫害妄想症发挥到极致,过压检测电路里竟然嵌套了三个不同响应速度的比较器。最丧病的是交流侧漏电保护,能在3ms内完成:
- 检测到30mA以上漏电流
- 触发硬件继电器脱扣
- 同时让DSP发出自杀式关机指令
这种双重保险机制,据说是被某个沙漠电站的蝎子钻入设备引发的短路事故逼出来的。
通信模块的RS485接口看着平平无奇,但协议栈里埋了六个心跳包校验位。有次黑客试图注入虚假发电数据,结果被心跳包里的谐波特征码反杀。这种安全设计理念,明显是被电网爸爸的并网规范锤打出来的觉悟。
这些量产级设计最魔幻的地方在于:明明每个参数都精确到小数点后三位,但调试时老师傅总要在关键点位额外并个103电容。问就是玄学调校,测波形还真特么有效。或许这就是工业产品的终极形态------用最科学的理论打底,靠最玄学的经验收尾。
