目录
[1. 概述](#1. 概述)
[2. TFTLCD](#2. TFTLCD)
[2.1 介绍](#2.1 介绍)
[2.2 读写时序](#2.2 读写时序)
[2.3 TFTLCD模板](#2.3 TFTLCD模板)
[2.3.1 分类](#2.3.1 分类)
[2.3.2 R61509V](#2.3.2 R61509V)
[2.3.3 显示步骤](#2.3.3 显示步骤)
1. 概述
LCD1602、LCD12864 液晶显示器只能显示字符、汉字和简单单色图片,不能显示彩色图片
现在,介绍一种彩色液晶显示装置------TFTLCD薄膜晶体管液晶显示器
其不仅可以显示更多的字符、、汉字、数字信息,还可以显示16位色真彩图片
在一些高端设备中应用广泛,通常采用 8080 总线时序通信
2. TFTLCD
2.1 介绍
TFT-LCD 是薄膜晶体管液晶显示器英文的缩写
TFT 液晶为每个像素都设有一个薄膜晶体管(TFT) ,每个像素都可以通过点脉冲直接控制
因而每个节点相对独立,并可以连续控制,不仅提高了显示屏的反应速度,同时也可以精确控制显示色阶,所以 TFT 液晶的色彩更真,故又被称作 真彩液晶显示器
常用 TFT 液晶屏接口有很多种,8位、9位、16位、18位都有(位数表示彩屏数据线的数量)
常用通信模式主要有 6800模式、8080模式,TFT彩屏常用 8080并口(简称 80 并口)模式
2.2 读写时序
8080 模式的读写时序与 LCD1602、LCD12864 差不多
8080 接口有 5 条基本的控制线和多条数据线,数据线的数量主要看液晶屏使用的是几位模式,有8根、9根、16根、18根四种类型
功能如下:

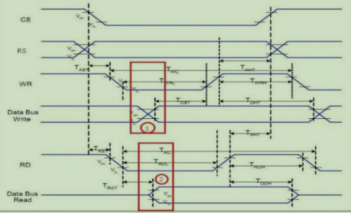
8080 接口模式的时序:
该时序图是 TFTLCD 并行接口读写的 "规则手册",核心是CS/RS 先有效、WR/RD 电平配合、数据稳定时长达标;

写操作(WR)核心时序(红框①):
写操作是驱动 TFTLCD 最常用的操作(写命令、写显示数据),关键时序要求:
- 前置条件:CS 先拉低、RS 设置好(命令 / 数据),且需满足
T_AS(RS/CS 有效到 WR 有效的建立时间); - 核心阶段:WR 拉低(
V_L)后,数据总线需提前输出有效数据(满足T_DSW,数据建立时间),且 WR 低电平需保持T_WC(写脉冲宽度),确保 LCD 稳定采样数据; - 后置要求:WR 拉高后,需保持
T_WH(WR 高电平保持时间),再释放 CS,避免数据错乱。
读操作(RD)核心时序(红框②)
读操作用于读取 LCD 状态或显存数据,关键时序要求:
- 前置条件:CS 拉低、RS 设置好,满足
T_RAS(RS/CS 有效到 RD 有效的建立时间); - 核心阶段:RD 拉低后,LCD 控制器需在
T_DQ时间内将数据放到数据总线(数据输出延迟),且 RD 低电平需保持T_RC(读脉冲宽度),确保 MCU 能读取到稳定数据; - 后置要求:RD 拉高后,需保持
T_RH(RD 高电平保持时间),再释放 CS。
图中所有标注的时序参数(T_AS、T_WC、T_RC等)都有**最小阈值要求,**若硬件电路 / 驱动代码的延时不满足最小时序,会导致 LCD 读写失败、显示乱码、花屏等问题;
基于 FSMC 硬件驱动时,MCU 会自动匹配时序(配置 FSMC 时序寄存器);若手动模拟 IO 口读写,需在代码中添加延时满足这些时序要求。
2.3 TFTLCD模板
2.3.1 分类
TFTLCD 模块有很多种,按照屏幕大小可分为 2.0、2.2、2.4、2.8、3.0、3.2、3.5、3.6、4.3、4.5、7 寸等
不同尺寸的彩屏对应的分辨率可能不同,3.5寸的彩屏分辨率为 320*480(长*高),4.5寸 的为 480*854
按照 TFT彩屏驱动芯片的不同可分为海信 HX83xx、ILI93xx、R615xx、LG45xx、NT355 等等
彩屏驱动芯片是哪一种,需要看彩屏版表面左上角或背面型号
TFTLCD 模块有带触摸和不带触摸两种,看具体产品型号所定,如果带触摸可以用来做输入控制
2.3.2 R61509V
现在以 2.6 寸的 TFTLCD 模块为例来介绍
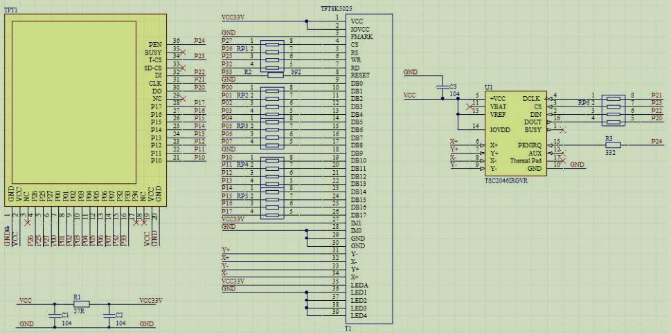
模块驱动芯片型号是R61509V,分辨率为 240*320,接口为 16 位的 80 并口,自带触摸功能

该原理图是TFTLCD 显示 + TSC2046 触摸控制的一体化硬件设计方案,适配嵌入式 MCU(如 STM32)的并行显示接口 + SPI 触摸接口,是嵌入式开发中典型的 "显示 + 触摸" 硬件架构

TFTLCD 模块采用垂直两排插针,横向是一个 20 Pin 的插针,纵向是一个 16 Pin 的插针,间距 2.54 公排针与开发板上 TFT/LCD 12864 接口连接
从图中可以看出,此 TFTLCD 模块采用16位的并行方式与外部连接,是因为彩屏的数量较大,16位比 8位 传输速度快
该模块的 80 并口有如下一些信号线:

2.3.3 显示步骤
① 设置 51单片机 与 TFTLCD 模块相连的 IO
定义 TFTLCD 模块与 51单片机相连的 IO
| 51 单片机引脚 | TFTLCD 引脚 | 功能说明 |
|---|---|---|
| P0.0~P0.7 | DB0~DB7 | 8 位数据总线(双向) |
| P2.0 | CS | LCD 片选(低电平有效) |
| P2.1 | RS | 命令 / 数据选择(0 = 命令,1 = 数据) |
| P2.2 | WR | 写使能(低电平有效) |
| P2.3 | RD | 读使能(51 仅写操作,可接地) |
| P2.4 | RST | 复位(低电平复位) |
| VCC | VCC | 3.3V 供电(51 的 5V 需降压) |
| GND | GND | 共地 |
② 初始化 TFTLCD 模快
首先就是复位 LCD,然后初始化序列,即向 LCD 控制器写入一系列的设置值,这部分代码一般由 LCD 厂商提供
③ 将要显示的内容写到 TFTLCD 模块内
需要按照"设置坐标------写 GRAM指令------写GRAM来实现",这个步骤,只是一个点的处理,需要多次使用这个步骤,达到显示字符或数字的目的