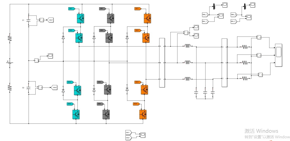
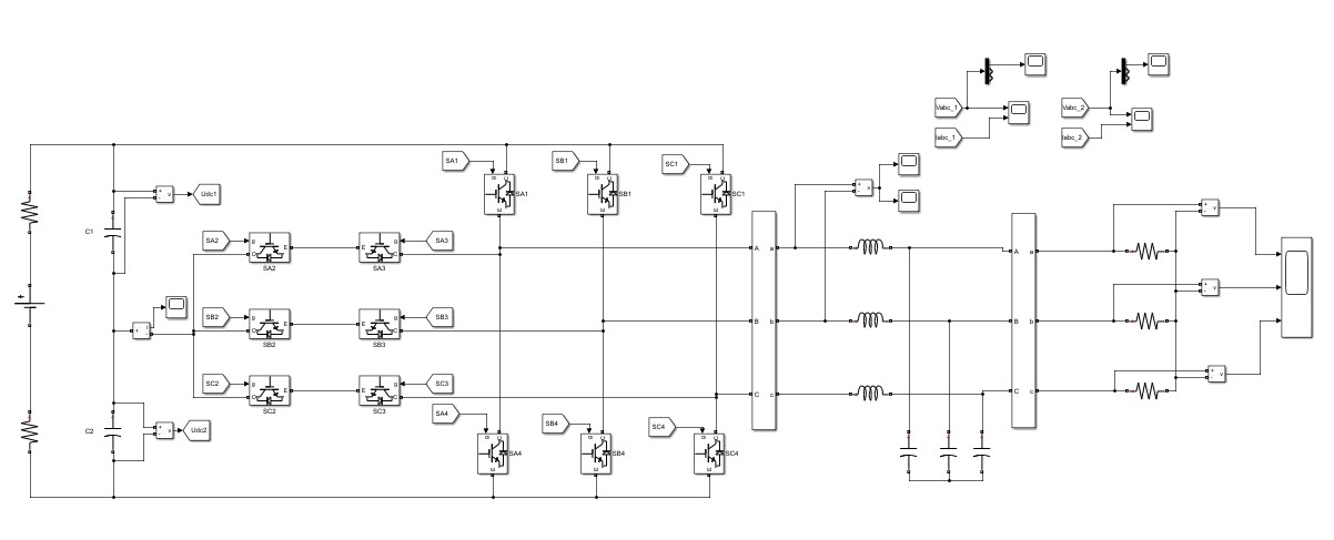
T型和NPC型三电平SVPWM,两种拓扑结构随意切换,经过大小扇区判断,时间判断,时间分配等生成12路脉冲,经过滤波以后,有较好的电压电流波形,可搭配电机控制等模块。

咱们今天来聊聊三电平SVPWM里T型和NPC型这俩活宝怎么在代码里"无缝切换"。这两种拓扑就像火锅的鸳鸯锅------虽然共用同一个锅底(算法框架),但红汤清汤各有各的骚操作。

先看扇区判断这个基本功。咱们的坐标系被分成12个扇区,就像切披萨似的,不过这里用矢量位置计算更实在:
python
def get_sector(v_alpha, v_beta):
angle = np.arctan2(v_beta, v_alpha) * 180 / np.pi
if angle < 0:
angle += 360
return int(angle // 30) # 每30度一个扇区
这个函数返回的扇区编号就是后续操作的入场券。但要注意,实际项目中用查表法比实时计算更快,特别是DSP里查表就跟开外挂似的。

时间分配是重头戏,这里藏着拓扑切换的机关。T型需要处理中点电位,NPC要考虑二极管钳位,体现在代码里就是两套不同的矢量作用时间计算公式:
c
// T型拓扑时间计算
void calc_time_T(float* v_ref, int sector, float* t1, float* t2) {
// 这里藏着玄机:中点电压平衡补偿算法
*t1 = v_ref[0] * k_T + offset_compensation;
*t2 = v_ref[1] * k_T - offset_compensation;
}
// NPC型时间计算
void calc_time_NPC(float* v_ref, int sector, float* t1, float* t2) {
// 钳位矢量作用时间需要特殊处理
*t1 = v_ref[0] * k_NPC * diode_factor;
*t2 = v_ref[1] * k_NPC * clamp_factor;
}
看到那个diode_factor了吗?这就是NPC特有的二极管导通损耗补偿系数,调这个参数的时候没少烧过管子吧?(别问我怎么知道的)

生成12路PWM脉冲就像编排舞蹈动作,得考虑死区时间和拓扑结构特性。下面这段伪代码展示了两种模式的切换精髓:
verilog
always @(posedge clk) begin
case(topology_mode)
T_MODE: begin
pwm[0] = (t_count < t1) ? 1'b1 : 1'b0;
pwm[3] = (t_count > t_total - t2) ? 1'b1 : 1'b0;
// 中点电位平衡的骚操作藏在第6路PWM
pwm[5] = balance_flag ? ~pwm[2] : pwm[4];
end
NPC_MODE: begin
pwm[1] = (t_count < t1*0.8) ? 1'b1 : 1'b0;
pwm[7] = (t_count > t_total - t2*1.2) ? 1'bz : 1'b0;
// 钳位二极管的特殊处理
pwm[11] = diode_clamp ? 1'b0 : pwm[3];
end
endcase
end
注意那个1'bz高阻态了吗?这就是NPC结构特有的三态输出控制,像不像电路里的"隐身术"?

滤波后的波形那叫一个丝滑,但调参过程堪比玄学。某次测试时发现电流谐波总是超标,最后发现是T型模式下的死区补偿系数设成了NPC的值------两种拓扑参数独立存储这个坑,掉进去的肯定不止我一个。

搭配电机控制模块时,最爽的就是看电机从颤抖到平稳的过程。记得把速度环的输出作为SVPWM的幅值输入,这时候的矢量旋转就像给电机装了GPS导航,比开环控制稳多了。不过要当心切换拓扑时的动态响应,别让电机觉得你在玩变速戏法就行。
