文章目录
- 前言
- 一、电路分析基础
-
- [1.1 原理图](#1.1 原理图)
- [1.2 电阻](#1.2 电阻)
- [1.3 电容](#1.3 电容)
- [1.4 电感](#1.4 电感)
- [1.5 二极管](#1.5 二极管)
- [1.6 三极管](#1.6 三极管)
- [1.7 场效应管](#1.7 场效应管)
- 二、元件数据手册
- 三、网络标签
- 四、读懂原理图
- 五、怎么画原理图
- 总结
前言
PCB 是 Printed Circuit Board 的缩写,中文叫印制电路板。
简单来说,它就是一个用来支撑电子元器件,并把它们连接起来的载体。使用PCB可以极大地节省空间,提高可靠性和稳定性,适合大规模批量生产,易于维修。
如果我们要制作并使用一个PCB,需要经过三个阶段,
- 设计,需要使用专门的EDA软件在电脑上画图;
- 制造 ,设计完成后,会导出一份叫Gerber的文件(类似打印机的PDF),需要把文件发给PCB制造厂
- 组装,拿到空板子,需要把元器件装上去,即用电烙铁和锡线,把元器件一个一个焊上去。
那么我们实际要干的事情就是按照需求用EDA软件画出电路板,拿到板子后进行焊接,制板这一步由PCB制造厂完成。
下面我们开始EDA软件的学习,使用国产的嘉立创EDA入门学习,它简洁易用,好上手,开源资料多,每月有两次免费打板的机会。
跟着B站UP "Expert电子实验室" 开始入门,先照着画,学会整个流程,后续完成单片机项目自己独立画板。笔记内容也来自"Expert电子实验室"。
一、电路分析基础
1.1 原理图

原理图(Schematic)是电路的逻辑图纸,它使用标准化的电子符号(如电阻的长方形、电容的两条平行线)来代表元器件,并用线条表示它们之间的电气连接。
原理图就像是地铁线路图。它并不反映地铁线在地下真实的弯曲程度或站点的精确地理坐标,但它能清楚地告诉你哪一站接哪一站,在哪里换乘。
1.2 电阻
电阻器(Resistor)是电路中具有阻碍电流流动特性的元件,基本单位:欧姆(Ohm,符号 Ω)。
电阻的作用:
- 限流:防止电流过大烧坏 LED 灯或集成电路。
- 分压: 将电源电压降低,为电路中的不同部分提供合适的电压。
- 发热: 在电热器(如电吹风、电暖气)中利用电阻产生热量。
关键参数:
- 阻值:抵抗电流的能力。
- 误差(精度): 实际阻值与标称阻值的偏差(如1%、5%)。
- 功率:电阻能承受的最大发热量(如1W、10W),功率选小了电阻会烧。
怎么确定电阻的阻值?
根据电阻的外观不同,主要有三种读数方法
方法A:色环识别法(常见于直插电阻)
电阻表面涂有不同颜色的圆环,每种颜色代表一个数字。
四色环: 前两环是有效数字,第三环是倍率(10的几次方),第四环是误差。
五色环(高精度): 前三环是有效数字,第四环是倍率,第五环是误差。

方法 B:数字索标法(常见于贴片电阻/SMD)
贴片电阻太小,印不下色环,通常印 3 或 4 个数字:
- 3位读数:前2位为有效数字,第3位表示10的n次幂(也可以理解为0的个数)。精度为±5%。
- 4位读数:前3位为有效数字,第4位表示10的n次幂。读法和3位的原理一样,精度为±1%。
- 阻值小于10的读数:通常在两个数之间插入一个子母R,用字母R代替小数点。

方法C:万用表测量法
如果不确定颜色或数字,直接使用万用表的"欧姆档"
1.3 电容
电容是一种储存电荷(电能)的容器 。它由两片导电的金属板,中间隔着一层绝缘材料(介质)构成。电路图中通常用 "C" 表示。
电容的单位是 法拉 (Farad, F) 。
但在实际电路中,1法拉太大了,我们通常使用更小的单位:毫法 (mF),微法 (μF) ------ 最常用,纳法 (nF),皮法 (pF) ------ 通常用于高频电路。
电容有一个著名的特性:"隔直通交"(阻隔直流电,通过交流电)。
电容在电路中的核心作用
- 滤波 (Filtering):这是最常见的用途。像电源适配器里,电容把波动的电压变得平滑,就像汽车的避震器,把路面的颠簸(电压波动)吸收掉。
- 耦合与去耦 (Coupling / Decoupling) :耦合 :允许交流信号(如音频)从一级传到下一级,同时挡住直流电压。去耦/旁路:为芯片提供瞬间的电流补充,防止电压突然下降干扰芯片工作。
- 储能 (Energy Storage):例如照相机的闪光灯,平时慢慢充电,拍照瞬间释放巨大的能量。
- 振荡与定时:配合电阻和电感,决定电路的频率(如时钟电路、收音机选台)。
如何读取电容数值 ?
A.直接标注法
电解电容通常直接写在壳上,例如 470μF 25V,意思是 容量470微法,最高耐压25伏。
B. 三位数代码法 (类似于电阻色环)
常见于贴片电容或小瓷片电容。
格式:前两位数字 * 10 第三位数字 10^{第三位数字} 10第三位数字(单位默认是 pF)
电容的注意事项:
- 极性:电解电容和钽电容是有正负极的,接反了通常会爆炸或冒烟。长脚是正极 (+),短脚是负极 (-)。或者看外壳上的灰色条纹,条纹对应的那一侧是负极。
- 耐压值:电容两端的电压绝对不能超过它的标称耐压值。 经验法则:选择电容的耐压值应至少是电路工作电压的 1.5倍 到 2倍。
1.4 电感
如果说电阻是消耗能量的 "摩擦力" ,电容是储存势能的"弹簧/水桶" ,那么电感就是具有"惯性"的"飞轮"。
电感是由导线绕成的线圈,通常绕在铁芯或磁芯上。它利用电磁感应原理工作,是能够把电能转化为磁能而存储起来的元件。
电感的单位是 亨利 (Henry, H),常用的电感单位有 毫亨 (mH),微亨 (μH) ------ 最常用,纳亨 (nH) ------ 高频电路常用。
电容的特性是"通直阻交"(通过直流,阻碍交流),这与电容正好相反。
电容在电路中的作用:
- 滤波(Filtering):因为电感讨厌电流波动,所以它可以把有波纹的电流"熨平"。常用于电源电路中,挡住高频噪声,只让干净的直流电通过。
- 储能 (Energy Storage):电感将电能转化为磁场能储存起来。这是DC-DC开关电源(如手机充电器、电脑主板供电)的核心原理------先把电存进磁场,再释放出来,从而改变电压。
- 振荡与调谐 (Oscillation):电感(L)与电容©配合,组成LC振荡电路。这是无线电通讯的基础,用来选择电台频率(选台)。
如何读取电感数值?
A.直标法
功率电感上通常印有3位数字代码,前两位数字 * 10 第三位数字 10^{第三位数字} 10第三位数字(单位通常是 uH)。
B.色环法
与电阻完全一样,但单位是 u H uH uH(微亨)。
除了电感量,还有两个至关重要的参数:
饱和电流 (Isat) :电感是有"容量上限"的。如果电流太大,磁芯磁化饱和了,电感就会失去作用,变成一根纯导线。
直流电阻 (DCR):电感毕竟是铜线绕的,线越长越细,电阻越大。
1.5 二极管
二极管(Diode)可以把它想象成电子电路中的"单向阀门"------它只允许电流往一个方向流动,而阻止电流往反方向流动。
二极管最大的特点就是单向导电性。
正向导通 :当给二极管加上"正向电压"(正极接阳极,负极接阴极)且电压超过一定阈值 (通常硅管为0.7V)时,电流可以畅通无阻地流过。
反向截止 :当给二极管加上"反向电压"(正极接阴极,负极接阳极)时,二极管会像一堵墙一样阻断电流(虽然会有极微小的漏电流,但在理想情况下可视为断路)。
反向击穿 :如果反向电压过高,超过了二极管能承受的极限,二极管会被击穿,电流瞬间猛增。普通的二极管这通常意味着损坏,但稳压二极管正是利用这一特性工作的。

它的电路符号:一个三角形箭头指向一条竖线。箭头方向表示电流允许流动的方向。竖线代表拦截反向电流的挡板(阴极)。

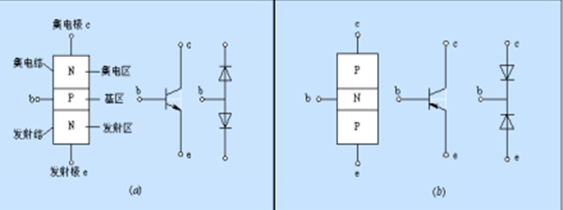
1.6 三极管
"三极管"通常指的是双极型晶体管(Bipolar Junction Transistor, BJT) ,特点是用一个很小的电流,去控制一个很大的电流。
三极管由两块N型半导体夹一块P型半导体(或者反过来)组成,共三个引脚:
- B-基极 (Base):控制端(相当于水龙头旋钮)。
- C - 集电极 (Collector):电流入口(相当于进水口,通常接电源)。
- E - 发射极 (Emitter):电流出口(相当于出水口,通常接地)。
只需要轻轻旋转旋钮(输入微弱电流),就能控制巨大的水流(输出大电流)喷涌而出。
三极管主要分为两种,它们的区别在于电流方向不同:
| NPN型(最常用) | PNP型 | |
|---|---|---|
| 结构 | 两头是N,中间是P | 两头是P,中间是N |
| 电流方向 | 电流从 C 流向 E | 电流从 E 流向 C |
| 控制逻辑 | B极给高电平(通电)导通 | B极给低电平(接地)导通 |
NPN符号上的箭头朝外指,PCP相反

三极管的工作状态决定了它的用途。我们继续用水龙头做比喻:

- 截止区 (Cutoff) ------ 做开关用(关) ,基极(旋钮)完全关死,没有电流输入。集电极到发射极也是断开的,大电流流不过去。发射结反偏,集电结反偏。
- 饱和区 (Saturation) ------ 做开关用(开) ,基极(旋钮)拧到最大。水龙头全开,水流达到最大值,不再受旋钮微调控制。发射结正偏,集电结正偏。
- 放大区 (Active / Linear) ------做放大器用 ,基极(旋钮)处于半开状态,轻轻拧动一点点。出水量随着旋钮的动作线性变化。基极电流变化 1 m A 1mA 1mA,集电极电流可能变化 100 m A 100mA 100mA。发射结正偏,集电结反偏。

三极管实物图

1.7 场效应管
场效应管(FET,Field Effect Transistor),它是利用控制输入回路的电场效应来控制输出回路电流的一种半导体器件。由于它仅靠半导体中的多数载流子导电,又称单极型晶体管。
想象一根软水管(电流通道),场效应管像是你的一只脚踩在软水管上。你只需要把脚放上去(施加电压),利用脚的压力(电场)就能控制水流。在这个过程中,你的脚并没有把水吸走,也没有消耗水流。
场效应管也有三个脚:
- G - 栅极 (Gate):控制端(相当于三极管的基极 B)。这是"脚"踩的地方。
- D - 漏极 (Drain):电流入口(相当于三极管的集电极 C)。
- S - 源极 (Source):电流出口(相当于三极管的发射极 E)。
场效应管家族里,最出名、应用最广的是 MOSFET(金属-氧化物-半导体场效应晶体管)。通常我们说"场效应管"或者"MOS管",指的都是它。
它主要分为两种:
N沟道 MOS管 (NMOS) ------ 最常用,P沟道 MOS管 (PMOS)
| 特性 | 三极管(BJT) | 场效应管(MOSFET) |
|---|---|---|
| 控制方式 | 电流控制电流 (费力) | 电压控制电流 (省力) |
| 输入阻抗 | 低 (消耗前级电流) | 极高 (不消耗前级电流) |
| 导通特性 | 有压降 | 等效电阻 |
| 主要用途 | 音频放大、低成本简单电路 | 数字芯片(CPU)、大功率电源、高速开关 |
| 静电敏感 | 不怕静电 | 非常怕静电 |
二、元件数据手册
在学习过程中我们会看到各种各样的芯片,那我们就需要用到芯片的数据手册(芯片的使用说明书+合同)。
芯片的数据手册的作用:
- 了解功能(能不能用):它告诉你这颗芯片是干什么的,有哪些特性,帮你判断它是否符合你的项目需求。
- 指导硬件设计(怎么连线):它告诉你每个引脚(Pin)的功能是什么,电源怎么接,去耦电容选多大,外围电路怎么搭。
- 指导软件开发(怎么编程):对于MCU或传感器,手册里包含了寄存器地图(Register Map)、通信协议(I2C/SPI时序)、指令集等,这是写驱动代码的唯一依据。
- 明确极限参数(怎么不烧):它规定了电压、电流、温度的极限值。超过这个范围,芯片就会损坏(烧掉)。
- 提供物理尺寸(怎么画板) :提供了芯片的封装尺寸(Footprint),这是画PCB封装库的依据。

数据手册怎么找?
一个是在"立创商城"搜索元器件,然后有对应的数据手册;
另一个是"半导小芯"网站,也提供数据手册。
三、网络标签
网络标签(Net Label):网络标号表示一个电器连接点,具有相同网络标号的器件表明是电器连接在一起的。

常用电源网络标签

上图分别表示正电源,正5V电源,地,保护,模拟地
四、读懂原理图

原理图和代码一样也有注释

拿到原理图,先看右下角,会对产品做出介绍。
然后分模块,对各个模块进行具体分析。以左上角的功能模块为例,怎么理解这个电路是怎么连接的。
我们只需要找到这个模块用了那几块芯片,然后找到对应的数据手册,分析芯片的引脚功能。
五、怎么画原理图

首先分模块、分图页,按模块画电路
复杂的项目,可以分成多个图页,比如一个图页画电源,一个图页画控制电路,一个图页画驱动电路

标注注意事项

放置合理的网络标签,便于理解引脚的作用
画原理图小结:
- 分模块,分图页;
- 标注重要参数;
- 标注元件特殊/重要功能;
- 标注注意事项;
- 合理的网络标签;
- 标注LOGO/版本号
总结
以上内容为电路分析基础知识,主要讲了电子元器件、数据手册和原理图,接下来学习PCB相关知识。