技术栈
simulink导出dll labview调用
我比怪兽还怪
2026-01-11 8:31
1.simulink
1.1创建一个空文件夹不要含有中文路径,在matlab中打开该文件夹。
1.2创建模型,这里我是用的pmsm的反park变换和SVPWM。
1.3编译器选择及代码生成设置。
2.labview
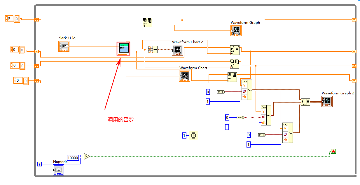
2.1新建VI,选择库文件调用并配置
2.2创建测试VI
labview调用simulink生成的dll
labview
上一篇:
卡尔曼滤波 | UKF 原理、仿真与实现
下一篇:
laravel 并发控制写法-涉及资金
相关推荐
纳米软件
2 天前
电源模块纹波测试自动化方案设计与实践
自动化测试
·
自动化
·
labview
·
电源测试系统
·
atecloud
LabVIEW开发
4 天前
LabVIEW直流电机性能通用测试系统
labview
·
labview知识
·
labview功能
·
labview程序
纳米软件
5 天前
电源测试系统编程软件选择:LabVIEW与ATECLOUD对比
labview
·
电源测试系统
·
atecloud
电气_空空
6 天前
基于 Labview/Matlab 的人脸识别系统设计与实现
单片机
·
嵌入式硬件
·
毕业设计
·
labview
Abcdsa
6 天前
基于LABVIEW串口的现场实时多通道温度采集测量与实现
labview
LabVIEW开发
6 天前
LabVIEW数据库单字段更新实操
数据库
·
labview
·
labview知识
·
labview功能
·
labview程序
纳米软件
22 天前
在使用LabVIEW时,遇到以下问题该如何解决?
自动化测试
·
labview
·
自动化测试平台
LabVIEW开发
24 天前
LabVIEW通过OPC开发汽车踏板疲劳测试控制系统
labview
·
labview知识
·
labview功能
·
labview程序
LabVIEW开发
1 个月前
LabVIEW信号追加快速 VI
labview
·
labview知识
·
labview功能
·
labview程序
LabVIEW开发
1 个月前
LabVIEW列车轴承声学成像应用
数码相机
·
labview
·
labview知识
·
labview功能
·
labview程序
热门推荐
01
GitHub 镜像站点
02
Qwen3.5 开源全解析:从 0.8B 到 397B,代际升级 + 全场景选型指南
03
OpenClaw 使用和管理 MCP 完全指南
04
UV安装并设置国内源
05
AI 编程三剑客:Spec-Kit、OpenSpec、Superpowers 深度对比与实战指南
06
小黑课堂计算机二级WPSoffice题库软件下载安装教程(2026年3月最新版)
07
OpenClaw Control UI安全上下文访问配置
08
Claude Code + GLM4.7 避坑指南:解决 Unable to connect to Anthropic services
09
OpenClaw macOS 完整安装与本地模型配置教程(实战版)
10
让 Trae IDE 智能体 “读懂”文档 Excel+PDF+DOCX :mcp-documents-reader 工具使用指南