一、 网络层概述
1.1 网络层要实现的功能
-
分组转发
-
路由器收到分组后,依据自身转发表 ,从合适接口转发至下一跳/router或目的主机。
-
转发标识:可为目的IP地址(数据报服务)、虚电路标识符VCID(虚电报服务)等。
-
-
路由选择 :决定源主机到目的主机的传输路径,方式分为:
-
人工路由选择:运维人员配置路由表。
-
分布式路由选择:路由器运行路由协议,协作计算路由表。
-
集中式路由选择:网络控制中心统一计算并分发路由信息。
-
-
路由表与转发表的区别
-
路由表:仅包含目的网络到下一跳的映射,需优化拓扑变化计算。
-
转发表:由路由表生成,结构优化查询效率。
-
1.2网络层向上层提供的两种服务
-
面向连接的虚电路服务
-
核心思想:可靠通信由网络自身保证。
-
过程:建立网络层虚电路(VC)→沿虚电路发分组→通信结束释放虚电路。
-
特点:分组首部仅在建立阶段用完整目的地址,后续仅需虚电路编号;分组按序到达。
-
-
无连接的数据报服务
-
核心思想:可靠通信由用户主机保证。
-
过程:无需建立连接,每个分组携带完整目的地址,可走不同路径;通信结束无需释放连接。
-
特点:分组可能误码、丢失、重复、失序;路由器结构简单,网络造价低、灵活性高。
-
-
虚电路服务与数据报服务对比
|------|------------------|-----------------|
| 对比方面 | 虚电路服务 | 数据报服务 |
| 思路 | 可靠通信由网络保证 | 可靠通信由用户主机保证 |
| 连接 | 必须建立网络层连接 | 无需建立网络层连接 |
| 目的地址 | 仅连接建立阶段使用,后续用VC号 | 每个分组需携带完整目的地址 |
| 分组转发 | 同虚电路分组按同一路由转发 | 分组可走不同路由 |
| 节点故障 | 故障节点的虚电路失效 | 故障节点可能丢包,路由可能变化 |
| 分组顺序 | 按发送顺序到达 | 到达顺序不一定与发送顺序一致 |
| 服务质量 | 易实现 | 难实现 |
二、 网际协议
2.1异构网络互连
-
异构网络:指网络的拓扑、性能、协议等存在差异的网络(如接入机制、差错恢复、路由选择、寻址方案、最大分组长度不同)。
-
IP网的概念:异构网络的网络层均使用IP协议时,从网络层视角看形成统一的IP网,主机通信时无需关注底层网络的异构细节。
2.2IPv4地址及其编址方法
-
IPv4地址定义 :给IP网上主机/路由器的每个接口分配的32比特唯一标识,采用点分十进制 表示(每8比特转换为十进制,用
.分隔)。 -
编址方法的三个阶段
-
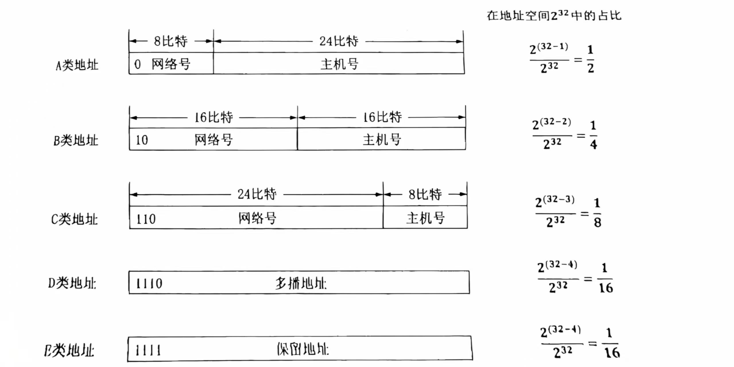
分类编址 :最基本的编址方法,将32比特IPv4地址分为网络号 (标识网络)和主机号 (标识主机/接口),分为A、B、C、D、E五类地址:

特殊地址:主机号全0为网络地址,全1为广播地址;127开头为本地环回测试地址。
-
划分子网编址 :在分类编址基础上,从主机号借用比特作为子网号 ,用子网掩码标识子网号位数(连续1对应网络号+子网号,连续0对应主机号)。
-
无分类编址(CIDR) :消除分类编址和子网划分的概念,采用斜线记法 (如
128.14.35.7/20,20表示网络前缀比特数)。
-
-
分类编址的缺点:分配不灵活(仅按A/B/C类分配),易造成IPv4地址浪费。
2.3 IPv4地址的应用规划
-
子网划分策略
-
定长子网划分(FLSM):采用固定子网掩码,所有子网网络前缀长度相同,只能划分出2的幂次方个子网,灵活性低、地址利用率可能较低。
-
变长子网划分(VLSM):采用可变子网掩码,子网网络前缀长度可不同,可划分出非2的幂次方个子网,灵活性高、地址利用率高。
-
-
子网划分方法
-
基于二叉树划分:定长子网划分方案唯一,变长子网划分有多种方案。
-
堵水法:在二叉树中挑选子块的方法,核心规则为:从根节点灌水;要满足每条分支仅一个"堵水点"(不重复封堵);二叉树末端不"漏水"。
-
-
无分类编址的优势 :灵活性高,可高效利用IPv4地址资源(如点对点链路可用
/30地址块,仅含4个地址,2个用于路由器接口)。
2.4 MAC地址与IPv4地址
-
封装位置:MAC地址是数据链路层使用的地址,IPv4地址是网际层使用的地址,端口属于传输层及上层应用层。
-
地址变化特点:IPv4数据报的源/目的IP地址在传输中保持不变(除经NAT路由器);以太网帧的源/目的MAC地址随网络(链路)逐段变化。
-
双地址存在的必要性:仅用MAC地址寻址会导致路由器路由表需记录所有主机/接口的MAC地址,占用大量通信资源和存储空间,且转发时延大;IP地址按网络划分,可大幅减少路由表条目数量。
2.5 地址解析协议(ARP)
-
核心作用 :通过已知IP地址找到对应的MAC地址。
-
工作原理
-
主机维护ARP高速缓存表,记录IP与MAC地址的对应关系。
-
若未找到目标MAC地址,发送ARP请求报文 (封装在以太网广播帧中,目的MAC为FF-FF-FF-FF-FF-FF)。
-
非目标主机收到请求后,记录发送方IP-MAC映射,不回应;目标主机收到后,记录发送方映射,发送ARP响应报文 (封装在以太网单播帧中,目的MAC为发送方MAC)。
-
-
ARP高速缓存表特性
-
记录类型:动态(通过ARP自动获取,有生命周期)、静态(手工配置,永久有效)。
-
特殊ARP:无偿ARP(Gratuitous ARP)用于检查IP地址冲突。
-
-
局限性
-
无安全验证机制,存在ARP欺骗风险。
-
仅解决同一局域网内的IP-MAC映射,不能跨网络使用。
-