三菱PLC结构化伺服机器人fx5u程序 包括三菱FX5U程序,威纶通触摸屏程序,IO表,材料清单,eplan和PDF电气图 4轴伺服程序,1个机器人,FX5U结构化编程
最近在做一个三菱FX5U伺服机器人控制的项目,感觉还是挺有挑战性的。今天就和大家分享一下这个项目的开发过程,以及一些心得体会。
一、PLC程序开发

FX5U的结构化编程确实让代码更清晰了。我们采用了模块化的开发方式,把整个程序分成几个功能块。
主程序框架大致是这样的:
plc
# 主程序
MainProgram:
FB伺服初始化()
FB伺服位置控制()
FB伺服速度控制()
FB报警处理()
FB通信处理()
这个结构的好处是各功能块独立,维护起来方便。初始化模块主要负责伺服参数的加载和系统自检。位置控制和速度控制模块分别处理不同的运动控制需求。
二、触摸屏界面开发

威纶通的触摸屏界面开发挺直观的。我们设计了一个主界面,分为几个功能区域:
hmi
// 主界面布局
布局:
标题栏: "FX5U伺服控制系统"
状态显示区:
当前位置
运行状态
报警信息
控制按钮区:
启动按钮
停止按钮
急停按钮
参数设置区:
速度设置
加速度设置
位置设置
这个界面设计的思路是让操作人员能够快速了解系统状态,并进行必要的操作。
三、IO表设计
三菱PLC结构化伺服机器人fx5u程序 包括三菱FX5U程序,威纶通触摸屏程序,IO表,材料清单,eplan和PDF电气图 4轴伺服程序,1个机器人,FX5U结构化编程

IO表是整个系统的重要组成部分。我们设计了如下的IO分配表:
| 输入点 | 设备名称 | 信号类型 |
|---|---|---|
| X0 | 急停按钮 | 数字输入 |
| X1 | 原点开关 | 数字输入 |
| Y0 | 伺服使能 | 数字输出 |
| Y1 | 报警指示 | 数字输出 |
这样的IO分配让硬件接线更加清晰,也方便后续的维护。
四、材料清单
项目所需的材料清单如下:
- 三菱FX5U PLC
- 4轴伺服电机
- 威纶通触摸屏
- IO模块
- 伺服驱动器
- 控制柜
- 电气元器件
这个清单涵盖了整个系统的硬件部分,大家可以根据实际需求进行调整。

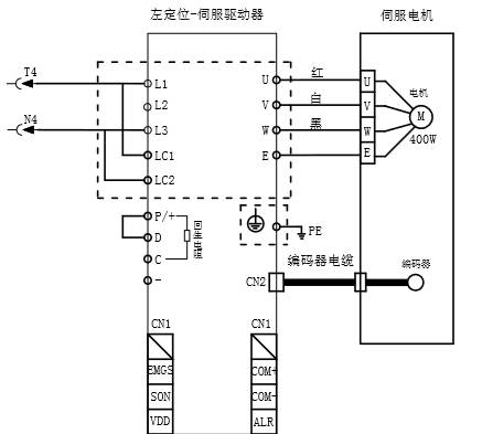
五、电气图纸设计
使用EPLAN绘制的电气图已经完成,PDF版本的图纸也准备好了。电气图的设计主要考虑了以下几个方面:
- 电源分配
- 控制回路设计
- 信号传输
- 安全保护
通过这些图纸,大家可以更直观地了解整个系统的电气布局。
六、总结

总的来说,这个项目还是挺有成就感的。结构化编程让代码更易维护,触摸屏界面让操作更友好,完善的电气图纸让系统更可靠。希望这些分享能对大家有所帮助。如果有任何问题,欢迎随时交流讨论。