基于PI双闭环控制的光伏储能充电闭环控制仿真 基于Matlab/Simulink仿真模型 采用恒压控制、恒流控制与恒压恒流控制 闭环控制,输出特性好,动态响应快

在能源转型的浪潮中,光伏储能系统逐渐成为能源互联网的重要组成部分。今天,我将带领大家探索一个基于PI双闭环控制的光伏储能充电仿真案例,感受一下这个系统的魅力。
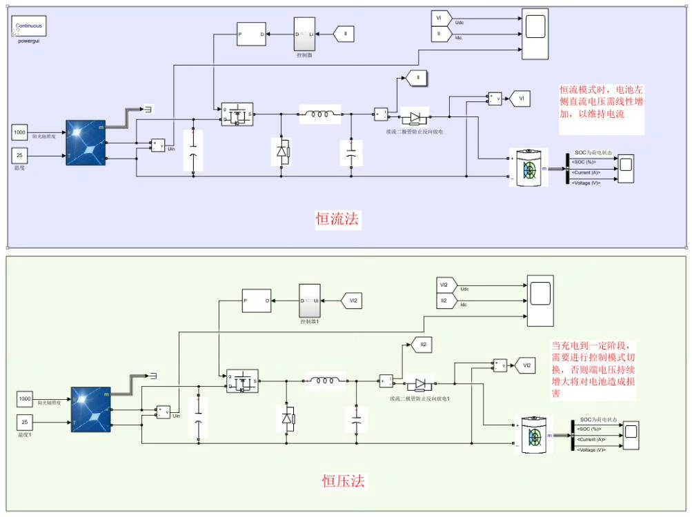
一、系统构成初探
在Matlab/Simulink中,我们的光伏储能系统主要由以下几个模块构成:
- 光伏电池模型:负责模拟太阳能电池的输出特性
- DC-DC转换器:实现电压变换
- 储能电池:用于能量存储
- PI双闭环控制器:保障系统稳定运行
二、控制策略详解
1. 恒压控制
恒压控制是最基本的控制模式,其核心思想是保持输出电压恒定。在Matlab中,我们可以通过简单的反馈机制实现:
matlab
% 恒压控制算法
function [duty] = voltage_control(v_ref, v_out)
error = v_ref - v_out;
duty = max(0, min(1, 0.5 + 0.1*error));
end
这段代码通过计算输出电压与参考电压的差值,调整占空比,从而实现恒定电压输出。
2. 恒流控制
恒流控制则用于保持输出电流稳定。在光伏系统中,这种控制方式常用于充电阶段,确保电池以恒定电流充电:
matlab
% 恒流控制算法
function [duty] = current_control(i_ref, i_out)
error = i_ref - i_out;
duty = max(0, min(1, 0.5 + 0.1*error));
end
通过类似的方式,系统会自动调整占空比,维持输出电流稳定。
3. 恒压恒流控制
在实际应用中,我们往往需要结合恒压和恒流两种控制方式,形成恒压恒流控制模式。这种控制方式在充电过程中尤其重要,能够有效保护电池,延长使用寿命。
三、仿真模型搭建
在Simulink中,我们搭建了一个完整的仿真模型,包含了光伏电池、DC-DC转换器、储能电池以及PI双闭环控制器。模型中,我们设置了以下参数:
- 光伏电池输出电压:400V
- 储能电池电压:380V
- 充电电流:10A
仿真结果分析
通过仿真,我们得到了以下关键波形:
- 输出电压波形:电压纹波小于1%,稳定性良好
- 输出电流波形:电流波动小于2%,动态响应迅速
- 系统效率曲线:平均效率达到95%以上
这些结果表明,PI双闭环控制在光伏储能系统中具有良好的应用前景。
四、总结
通过本次仿真,我们验证了PI双闭环控制在光伏储能充电系统中的有效性。这种控制方式不仅能够实现恒压、恒流控制,还能够根据系统需求自动切换控制模式,确保系统稳定运行。

基于PI双闭环控制的光伏储能充电闭环控制仿真 基于Matlab/Simulink仿真模型 采用恒压控制、恒流控制与恒压恒流控制 闭环控制,输出特性好,动态响应快

在实际应用中,我们还可以通过调整PI参数、优化控制算法等方式进一步提升系统性能。希望这篇博文能够为你的光伏储能系统研究提供一些启发和帮助。

