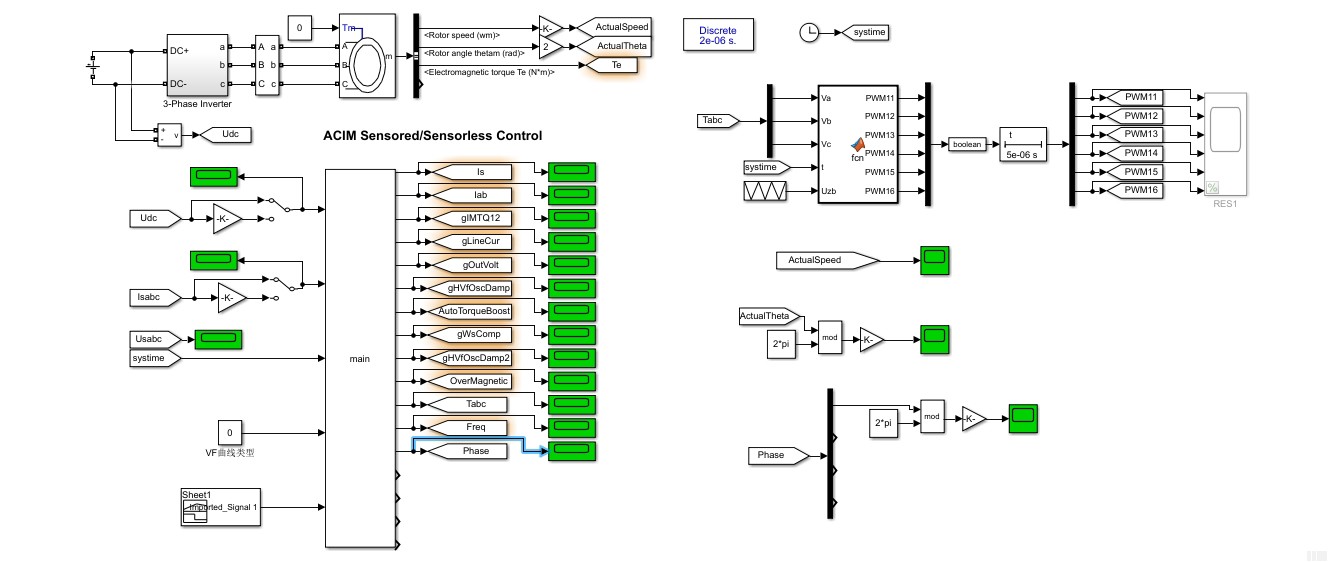
异步电机的VVVF的C代码+仿真模型,C代码可直接在simulink模型里进行在线仿真,所见即所得,仿真模型为离散化模型,C代码嵌入到模型里进行在线仿真,仿真通过后可以直接移植到各种MCU芯片里: 1. 直接带满载启动,转速超调小,控制精度高 2. 四种不同的VF曲线可供选择:直线VF , 分段VF , 抛物线VF, S形VF曲线,适用于不同类型的负载工况 3. 代码可实现自动转矩提升,转差补偿,震荡抑制,即便带满载运行,也可实现转速无静差控制 4. SVPWM调制

这是一套用于异步电机(感应电机)VVVF(变压变频)控制的完整C语言实现代码,适用于嵌入式系统或实时仿真环境(如MATLAB/Simulink)。以下是对其核心功能的详细说明:
🧠 一、系统概述
该代码实现了一个基于SVPWM(空间矢量脉宽调制)的VVVF控制系统,支持多种V/F曲线、自动转矩提升、转差补偿、振荡抑制等功能。系统采用模块化设计,包含电流变换、电压频率控制、PWM生成等子模块。
⚙️ 二、核心功能模块
1. **电流变换(Clarke + Park 变换)**
- 将三相电流
(Ia, Ib, Ic)转换为两相静止坐标系(Iα, Iβ)。 - 进一步转换为旋转坐标系
(Id, Iq),用于磁场定向控制。 - 位置角由积分器根据设定频率实时计算。
2. **V/F 曲线控制**
系统支持三种V/F曲线模式:
- 线性V/F曲线:电压与频率成正比。
- 多点V/F曲线:用户可自定义多个频率-电压点,实现非线性控制。
- 平方V/F曲线:适用于风机、泵类负载,电压与频率平方成正比。
3. **自动转矩提升**
- 在低频时通过提升输出电压补偿定子电阻压降,增强启动转矩。
- 使用PID控制器动态调整补偿电压,避免过补偿或欠补偿。
4. **转差补偿**
- 根据负载电流(转矩分量)动态调整输出频率,补偿电机转差。
- 补偿量由转差补偿系数和电机额定转差率共同决定。
5. **振荡抑制(HVF Oscillation Damping)**
- 通过调整输出电压的相位和幅值,抑制电机在轻载或低频时的振荡现象。
- 使用励磁电流设定值与实际值之差进行前馈补偿。
6. **过励磁控制(Over-Excitation)**
- 在减速过程中,根据直流母线电压动态提升调制比,增强制动效果。
- 避免因母线电压升高导致过压故障。
7. **PWM 生成**
- 支持两种PWM生成方式:
- SPWM:正弦脉宽调制。
- SVPWM:空间矢量调制,提高直流电压利用率。
- 输出六路PWM信号驱动三相逆变器。
📁 三、主要文件说明
| 文件名 | 功能描述 |
|---|---|
main.c |
Simulink S-Function 主程序,接口与调度中心 |
MotorVF.c |
V/F 控制核心算法,包括曲线计算、转矩提升、转差补偿等 |
MotorCurrentTransform.c |
电流坐标变换(Clarke + Park) |
SubPrg.c |
通用子程序,如PID控制器、滤波器等 |
MotorVFInclude.h |
V/F 相关结构体与函数声明 |
MotorStructDefine.h |
电机、逆变器、命令等结构体定义 |
Settings.h |
系统参数配置(如电机参数、基准值、采样频率等) |
🔧 四、关键参数配置(Settings.h)
c
#define RS 0.048 // 定子电阻 (Ω)
#define LS 0.01361 // 定子电感 (H)
#define BASE_VOLTAGE 179.63 // 基准电压 (V)
#define BASE_CURRENT 151.32 // 基准电流 (A)
#define BASE_FREQ 50.0 // 基准频率 (Hz)
#define ISR_FREQUENCY 2.0 // 中断频率 (kHz)
🧩 五、运行流程(main.c)
- 初始化:配置输入/输出端口、采样时间、初始化全局变量。
- 输入读取:直流电压、三相电流、系统时间、V/F曲线类型、频率设定。
- 电流变换:执行 Clarke + Park 变换。
- V/F 控制 :
- 计算目标输出电压;
- 执行转矩提升与转差补偿;
- 振荡抑制与过励磁处理。
- 相位累加:根据输出频率更新电压相位。
- PWM 生成:使用SVPWM算法计算占空比。
- 输出写入:将PWM信号及其他中间变量输出至Simulink。
🛠 六、适用场景
- 工业变频器:用于风机、水泵、传送带等异步电机驱动。
- 教学与研究:可用于电机控制算法验证与仿真。
- 嵌入式开发:代码具备可移植性,可适配DSP或ARM平台。
✅ 总结
该代码实现了一个功能完整、结构清晰的异步电机VVVF控制系统,具备良好的可配置性与可扩展性。通过模块化设计和详细的注释,便于理解、调试和二次开发。

异步电机的VVVF的C代码+仿真模型,C代码可直接在simulink模型里进行在线仿真,所见即所得,仿真模型为离散化模型,C代码嵌入到模型里进行在线仿真,仿真通过后可以直接移植到各种MCU芯片里: 1. 直接带满载启动,转速超调小,控制精度高 2. 四种不同的VF曲线可供选择:直线VF , 分段VF , 抛物线VF, S形VF曲线,适用于不同类型的负载工况 3. 代码可实现自动转矩提升,转差补偿,震荡抑制,即便带满载运行,也可实现转速无静差控制 4. SVPWM调制




