一、分布式能源的管理困境
分布式光伏与储能发展很快,但"小而散"的特点让管理变得困难。电站分布广、设备杂、数据不通,故障处理慢,运维成本高,电网调度要求也越来越高。
如何实现分散设施的统一管理,成为行业共性难题。
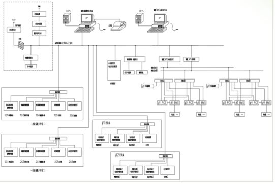
二、2.3MW/4.6MWh用户侧储能项目
该项目建设于110kV中欣变电站侧,一期规模2.3MW/4.6MWh,远景规划10MW/20MWh,属于用户侧储能电站,电能消纳模式为"全部自用"。项目核心功能是通过低谷充电、高峰放电实现削峰填谷,同时参与电网辅助服务。
用户侧储能接入公共电网,必须解决两大核心问题。一是防止电能倒送引发安全隐患,二是实现与调度主站的可靠通信与控制响应。


本次储能建设重点攻克了用户侧并网与调度交互的系列难题。
在安全层面,项目配置了防逆流保护装置,其采样点设在110kV进线侧,确保放电功率可控,杜绝向电网倒送电。同时配置防孤岛保护装置,当电网停电或储能电站发生频率电压异常时,可快速跳开并网点开关。频率电压紧急控制装置具备滑差闭锁功能以及判断短路功能,在频率、电压超出允许范围时及时动作。带方向过流保护则构建了线路侧的多重保护防线。
在调度层面,项目利旧改造了中欣变原有调度数据网,新增网络安全监测装置及运维审计设备。储能电站采用双远动装置以双主模式运行,通过IEC 60870-5-101和IEC 60870-5-104规约将数据上传至调度中心,确保了通信的可靠性。
在控制层面,项目配置了AGC和AVC装置,能够接收调度下发的有功和无功调节指令,有效支撑配网稳定性,满足电网调控要求。

该案例证明了用户侧储能完全可以实现"受控接入"。既满足电网对防逆流的刚性要求,又能通过标准化通信规约纳入调度体系,成为配电网的可调节资源。
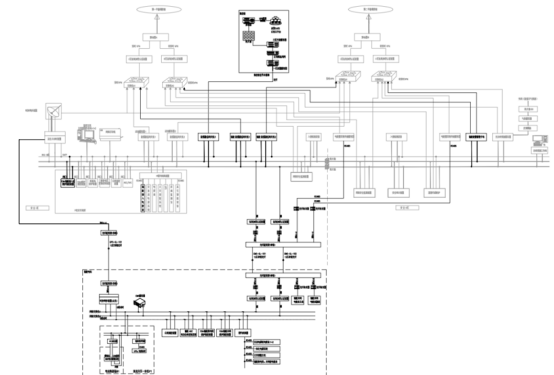
三、3.5MW/7MWh用户侧共享储能项目

共享储能面向多个用能主体,对系统可靠性和数据独立性要求更高。
在通信架构设计上,项目采用了PCS与BMS双网独立通信的方案。储能变流器与电池管理系统各自拥有独立的通信网络,避免相互干扰,显著提升了系统稳定性。即便单网络发生故障,也不会影响另一系统的数据采集与控制功能。
主机部署采用储能EMS与电力监控双机分离方案,能量管理系统负责储能核心控制策略执行,电力监控系统负责并网侧电气参数实时监测,两者功能解耦、互为补充。
保护机制配置防孤岛保护、故障解列保护、电能质量监测装置,覆盖电网侧异常、设备侧故障、电能质量事件等各类风险场景。数据传输实现双通道上传,关键数据同时送至宁波调度中心和云端平台,调度数据走专网,运维数据走公网,兼顾安全性与灵活性。


共享储能的核心在于"共享不干扰"。多个用户共用一套储能系统,但各自的用能数据、收益结算必须清晰独立。双网通信、双主机部署、双通道上传的设计,正是为了在物理层面实现功能隔离与数据冗余。
四、高速公路分布式光伏项目
高速公路沿线分布式光伏是交通与能源耦合的典型场景,要求实现"自发自用、余电上网",光伏电力优先供给沿线设施,多余电量送至公共电网。该场景具有站点分散、接入点多、运维可达性差、需满足电网调控要求等特点。
保护系统配置线路保护装置、防孤岛保护、小电源解列装置,全方位保障并网安全。调控系统部署AGC/AVC系统与功率预测系统,既能接受调度指令,又能预测发电曲线。

通信方式采用4G公网远动上传调度数据,利用公网实现低成本远动通信。

网络安全配置纵向加密装置、态势感知平台,并通过等保测评。


该项目特别配置态势感知平台,实时采集服务器、工作站、网络设备、安全防护设备的安全事件,并转发至调度端网络安全监管平台,实现从被动响应到主动预警的能力升级。

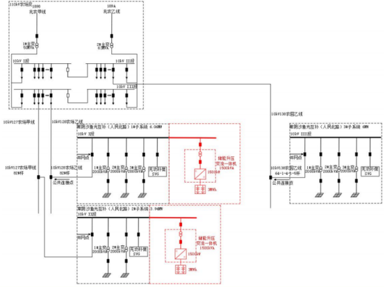
五、27.97MW渔光互补配套储能项目

项目光伏总装机27.97MW,配套储能3MW/6MWh,属于电源侧储能,旨在解决新能源规模化并网带来的调峰压力。
接入方案上,红旗东路11.97MW光伏通过2回10kV线路接入红旗甲、乙线;人民北路16MW光伏通过3回10kV线路接入农场变127、128、138线路。

储能侧新建2回10kV线路接入人民北路光伏子系统母线,随光伏线路送出,最终在110kV农场变10kV线路并网。

继电保护配置严格遵循GB/T 14285-2023标准,储能并网线路两侧配置光纤电流差动保护作为主保护,电流电压保护作为后备保护。光伏并网线路利旧原有方向过流保护及远方跳闸装置。
安全自动装置采用利旧策略,光伏侧原有3套独立防孤岛装置,动作时联切10kV储能并网线路,储能侧无需重复配置。光伏侧已配置3套频率电压紧急控制装置,满足电网小电源接入要求,储能侧同样无需新增,有效控制了投资成本。
调度自动化方案充分利用现有资源,通信通道利旧光伏电站原有双数据网通道,每路含1台路由器、2台接入交换机。储能新增2套数据通信网关机,采用双平面方式送苏州地调,同时新增1套能量管理子站采集PCS、BMS全量数据,并配置AGC/AVC系统。
远动信息通过双平面调度数据网络上传,满足调度端精细化管理要求。网络安全部署纵向加密装置,确保AGC/AVC调节指令传输安全。


该案例展示了光储协同项目的典型设计思路:能利旧不新增,需新增必合规,实现投资节约与技术先进性的平衡。
六、技术共性总结
四个案例规模、场景各异,但技术架构呈现明显共性。保护控制层面,防孤岛保护、防逆流保护、频率电压紧急控制装置、线路保护装置是各类项目的标配,构成并网安全的基础防线。调度通信层面,远动装置采用101/104规约、双通道冗余设计、接入调度数据网,是项目接入调度体系的标准化路径。能量管理层面,EMS系统、AGC/AVC装置、功率预测系统、BMS与PCS数据采集,构成能量调度与优化决策的核心。网络安全层面,纵向加密装置、态势感知平台、运维审计设备、防火墙、隔离装置共同构成纵深防御体系。远程运维层面,云平台接入、4G公网通信、双主机部署,是解决分布分散、运维可达性差等问题的有效手段。
这些技术要素相互咬合,形成系统工程:保护控制是安全底座,调度通信是神经通道,能量管理是决策大脑,网络安全是防护屏障,远程运维是效率保障,缺一不可。