目录
前述:以74HC595D(JSMSEMI(杰盛微),C5144558,SOP-16) 为例
一、原理
1、移位寄存器时钟CLK每有一个上升沿高电平,移一位数据;
2、**数据锁存器(存储寄存器)**时钟RCLK每有一个上升沿高电平,将移位寄存器中的所有数据搬移到数据锁存器中;
3、并行输出OE接地(使能输出,低电平有效);
4、多片级联,本质上是多个移位寄存器串联,都移位完成后,一并拉高数据锁存器时钟RCLK,实现数据同时在引脚上更新。
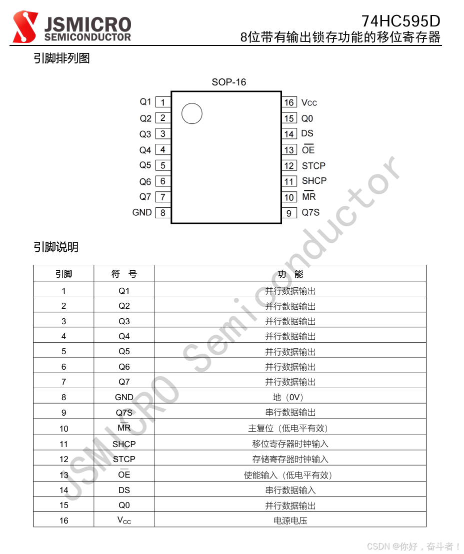
二、功能框图及引脚说明


三、代码示例

目录
前述:以74HC595D(JSMSEMI(杰盛微),C5144558,SOP-16) 为例
1、移位寄存器时钟CLK每有一个上升沿高电平,移一位数据;
2、**数据锁存器(存储寄存器)**时钟RCLK每有一个上升沿高电平,将移位寄存器中的所有数据搬移到数据锁存器中;
3、并行输出OE接地(使能输出,低电平有效);
4、多片级联,本质上是多个移位寄存器串联,都移位完成后,一并拉高数据锁存器时钟RCLK,实现数据同时在引脚上更新。


