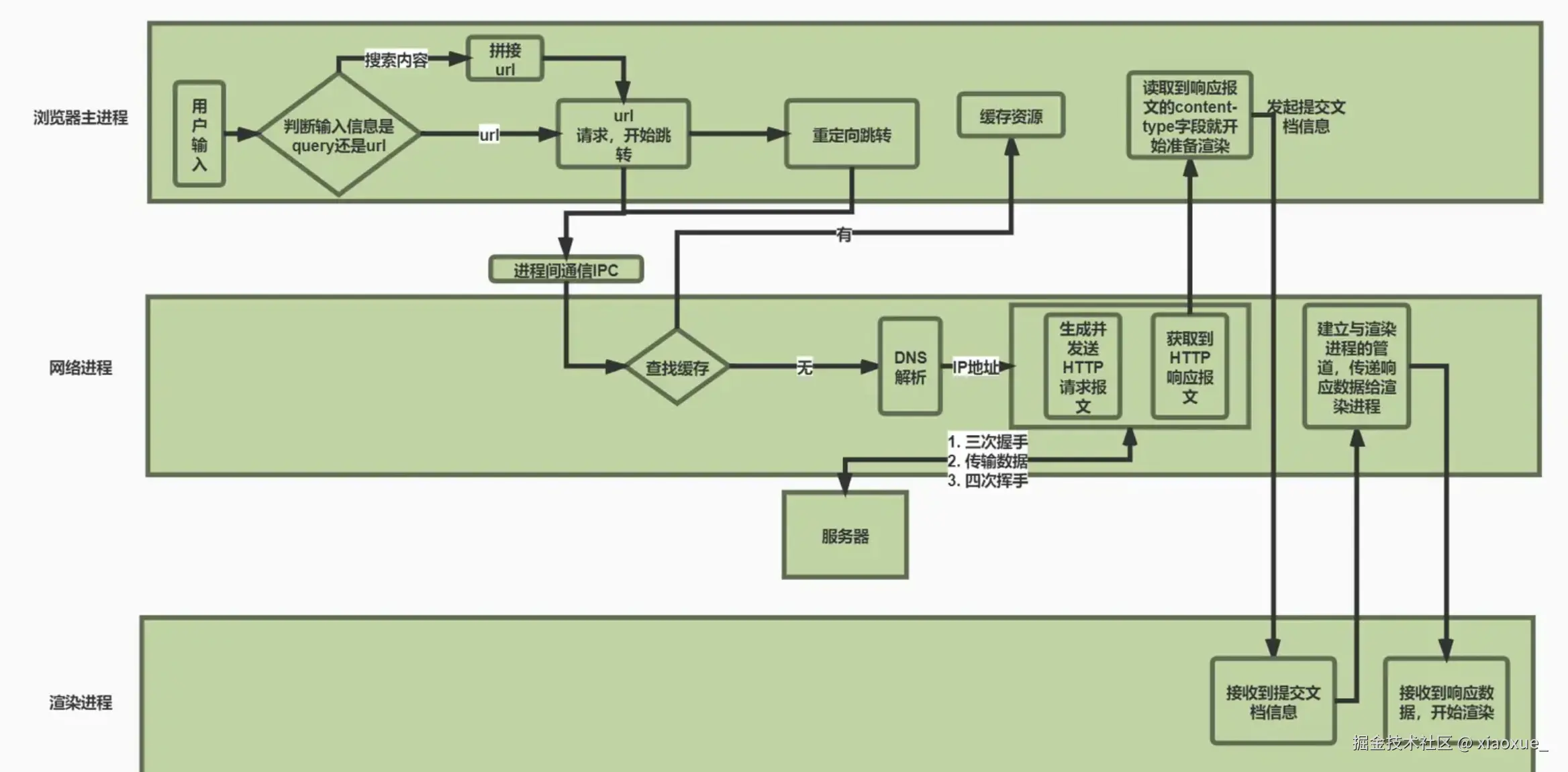
从 URL 输入到页面展示的完整流程
先来看一下下面两张整体流程示意图:


该流程是前端春招核心考题(考察覆盖率 80%),横跨前端渲染、计算机网络、操作系统(进程通信) 三大领域,核心是浏览器多进程协同完成 "导航"(用户输入 URL 到页面开始解析的全过程),以下按阶段拆解所有细节:
一、前置概念基础:浏览器多进程架构(操作系统层面)
浏览器采用多进程架构,整个流程依赖不同进程的 IPC(Inter-Process Communication,进程间通信)协作,先明确核心进程的职责:
| 进程类型 | 核心职责(全流程关键动作) |
|---|---|
| 浏览器主进程 | 1. 接收用户 URL 输入、处理交互反馈(如输入框响应);2. 管理浏览历史(新 URL 入栈);3. 控制 loading 状态(请求开始显示、完成隐藏);4. 管理子进程(网络进程 / 渲染进程),通过 IPC 通信;5. 触发页面卸载事件(beforeunload)、更新页面状态;6. 管理缓存、Cookie、localStorage 等文件存储 |
| 网络进程 | 1. 为渲染进程 / 主进程提供网络下载能力;2. 处理 HTTP 请求 / 响应的封装与解析;3. 与渲染进程建立 "数据管道" 传输 HTML / 静态资源;4. 处理 DNS 解析、TCP 握手等网络层逻辑 |
| 渲染进程 | 1. 接收网络进程传输的页面数据;2. 解析 HTML/CSS、构建 DOM/CSSOM/ 渲染树;3. 向主进程 "确认提交",表示准备好接收数据;4. 负责页面最终渲染(本流程截止到 "准备解析数据",渲染细节为后续环节) |
补充概念
- 进程(Process):操作系统分配资源的最小单位(如内存、CPU);
- 线程(Thread):操作系统执行指令的最小单位(一个进程可包含多个线程)。
二、阶段 1:URL 输入与预处理(用户交互→标准化 URL)
当用户在浏览器地址栏输入内容并回车,主进程首先完成 URL 预处理:
1. URL 标准化补全
结合文档中的实际示例,URL 补全逻辑如下:
- 自动补充协议 / 域名前缀:如输入
time.geekbang.org→ 补全为https://time.geekbang.org(https 为浏览器默认安全协议);输入www.baidu.com→ 补全为https://www.baidu.com; - 补全默认端口:https 默认 443、http 默认 80(如
https://www.baidu.com→ 实际访问https://www.baidu.com:443; - 关键词识别:若输入非 URL(如 "前端面试"),自动拼接至默认搜索引擎 URL 后(如
https://www.baidu.com/s?wd=前端面试,文档中https://www.baidu.com/s?wd=即为搜索引擎的查询格式)。
2. 重定向预处理(提前拦截跳转逻辑)
若输入的原始 URL 需要跳转(如文档中的http://time.geekbang.org),会触发服务器重定向:
-
触发条件:服务器返回 301/302/307 状态码 +
Location响应头; -
重定向类型细节:
- 301(永久重定向):浏览器会缓存跳转关系,后续直接访问新 URL;
- 302(临时重定向):不缓存,每次访问都需服务器返回跳转指令;
- 307(临时重定向):不允许修改请求方法(如 POST 请求跳转后仍为 POST,302 可能改为 GET);
-
浏览器强制优化:即使服务器未返回重定向,部分浏览器会强制将 http 升级为 https(如
http://time.geekbang.org→ 直接跳转https://time.geekbang.org,两者会返回的内容一致也验证了这一优化)。
三、阶段 2:DNS 域名解析(域名→IP,分布式数据库查询)
网络通信依赖 IP 地址(如127.0.0.1),但用户输入的是域名(如www.baidu.com、time.geekbang.org),需通过 DNS(分布式数据库)完成 "域名→IP" 映射,解析层级从本地到全球逐步降级:
1. DNS 解析全流程(优先级从高到低)
表格
| 解析层级 | 细节说明 |
|---|---|
| 本浏览器 DNS 缓存 | Chrome 可通过chrome://net-internals/#dns查看缓存的 IP 数组;缓存有过期时间,不同浏览器独立维护 |
| 本地操作系统 DNS 缓存 | 多浏览器共享(如 Chrome/Firefox 共用 Windows/macOS 的 DNS 缓存),由操作系统内核维护 |
| Hosts 文件 | - 路径(Windows):C:\Windows\System32\drivers\etc\hosts(需管理员权限编辑);- 用途:本地开发测试(如映射127.0.0.1 → douyin.com,模拟带域名访问本地代码);- 特殊规则:localhost/0.0.0.0等域名无需解析,默认指向127.0.0.1 |
| 局域网 DNS 缓存 | 路由器 / 局域网内其他设备访问过的域名记录(如公司内网缓存常用域名) |
| 运营商 DNS 服务器 | 电信 / 移动 / 联通的城市级节点(缓存全网高频域名,如文档中的www.baidu.com、time.geekbang.org) |
| 全球 DNS 层级 | 根服务器(全球 13 台)→ 顶级域服务器(如.com/.cn 服务器)→ 权威服务器(域名所属商服务器) |
2. DNS 扩展细节(面试高频)
- 分布式集群:DNS 返回的 IP 并非直接指向业务服务器,而是 Nginx 等反向代理服务器的 IP;
- 负载均衡:反向代理通过 "轮询(Round Robin)" 将请求分配给后端多台服务器,动态适配服务器负载;
- 地域优化:DNS 根据用户 IP 归属地,优先返回就近机房的 IP(用户当前位置为中国上海,访问
www.baidu.com或time.geekbang.org时,DNS 会优先返回离上海近的机房 IP),降低网络延迟。
3.DNS 相关知识补充
- Chrome 可通过
chrome://net-internals/#dns查看 DNS 缓存中记录的 IP 地址列表。若缓存中存在对应域名的有效记录,浏览器在解析该域名时,会优先使用缓存中的 IP 地址,而无需发起新的 DNS 查询。

- Hosts 文件用途 :本地开发测试(如映射
127.0.0.1 → douyin.com,模拟带域名访问本地代码)。hosts文件的本质是一个本地的 "域名→IP" 映射表 ,它的优先级比 DNS 服务器更高。当你在浏览器中输入一个域名时,系统会先检查hosts文件中是否有对应的 IP 映射。如果有,就直接使用这个 IP,而不会去请求 DNS 服务器。

四、阶段 3:TCP 三次握手(建立可靠传输连接)
HTTP/HTTPS 基于 TCP 协议(可靠传输),传输数据前需通过 "三次握手" 确认双方收发能力 ,核心是交换SYN(同步序号)和ACK(确认序号):
| 握手阶段 | 通信方向 | 核心报文(简化版) | 核心目的 |
|---|---|---|---|
| 第一次 | 客户端→服务端 | 发送SYN x(x 为随机初始序号) |
客户端向服务端 "请求建立连接",告知自己的发送起始序号 |
| 第二次 | 服务端→客户端 | 发送ACK x+1 + SYN y(k 为服务端随机序号) |
1. ACK x+1:确认接收客户端的 SYN 请求;2. SYN y:向客户端确认自己的发送能力 |
| 第三次 | 客户端→服务端 | 发送ACK y+1 |
客户端确认接收服务端的 SYN 请求,双方确认 "收发能力均正常",连接建立 |

关键补充
-
为何是 "三次" 而非两次:两次握手仅能确认 "客户端→服务端" 的单向能力,三次才能确认双向收发能力;
-
HTTPS 额外步骤:需在 TCP 握手后完成 TLS 握手(验证证书、协商加密算法),比 HTTP 多一层安全校验。HTTPS 的本质:"HTTP 套上 TLS 安全壳",
- 无 TLS 时(HTTP) :TCP 连接建立后,HTTP 数据以明文直接传输,任何人截取网络数据包都能看到内容(如账号密码、请求参数),且数据可能被篡改。
- 有 TLS 时(HTTPS) :TCP 三次握手建立连接后,先通过 TLS 握手建立加密通道,再把 HTTP 数据(请求行、请求头、响应体等)传入这个通道,数据会被加密后传输,截取后无法直接解读,且能检测是否被篡改。
-
TCB本质上是操作系统内核为每一条 TCP 连接单独维护的一个 "专属档案",用来记录这条连接的所有关键状态和上下文信息。它会记录连接的所有关键信息,主要包括:
- 连接状态:
CLOSED、LISTEN、SYN-SENT、SYN-RCVD、ESTABLISHED等(就是你图里看到的那些状态)。 - 序号信息:当前的发送序号(
seq)、确认序号(ack)、窗口大小等,用于保证数据可靠传输。 - 缓冲区指针:指向发送和接收缓冲区的地址,用于数据的收发。
- 定时器:重传定时器、保活定时器等,用于超时重传和连接保活。
- 对端信息:对端的 IP 地址、端口号等。
- 连接状态:
五、阶段 4:HTTP 请求与响应传输(应用层数据交互)
TCP 连接建立后,网络进程开始封装 HTTP 请求、与服务器交互:
1. 发送 HTTP 请求(客户端→服务端)
请求由 "请求行 + 请求头 + 请求体(可选)" 组成:
-
请求行:核心信息,格式为
请求方法 路径 HTTP版本,示例:- 访问
https://time.geekbang.org:GET / HTTP/1.1; - 访问
https://www.baidu.com/s?wd=前端面试:GET /s?wd=前端面试 HTTP/1.1; - 常见请求方法:GET(查询数据,如文档中所有网页的访问均使用 GET)、POST(提交数据)、HEAD(仅获取响应头);
- 访问
-
请求头:携带业务 / 认证信息,高频字段:
Authorization:JWT Token/OAuth2.0 等认证信息;Cookie:浏览器存储的用户标识(由服务端Set-Cookie响应头设置);User-Agent:浏览器 / 设备信息(如Chrome/114.0.0.0 Windows NT 10.0);
-
请求体:仅 POST/PUT 等方法使用,存储提交的数据(如 JSON、表单参数)。
2. 接收 HTTP 响应(服务端→客户端)
响应由 "状态行 + 响应头 + 响应体" 组成:
-
状态行:
HTTP版本 状态码 状态描述,示例:HTTP/1.1 200 OK(返回 200 状态码,表示请求成功);-
核心状态码:
- 200:请求成功,响应体返回页面 / 资源数据(
https://time.geekbang.org返回极客时间页面内容,https://www.baidu.com返回百度热搜页面); - 301/302/307:重定向,需重新请求
Location头的 URL; - 404:资源不存在;500:服务端内部错误;
- 200:请求成功,响应体返回页面 / 资源数据(
-
-
响应头:控制浏览器行为,高频字段:
-
Content-Type:标识响应体类型(核心!):text/html:HTML 文档,网络进程将数据传给渲染进程解析;text/css/image/jpeg/application/javascript:静态资源,浏览器直接缓存;application/json:接口数据,交给 JS 处理;
-
Location:重定向目标 URL; -
Cache-Control:控制资源缓存策略(如max-age=3600表示缓存 1 小时);
-
-
响应体:实际数据(
https://time.geekbang.org返回的极客时间页面源码、https://www.baidu.com返回的百度热搜页面源码)。
六、阶段 5:导航提交与页面接收(进程协作)
HTTP 响应返回后,浏览器主进程、网络进程、渲染进程协同完成 "导航提交":
-
建立数据管道:浏览器主进程通知网络进程,与渲染进程建立数据管道(直接传输 HTML 数据,无需中转);
-
渲染进程确认提交:渲染进程接收数据后,向主进程发送 "确认提交" 消息,表示已准备好解析页面;
-
页面状态更新:主进程接收到 "确认提交" 后,执行 3 个关键动作:
- 移除当前标签页的旧文档(如之前打开的百度页面);
- 更新浏览器的页面状态(URL、标题、历史记录,如访问
https://time.geekbang.org后,URL 栏显示该地址,标题更新为 "极客时间"); - 显示 loading 状态(直到渲染进程完成首次渲染)。
核心定义
用户从输入 URL 回车,到渲染进程 "确认提交" 准备解析页面的全过程,称为导航(这是面试回答的核心边界)。
七、底层支撑:OSI 七层协议与传输优化
整个流程依赖网络协议栈,核心是 OSI 七层协议(实际常用 TCP/IP 五层模型),以下拆解关键层:
| OSI 层级 | 核心职责 | 关键细节 |
|---|---|---|
| 物理层 | 传输 0/1 二进制数据(物理介质:网线、光纤、无线) | 无逻辑处理,仅负责 "传输信号" |
| 数据链路层 | 封装数据为 "帧",携带 MAC 地址(设备唯一标识) | MAC 地址由网卡厂商分配,用于局域网内设备通信 |
| 网络层 | 封装数据为 "数据包",携带 IP 地址 | IP 地址负责跨网络定位主机;可能丢包、出错,依赖传输层修复 |
| 传输层 | 封装数据为 "段 / 报",标识端口号(对应应用程序) | 核心协议:TCP/UDP;端口号范围 0-65535(80/443 为 HTTP/HTTPS 默认端口) |
| 应用层(/表示层/会话层) | 定义应用间通信规则(HTTP/HTTPS/DNS) | 基于传输层实现业务逻辑,如 HTTP 的请求 / 响应格式 |
1. UDP 协议(用户数据报协议)
- 特性:简单、快速、无可靠性保证(无重传、无排序);
- 适用场景:音视频直播 / 通话(允许少量丢包,优先保证实时性);
- 核心问题:数据包可能丢失、乱序到达,无法传输 HTML/CSS 等 "要求完整" 的 Web 资源(网页使用 TCP 协议传输)。
2. TCP 协议(传输控制协议)
-
特性:可靠、有序、速度略慢(有重传、排序机制);
-
适用场景:浏览器请求、邮件、文件下载(要求数据完整,文档中所有网页的访问均基于 TCP 协议);
-
核心解决的问题:
- 丢包重传:为数据包设置 "过期时间",超时未接收则重传;
- 乱序重排:为每个数据包分配 "序号",接收端按序号组装,解决乱序问题;
-
**TCP 完整生命周期:三次握手(建连)→ 数据传输 → 四次挥手(关连)**四次挥手是 TCP 关闭可靠连接的标准流程,和三次握手成对出现,关于它在「从 URL 输入到页面展示」流程中的定位:
- 它不属于页面首屏渲染的前置核心步骤(页面展示不依赖连接关闭);
- 它属于 TCP 连接完整生命周期的必要收尾,是整个页面加载全流程的一部分。
(1)四次挥手的触发时机(与 HTTP 版本强相关)
HTTP 版本 连接策略 触发四次挥手的场景 HTTP/1.0 默认短连接 每传输完 1 个资源(如 HTML、单张图片)后,立即触发四次挥手 HTTP/1.1 默认长连接( Connection: keep-alive)① 页面所有核心资源传输完成后,连接空闲超过超时时间(浏览器默认约 60s);② 页面关闭 / 刷新 / 标签页销毁时;③ 服务器主动关闭(如单连接最大请求数超限) HTTP/2/3 多路复用长连接 仅在页面关闭、标签页销毁、浏览器关闭或连接长时间空闲时触发 (2)四次挥手的完整详细过程(客户端主动发起关闭为例)
TCP 是全双工通信,客户端和服务端的发送 / 接收通道独立,关闭时需双向确认 "不再发送数据",因此需要四次挥手:
挥手阶段 通信方向 核心报文 核心含义 第一次 客户端→服务端 发送 FIN M客户端告知服务端:我已无数据发送,请求关闭「客户端→服务端」的发送通道 第二次 服务端→客户端 发送 ACK M+1服务端告知客户端:我已收到关闭请求,先确认;但我可能还有数据没传完,你继续等待接收 第三次 服务端→客户端 发送 FIN N服务端告知客户端:我也无数据发送了,请求关闭「服务端→客户端」的发送通道 第四次 客户端→服务端 发送 ACK N+1客户端告知服务端:我已收到关闭请求,双向通道均确认关闭,连接可彻底释放

markdown
**(3)面试高频补充细节**
- 为什么挥手是四次,握手是三次?
三次握手时,服务端的「ACK 确认客户端能力」和「SYN 告知自身能力」可合并成一次报文;但四次挥手时,服务端收到客户端的 FIN 后,大概率还有未传输完的数据(如文档中https://time.geekbang.org的页面资源可能分多个数据包传输),不能立即回 FIN 关闭自身通道,只能先回 ACK 确认,等自身数据传完后再单独发 FIN,因此必须拆分成两次,总共四次。
- TIME_WAIT 状态(必考点)
客户端第四次挥手发送 ACK 后,不会立即关闭连接,会进入TIME_WAIT状态,等待2MSL(最长报文寿命,通常 2 分钟) 后才彻底释放连接。核心目的:防止最后一个 ACK 报文丢包,若服务端没收到 ACK,会重发 FIN 报文,客户端需在 TIME_WAIT 状态内处理重传请求,避免新连接收到旧连接的残留报文。
3. 数据包传输优化
- 大数据拆分:大文件(如 100MB 的视频)拆分为多个小数据包(MTU 限制,通常 1500 字节 / 包),分批次、多通道并发传输;
- 多路复用:单个 TCP 连接内同时传输多个请求 / 响应(HTTP/2 核心特性),提升带宽利用率;
- 负载均衡:反向代理服务器(如 Nginx)接收请求后,通过轮询 / 权重分配至后端多台服务器,避免单服务器过载。
八、前端性能与浏览器优化(面试加分项)
1. 核心性能指标
-
FP(First Paint,首次渲染时间):从页面加载到首次绘制像素的时长,计算公式: FP = TTFB + 响应下载时间 + HTML DOM构建时间 + CSSOM构建时间 + 渲染树构建时间 + 布局树构建时间 + 首次渲染
-
TTFB(Time To First Byte,首字节时间):从请求发送到接收第一个响应字节的时长,包含:
DNS解析时间 + TCP/TLS握手时间 + 服务器执行时间(如数据库慢查询); -
性能影响:FP/TTFB 直接影响用户留存、付费转化、PV(页面访问量)、UV(独立访客数)。
2. 浏览器缓存优化
- 缓存类型:静态资源(CSS / 图片 / JS)优先缓存,无需重复请求;
- 缓存逻辑:浏览器根据响应头
Cache-Control/Expires判断是否读取本地缓存,缓存命中则跳过 DNS/TCP/HTTP 流程,直接渲染。
3. 页面卸载事件(beforeunload/pagehide)
当用户关闭标签页 / 刷新页面时,浏览器触发卸载相关事件(主进程管控),核心代码示例:
javascript
javascript
// 监听beforeunload:提示用户是否离开
window.addEventListener('beforeunload', function (event) {
console.log('beforeunload 事件已触发');
event.preventDefault(); // 阻止默认行为(浏览器强制显示默认提示文案)
event.returnValue = ''; // 兼容各浏览器的提示信息设置
});
// 监听pagehide:处理bfcache场景(浏览器后退/前进缓存)
window.addEventListener('pagehide', function (e) {
if (e.persisted) {
console.log('⚠️ 页面进入bfcache(未触发beforeunload),属于浏览器优化');
} else {
console.log('✅ 页面正常卸载流程');
}
});
- 关键补充:bfcache(后退 / 前进缓存)是浏览器优化,会缓存页面状态,导致
beforeunload不触发,需通过pagehide监听e.persisted判断。
总结(面试回答逻辑)
回答该问题时,需按 "进程协作→URL 预处理→DNS 解析→TCP 握手→HTTP 交互→导航提交→协议支撑→性能优化" 的逻辑组织,核心是体现 "多进程协同" 和 "网络协议栈" 两大主线,而非零散罗列知识点。
核心逻辑链:用户输入URL(主进程)→ URL标准化(主进程)→ DNS解析(网络进程)→ TCP握手(网络进程)→ HTTP请求/响应(网络进程)→ 数据管道传输(网络+渲染进程)→ 导航提交(主+渲染进程)→ 准备渲染(渲染进程)→ 数据传输完成后TCP四次挥手(网络进程)。