电源测试系统编程软件的选择对于确保测试的准确性和效率至关重要。在众多软件中,LabVIEW和ATECLOUD因其独特的功能和优势而受到工程师的青睐。

**
一、电源测试系统编程软件的选择
**
LabVIEW和ATECLOUD是两种常用的电源测试系统编程软件。LabVIEW以其图形化编程界面和强大的数据处理能力而闻名,而ATECLOUD则以其兼容1000+仪器和零代码操作的特点脱颖而出。
**
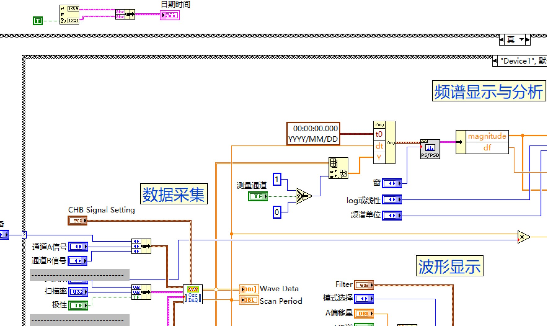
二、如何配置LabVIEW环境
**
LabVIEW是一种图形化编程语言,它允许工程师通过拖放图标来构建程序。这种直观的编程方式使得LabVIEW在复杂系统的测试中非常有用。配置LabVIEW环境需要以下步骤:
1.安装LabVIEW软件。
2.连接所需的硬件设备,并安装相应的驱动程序。
3.使用LabVIEW的图形化界面设计测试程序。
4.调试并优化程序以满足测试需求。

**
三、ATECLOUD的优势
**
ATECLOUD提供了一种无需编程的测试解决方案。它的优势在于:
•兼容1000+仪器,极大地扩展了测试系统的适用范围。
•零代码操作,简化了测试流程,降低了技术门槛。
•报告格式自定义,用户可以根据需要生成PDF、WORD或EXCEL格式的测试报告。

**
四、LabVIEW与ATECLOUD的对比
**

**
五、决策框架
**
在选择电源测试系统编程软件时,考虑以下因素:
1.测试系统的复杂性:如果测试系统需要复杂的数据处理和自定义界面,LabVIEW可能是更好的选择。
2.技术资源:如果团队中有足够的编程专家,LabVIEW可以提供更多的定制化选项。
3.快速部署:如果需要快速部署测试系统,ATECLOUD的零代码操作可以大大缩短部署时间。

**
六、常见问题解答
**
1.LabVIEW和ATECLOUD哪个更适合初学者?
ATECLOUD更适合初学者,因为它不需要编程知识。
2.ATECLOUD是否支持所有仪器?
ATECLOUD兼容1000+仪器,但具体支持情况需要根据仪器型号查询。
3.LabVIEW的图形化编程有哪些优势?
图形化编程使得程序逻辑更直观,易于理解和维护。
4.ATECLOUD的报告格式自定义有哪些限制?
ATECLOUD支持PDF、WORD、EXCEL格式的报告,但具体格式的自定义程度可能有所不同。
5.如何学习LabVIEW编程?
可以通过官方教程、在线课程或专业书籍来学习LabVIEW编程。
6.ATECLOUD的零代码操作是否意味着完全不需要编程?
是的,ATECLOUD的零代码操作意味着用户无需编写代码即可完成测试任务。
7.LabVIEW和ATECLOUD在价格上有何差异?
价格因具体需求和许可类型而异,建议直接咨询供应商获取报价。
**
七、下一步学习路径
**
•深入学习LabVIEW的图形化编程技巧。
•探索ATECLOUD的仪器兼容性和报告自定义功能。
•根据实际测试需求,对比两种软件的性能和成本效益。
ATECLOUD平台功能体验可直接访问ATECLOUD官网!