1、方案名称:AS2331 7-32V 2.8A同步降压恒压恒流DC-DC,内置MOS,工作频率400Khz
2、品牌:紫源微(Zymicro)
3、描述:AS2331是一款高效、单片同步降压DC/DC转换器,采用恒频、平均电流模式控制架构。能够提供高达2.8A的连续负载,具有出色的线路和负载调节能力。该设备的输入电压范围为7V至32V,并提供3.6V至25V可调输出电压。
AS2331具有短路和热保护电路,以提高系统可靠性。内部软启动避免了启动过程中的输入浪涌电流。
AS2331要求最少数量的外部元件。并具有多种保护功能,提高可靠性。
4、方案特色:
• 宽VIN范围:7V至32V
• 2.8A连续输出电流
• 效率高达93%
• CC/CV模式控制
• 100%最大占空比
• 内置可调线补偿
• 输出电压可调
• +/-1.5%输出电压精度
• +/- 5%电流限制精度。
• 集成75mΩ高位开关
• 集成35mΩ低侧开关
• 可编程的频率(130 khz ~ 300 khz)
• 突发模式操作在轻负荷
• 内部回路补偿
• 内部软启动
• 封装形式:SOP-8
5、应用领域:
• 汽车充电器
• 可充电便携式设备
• 网络系统
• 分布式电力系统
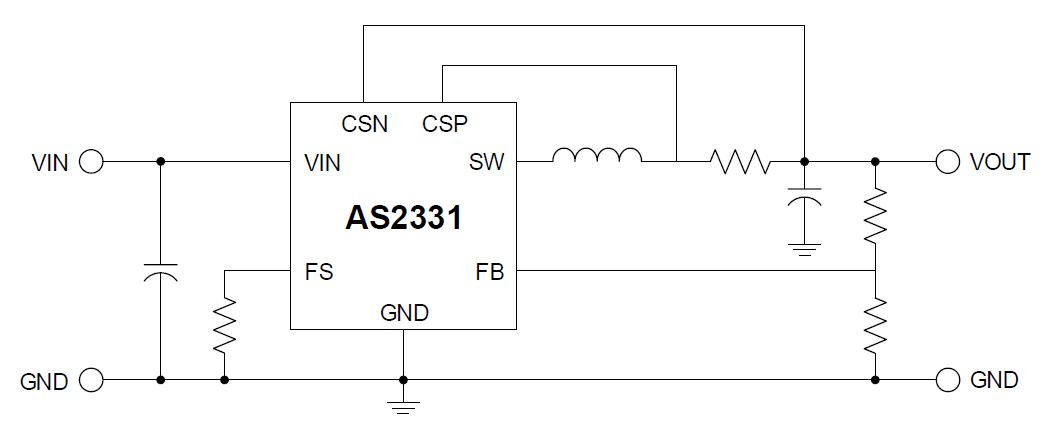
6、应用原理图:
