嘉立创EDA硬件设计与实战学习笔记(三):51单片机核心板原理图设计
💡 嘉立创EDA操作快捷键备忘录:
- 旋转元器件: 选中或拖动器件时,按
空格键 (Space)- 取消选中元器件 / 中断操作: 按
ESC 键
一、 17-51单片机核心板元件选型
1. 什么是单片机最小系统?
单片机最小系统,是指用最少的元件组成的、能让单片机正常运行程序的基础系统。你可以把单片机想象成人类的大脑,为了让大脑正常运转,它需要三个基本条件:
- 电源电路(提供能量): 就像人类需要吃饭。VCC(正极)和 GND(负极)构成供电回路。
- 晶振电路(提供心跳): 单片机执行指令需要一个稳定的节拍,晶振就像心脏起搏器,为单片机提供精准的时钟信号。
- 复位电路(提供重启机制): 当系统死机或状态混乱时,复位电路就像电脑的"重启按钮",将单片机的系统状态清零,使其重新初始化。
对于51系列单片机来说:单片机 + 晶振电路 + 复位电路 = 最小系统。
2. 核心芯片选型
这里我们选择国产宏晶公司(STC)推出的 STC89C52RC 单片机,这款单片机属于经典的 8051 架构。 我们在浏览器搜索"宏晶STC单片机官网",打开官网首页后点击"技术支持",即可下载对应的数据手册。我们这次用的是 STC89C52 系列,所以直接查看它的专属手册。我们要设计单片机最小系统,直接在手册第11页找到官方推荐的最小系统示例电路作为参考依据。

概念补充:
- 电源电路: 最小系统中的电源是能量来源。VCC(40脚)接电源正极,GND(20脚)接电源负极(接地端),形成电气连接。
- 外围功能电路: 除了最小系统,我们还需要添加按键检测、LED指示灯、排针引出等,方便后续做实验。
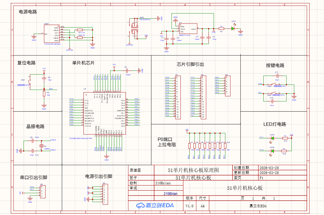
二、 51单片机核心板原理图设计
1. 工程建立与电源电路设计
打开嘉立创专业版,点击 文件 -> 新建 -> 新建工程,名字命名为"51单片机核心板",点击保存。 加载完成后,为了规范工程,我们将 Board 命名为"51单片机核心板",原理图命名为"51单片机核心板原理图",PCB 命名为"51单片机核心板PCB"。
接下来打开原理图,开始绘制电源部分:
- Type-C 输入接口: 在库里找到
TYPE-C-6P-DIP2X2并放置。为了让普通的 Type-C 线能输出 5V 电压,我们需要两个 0805 封装的 5.1k 电阻,将它们分别连接在接口的CC1与CC2引脚上,电阻的另一端接地。同时,接口的 GND 和外壳 EH 脚全都要接地。VBUS 是电源正极,我们给它连接一个网络标签VCC+5V。 - 电源开关: 我们要把 USB 送进来的 5V 送到开关,再经过开关给后面的降压芯片供电。这里选择拨动开关
SS3235S-L3。这个开关的 1、2、3 脚我们不需要用,全部接地。4脚接刚才的网络VCC+5V。开关打开后的输出端,我们给个新的网络标签叫+5V。 - LDO 降压(5V 转 3.3V): 经过
+5V,我们要通过 LDO(低压差线性稳压器)变成 3.3V。芯片选择AMS1117-3.3。首先把它的两个 VOUT(2脚和4脚)连接在一起并接上新的网络标签3.3V,GND 脚接地,VIN 脚接+5V。 - 电源指示灯: 为了直观显示电源状态,我们找一个绿色 0805 封装的 LED,串联一个 1K 的限流电阻。电阻一端连
3.3V,另一端连 LED 阳极,LED 阴极接地。这样,当 3.3V 正常产生时,LED 就会亮起。 - 滤波电容: 最后,要为 AMS1117-3.3 添加滤波电容。查阅数据手册可知,它的输入和输出端都需要 10uF 的滤波电容。为了达到更好的滤波效果(大电容滤低频,小电容滤高频),我们在输入和输出端分别并联一个
10uF和一个0.1uF(即 100nF)的 0805 陶瓷电容。
至此,电源电路部分设计完成。

2. 最小系统电路设计
单片机主芯片放置
我们找到 STC89C52RC-40I-LQFP44,双击放置。这个贴片封装单片机一共 44 个引脚。查阅手册确认,这颗单片机供电电压为 3.3V 到 5.5V,这里我们统一用 5V 供电(VCC接+5V,GND接GND)。 注意: 我们通常会在芯片的电源引脚附近就近加一个 0.1uF 的去耦电容。它的作用就像一个备用水缸,当芯片瞬间需要大电流时,能迅速补给,保证电压平稳。 接下来,选择浮动工具里的"网络标签",为单片机的每一个 IO 端口都添加上,并直接使用单片机默认的引脚名(如P1.0、P2.0)进行命名,方便后续连线。

晶振电路设计
接下来设计晶振电路。首先把 XTAL1 和 XTAL2 的网络标签复制出来。 在搜索栏搜索并放置一个 12MHz 的贴片晶振 AS-12.000-18-SMD-TR。根据官方硬件指导,12MHz 晶振通常需要搭配两个 20pF~30pF 的谐振电容(常见选型为 22pF,原先的 47pF 偏大可能会导致起振不良)。将两个电容一端接晶振引脚,另一端接地。

复位电路设计
51单片机是高电平复位(RST引脚输入高电平即重启)。在常用库里,选择 1 个 10k 的电阻和 10uF 的极性电容,外加一个轻触按键 3*4*H。 电容正极接 5V,负极接单片机 RST 脚;电阻一端接 RST 脚,另一端接地。按键并联在电容两端。上电瞬间电容充电实现自动复位,平时按下按键直接把 5V 导通给 RST 脚,实现手动复位。

3. 外围功能电路设计
芯片引脚引出
为了后续能外接其他模块,我们要把单片机的所有 IO 引脚用排针引出。 先放置两个 HDR-M_2.54_1x16P(1排16脚)的排针。第一个排针按照顺序放置 P0 和 P2 组引脚;第二个排针放置 P1 和 P3 组引脚。接着,再拿一个 1*7 的排针用来放置 P4 组引脚。引脚引出就完成了。

按键电路设计
按键电路作为输入设备,非常简单。我们使用两个轻触按键,将它们分别接在 P2.0 和 P2.1 两个 IO 口上,按键的另一端接地。 硬件消抖优化: 机械按键在按下和松开的瞬间,金属弹片会有物理抖动,产生杂波。我们在按键两端并联一个 0.1uF 的电容,利用电容充放电平缓的特性,就能在硬件层面消除这个抖动。

LED灯电路
设计 LED 灯输出电路。选择 P1.0 和 P1.1 作为两个控制口,拿两个 0805 封装的贴片绿色 LED 灯。 接法注意: 51 单片机的 IO 口输出高电平时电流非常微弱,带不动 LED,所以不能把 IO 口接在 LED 的阳极。正确的做法是:电源接 3.3V,串联两个 1K 限流电阻后连到 LED 阳极,然后把 LED 的阴极连到单片机 IO 口。 这样,当 IO 口输出低电平(0V)时,形成电压差,LED 灯亮;输出高电平(3.3V)时,无电压差,LED 灯熄灭。

P0 端口上拉电阻配置
由数据手册可知,P0 端口内部是没有上拉电阻的(属于开漏输出)。如果不外接上拉电阻,它只能输出低电平。如果想要它输出高电平,必须强制拉高。 所以我们选中 P0 的 8 个引脚,为每个引脚配置一个 10K 的上拉电阻。电阻的另一侧,统一接上 +5V 的高电平即可。

电源引出接口
我们的板子已经产生了 +5V 和 3.3V 的电源。为了给未来外接的传感器供电,我们需要专门留一个电源引出接口。 复制一个之前用过的 7P 排针,把 +5V、3.3V、GND 引出,多留几个 GND 方便接线。

51单片机串口引出
串口是 51 单片机下载程序和外部通信的核心接口,在元件符号上标注为 P3.0(RXD) 和 P3.1(TXD)。 除了把这两个网络标签复制出来,我们还要把 5V 和 GND 一起做到一个 4P 排针上。因为我们未来外接"USB转串口模块"下载程序时,通常会直接由这个模块给核心板供电。

4. 最终成品与规则检查
最终成品
现在,所有的电路模块都搭建完毕了。稍微调整一下各模块的位置,保持排列整齐,并添加文字注释标明各个区域的功能,最终效果就是这样:

DRC 检测
绘制完原理图后,必须进行 DRC(设计规则检查),看看原理图在逻辑连接上有没有明显的硬伤。 检测后,您可能会发现类似这样的问题:
[警告] : 元件的属性与供应商编号不匹配。建议使用器件标准化: H1(1I48),H2(1I49),H3(1I50),H6(1I85),H5($1I100)
解释: 这个警告只是系统在提醒您,您画的这些排针等常规元器件,没有和嘉立创商城的具体商品编号强行绑定。只要封装尺寸没画错,这个问题在原理图层面完全不影响电气逻辑和后续使用,直接忽略即可。