模块化多电平变流器(MMC)凭借其独特的模块化结构,以及基于电力电子标准模块(power electronics building blocks,PEBB)的设计理念,在电力电子领域的应用日益广泛、备受青睐。采用PEBB构建模块化变流器的概念,最早由美国海军研究所于1997年提出,该理念为MMC的规模化应用奠定了重要基础。其中,将传统集中式电力电子系统的控制模式升级为分布式控制,既是采用PEBB构建MMC的核心优势之一,也是未来电力电子技术的重要发展趋势。
MMC采用标准化模块化结构,整个变流器由多个规格一致的子模块串联组成,每个子模块通常集成功率开关与无源开关元件。这种结构具备良好的扩展性,只需增加每相子模块的数量,即可灵活提升变流器的输出电压等级,适配不同的应用场景需求。
在电力电子系统的控制模式选择上,需结合系统容量合理适配:对于中小容量的电力电子系统,集中式控制模式因其结构简单、可靠性高的特点,是较为理想的选择;但对于大容量电力电子变流器,若仍沿用集中式控制,不仅会给主控制器带来沉重的运算与控制负担,还会增加系统安装布线的难度,导致系统故障率上升,同时极易产生严重的电磁干扰,影响系统稳定运行。
采用PEBB构建的MMC,搭配分布式控制方式,可显著降低系统数据传输的复杂性,提升控制效率;同时,得益于PEBB的标准化设计,模块的维修、更换更为便捷,有效降低了系统运维成本。对于N+1电平的MMC系统,每个相单元需配置2N个PEBB,因此,选择适配的网络结构以实现对大量PEBB的高效分布式控制,显得尤为关键。此外,如何确保控制信号同步传输并驱动所有PEBB协同动作,是分布式控制模式下需解决的核心问题,同步性能的优劣直接决定了MMC系统的运行稳定性与控制精度。
一、基于PEBB的MMC子模块构建
需要明确的是,PEBB与目前大量使用的智能功率模块(IPM)存在本质区别:PEBB主要依照系统整体结构和最优路线布局,由不同工艺及器件集成设计而成,因此其不属于专门的半导体器件,也没有固定的具体电路拓扑。作为模块化配置的功率变换器,PEBB具备显著的应用优势,可轻松扩展电压等级,有效简化系统设计过程、缩短设计周期,并降低后期维护成本。同时,通过软件程序的灵活配置,PEBB可实现多种电能变换需求,涵盖逆变、整流、直流斩波、变频控制及励磁控制等多种应用场景。PEBB、IPM和IGBT模块之间的关系如图1所示:

图1 PEBB、IPM、IGBT之间的关系
PEBB的接口主要分为功率接口与通讯接口两类,二者各司其职、协同保障系统正常运行:电力电子装置通过功率接口实现电能的高效传输与流动,为系统提供稳定的功率支撑;而通信接口作为分布式控制系统架构的核心纽带,是实现各PEBB模块间信息交互、协同控制的关键。典型PEBB结构如图2所示。

图2 典型PEBB结构
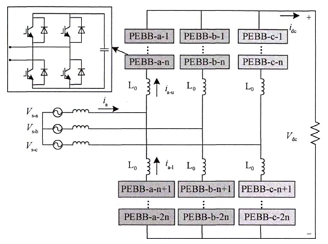
在PEBB内部既含有控制单元和功率器件,同时还具有通信单元、传感测量、电源模块、驱动保护和输入输出滤波等部分。应用于柔性直流输电时,可以将半桥型MMC子模块或全桥型子模块作为构建一个PEBB的基本单元。全桥子模块由电容器和两对互补功率开关组成,与传统的半桥子模块不同,全桥子模块能够以正或负电压和电流极性工作,因此也有人称其为四象限变流器子模块。
基于全桥PEBB的三相MMC拓扑结构如图3所示。一个换流器包含6个桥臂,每个桥臂由一个电抗器
与n个PEBB串联而成,上下两桥臂合在一起被称为一个相单元。电抗器
的主要功能是抑制三相桥臂瞬时直流电压不等引起的相间环流,同时还可有效抑制直流母线发生故障时的冲击电流,提高系统可靠性。此外,如果系统不能快速中断电流,可以增加桥臂电感以减少故障电流。

图3 基于全桥PEBB的三相MMC拓扑结构
二、传统MMC分布式控制系统架构
需要注意的是,每相包含上百个子模块的MMC系统在实际应用中会面临诸多挑战。首先,变流器需配备性能强大的主控制器,以执行复杂的控制算法:主控制器需实时采集当前时刻的调制信息、子模块电容电压等关键参数,完成调制运算后,生成下一时刻各子模块的PWM脉冲信号;同时,各子模块的运行状态、故障信息等也需周期性上报至主控制器。当MMC系统包含大量子模块时,主控制器与子模块之间会产生海量信息交互,极易导致主控制器负载过重。在此情况下,传统集中式控制模式下的单个控制器难以承担该负荷,需采用多个控制器协同工作,才能满足整个MMC系统的控制需求。目前,MMC分布式控制系统架构主要分为两类,即环形网络控制系统架构和三级控制系统架构。
2.1 环形网络控制系统架构
其中,环形网络控制系统架构由主控制器和PEBB共同构成,主控制器与各PEBB均作为通信网络节点,各节点之间通过光纤连接,形成级联式环形网络结构。主控制器作为MMC系统采样、控制与调制的核心部件,负责生成各类开关命令,并对这些命令进行分别打包、调度与传输。为实现精准的数据交互,每个网络节点都被分配了唯一的数据处理地址,PEBB发送的自身运行状态信息以及接收的开关命令,均会作为独立电报进行打包,并标注其对应的数据处理地址以便识别。此外,每个PEBB内部均集成一个FPGA作为本地控制器,专门负责完成各类数据的处理工作,保障模块的高效协同运行。
环形控制网络结构如图4(a)所示,假设主控制器在
时刻以逆时针方向发出数据,图4(b)显示了环网结构中PEBB时序图。PEBB-1在
时刻接收主控制器传输的数据并提取内容,提取完成后,再将数据传至PEBB-2,PEBB-2在
时刻接收数据并提取内容,以此类推,PEBB-n在
时刻接收数据并提取内容。

图4 环形控制网络架构和环形控制网络时序图
可见,环形控制网络存在以下问题:
- 所有数据和命令都需要经过每个节点的接收和转发,为此导致相关数据通道容量难以被有效利用起来,限制了在多模块大容量电力电子系统中的应用。
- 由于状态机状态转移控制、命令判别以及数据复杂等原因,软件程序和通信协议趋于复杂。
- 系统本身固有的数据网络传输延时
会随着节点数目的增加不断累积,特别是对于包含上百个PEBB的系统而言,同步问题难以解决。 - 单个PEBB的故障会导致整个网络的瘫痪,因此通信光纤和PEBB冗余对于提高环形网络的可靠性至关重要,而当使用双环网结构时,光纤和光模块用量增加了一倍以上。
2.2三级控制系统架构
MMC三级控制系统架构式在集中式控制系统架构的基础上发展而成,呈树状分布,以A相为例,如图5所示,这是一种较为典型的MMC三级控制系统架构。主控制器实现系统功率和输出电压控制,并通过6根光纤将相应的调制信息传递给3个相控制器。每个PEBB通过2根光纤和上层相控制器直接进行连接,下行光纤用于传输系统的保护信息和传输调制信息,而上行光纤主要在PEBB状态信息和电容电压信息的传输方面发挥重要作用。各个PEBB控制器完成PWM调制生成及开关管驱动信号。

图5 MMC三级控制系统架构
但是,三级控制系统构架存在以下问题:
- 随着PEBB数量的增加,相控制器和PEBB控制器之间的光纤和光模块使用量相应地也会增加,就增量而言,光纤和光模块使用量大约是PEBB个数的两倍之多,现场安装布线十分复杂凌乱,不利于后期维修于扩展。
- 由于每根光纤的两端各需要一个光模块来实现光电信息转换。在光模块和光纤成本增加的同时,也使MMC装置的空间成本和PCB制板成本显著提高。就单相n个PEBB的系统而言,单个相控制器模块需要设计2n个光模块接口,难度极高且成本昂贵。
- 仍然需要对各PEBB控制器进行复杂的同步控制,增加了控制系统的难度。