1、方案名称:NE6501 4.5-20V输入,内置MOS,功率5瓦
2、品牌:星云半导体(NEBULA)
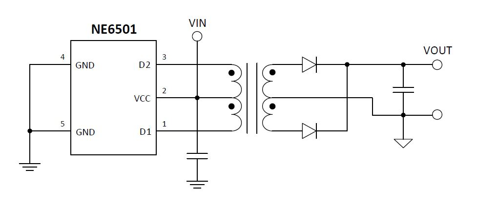
3、描述:NE6501是一款单片振荡器或电源驱动器,专为隔离接口应用中的小尺寸隔离电源而设计。该设备驱动一个低轮廓,中心抽头变压器初级从3.3V到5V直流电源。次级线圈可以根据变压器匝数比进行绕组,以提供任何隔离电压。
NE6501由一个振荡器和一个栅极驱动电路组成,栅极驱动电路提供互补输出信号来驱动接地参考n通道功率开关。内部逻辑确保在两个开关之间的动作之前断开。NE6501采用小型SOT23-5封装,指定在-40°C至125°C的温度下运行。
4、方案特色:
• 宽工作输入电压范围VIN: 3.3V ~ 5V
• 小型变压器推挽驱动器
• 低纹波的整流器输出允许小的输出电容
• SOT23-5封装
5、应用领域:
• 工业自动化
• 过程控制
• 隔离接口电源,适用于CAN, RS485, RS422, RS232, SPI, I2C,低功耗局域网
• 微型逆变器
• 电池管理系统
6、应用原理图:
