基本定时器TIM6和TIM7各包含一个16位自动装载计数器,由各自的可编程预分频器驱动。
TIM6和TIM7定时器的主要功能包括:
16位自动重装载累加计数器
自动重装载寄存器是预加载的,每次读写自动重装载寄存器时,实际上是通过读写预加载寄存器实现
16位可编程(可实时修改)预分频器,用于对输入的时钟按系数为1~65536之间的任意数值分频
触发DAC的同步电路
在更新事件(计数器溢出)时产生中断/DMA请求


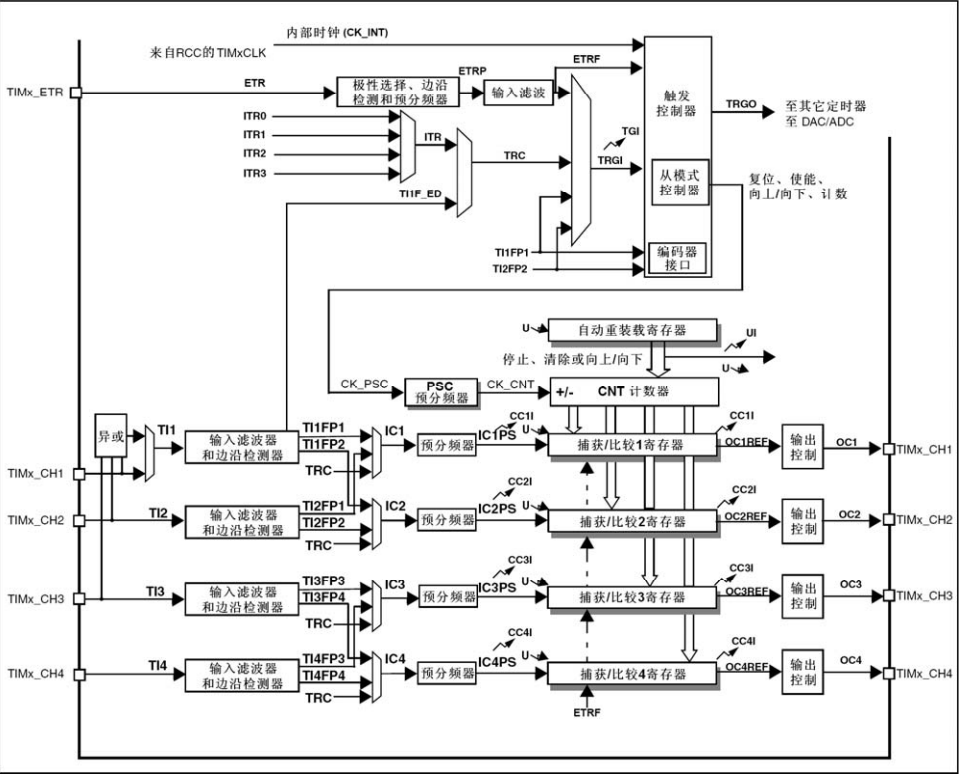
通用定时器(TIMx)
通用定时器是一个通过可编程预分频器驱动的16位自动装载计数器构成。
通用TIMx (TIM2、TIM3、TIM4和TIM5)定时器功能包括
4个独立通道:输入捕获
输出比较
PWM生成(边缘或中间对齐模式)
单脉冲模式输出
