宽带阵列信号处理
空时波束形成、空时波束形成方向图
卫星导航空时抗干扰算法
MATLAB仿真
文章目录
前言
\;\;\;\;\; 空时波束形成(Space-Time Beamforming)是一种结合空间和时间维度的信号处理技术,主要用于增强特定方向的信号并抑制干扰和噪声。它广泛应用于雷达、无线通信(如5G/6G)、声呐等领域,能够有效改善系统在复杂环境中的性能。空时波束形成结构由 Frost 最先在 1972 年提出,在传统的空域波束形成结构上添加了时间维度。其核心思想是在每个阵元后添加时域抽头,增加了阵列的自由度,通过组成 FIR 滤波器,从而捕捉宽带信号的频率信息。本文简介其原理后给出了MATLAB仿真结果。
++提示:以下是本篇文章正文内容,转载请附上链接!++
一、空时波束形成结构
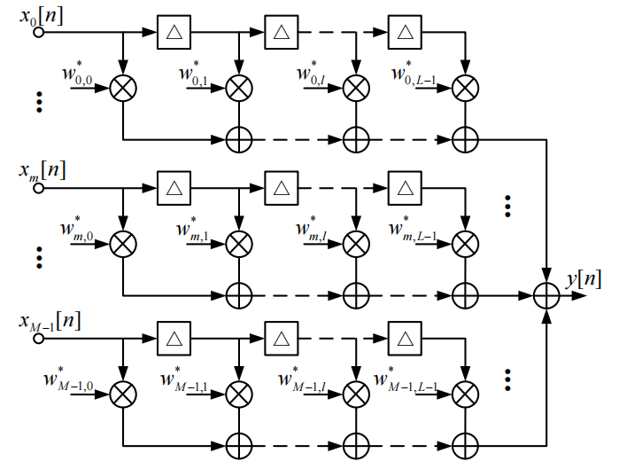
\;\;\;\;\; 空时波束形成结构如下图所示:

假设单元数为 M M M ,每个阵元后时域抽头个数为 L L L ,则波束形成输出可以表示为:
y [ n ] = ∑ m = 0 M − 1 ∑ l = 0 L − 1 w m , l ∗ x m [ n − l ] y[n] = \sum_{m=0}^{M-1} \sum_{l=0}^{L-1} w^*{{m,l}} x_m[n-l] y[n]=m=0∑M−1l=0∑L−1wm,l∗xm[n−l] 其中, x m [ n − l ] x_m[n-l] xm[n−l] 表示阵元 m m m 经过 l l l 个延迟后的接收信号。将权值 w m , l ∗ w^*{{m,l}} wm,l∗ 表示为向量形式为:
W = [ w 0 w 1 ⋮ w L − 1 ] ∈ C M L × 1 \mathbf{W} = \begin{bmatrix} \mathbf{w}0 \\ \mathbf{w}1 \\ \vdots \\ \mathbf{w}{L-1} \end{bmatrix} \in \mathbb{C}^{ML \times 1} W= w0w1⋮wL−1 ∈CML×1 其中, w l \mathbf{w}l wl , l = 0 , 1 , . . . , L − 1 l = 0, 1, ..., L - 1 l=0,1,...,L−1表示第 l l l 阶抽头对应的权向量:
w l = [ w 0 , l , w 1 , l , . . . , w M − 1 , l ] T ∈ C M × 1 \mathbf{w}l = [w{0,l}, w{1,l}, ... , w{M-1,l}]^T \in \mathbb{C}^{M \times 1} wl=[w0,l,w1,l,...,wM−1,l]T∈CM×1 将接收信号按照同样方式排列为向量形式,即
x [ n ] = [ x 0 [ n ] x 1 [ n ] ⋮ x L − 1 [ n ] ] ∈ C M L × 1 \mathbf{x}[n]=\begin{bmatrix} \mathbf{x}0[n] \\ \mathbf{x}1[n] \\ \vdots \\ \mathbf{x}{L-1}[n] \end{bmatrix} \in \mathbb{C}^{ML\times 1} x[n]= x0[n]x1[n]⋮xL−1[n] ∈CML×1 其中, x l [ n ] , l = 0 , 1 , . . . , L − 1 \mathbf{x}l[n], l=0, 1,..., L-1 xl[n],l=0,1,...,L−1表示第 l l l 抽头对应的信号向量:
x l [ n ] = [ x 0 , l [ n ] x 1 , l [ n ] . . . x M − l , l [ n ] ] T = [ x 0 [ n − l ] x 1 [ n − l ] . . . x M − l [ n − l ] ] T ∈ C M × L \begin{aligned} \mathbf{x}l[n]&=[x{0,l}[n]\quad x{1,l}[n]\quad ... \quad x{M-l,l}[n]]^T\\ &=[x_{0}[n-l]\quad x_{1}[n-l]\quad ... \quad x_{M-l}[n-l]]^T \in \mathbb{C}^{M\times L} \end{aligned} xl[n]=[x0,l[n]x1,l[n]...xM−l,l[n]]T=[x0[n−l]x1[n−l]...xM−l[n−l]]T∈CM×L 因此,阵列输出可表示为如下的向量形式:
y [ n ] = w H x [ n ] y[n]=\mathbf{w}^H\mathbf{x}[n] y[n]=wHx[n] 不难看出,空域波束形成结构为空时波束形成结构 L = 1 L=1 L=1 时的特殊形式。
权向量的计算公式和文章 卫导调零天线功率倒置算法原理及MATLAB仿真 中的一样,只需要将 r a 0 \mathbf{r}{a0} ra0 和 R a a \mathbf{R}{aa} Raa的计算用空时接收信号向量 x [ n ] \mathbf{x}[n] x[n]计算即可。
二、空时波束形成方向图
\;\;\;\;\; 设空域导向矢量为:
a S ( θ ) = [ 1 , e − j 2 π f τ 1 , ⋯ , e − j 2 π f τ M − 1 ] T \mathbf{a}{S}(\theta)=[1, e^{-j2\pi f\tau{1}}, \cdots, e^{-j2\pi f\tau_{M-1}}]^{\mathrm{T}} aS(θ)=[1,e−j2πfτ1,⋯,e−j2πfτM−1]T 时域导向矢量为:
a T ( f ) = [ 1 , e − j 2 π f T s , ⋯ , e − j 2 π f ( L − 1 ) T s ] T \mathbf{a}{T}(f)=[1, e^{-j2\pi fT{s}}, \cdots, e^{-j2\pi f(L-1)T_{s}}]^{\mathrm{T}} aT(f)=[1,e−j2πfTs,⋯,e−j2πf(L−1)Ts]T 则空时导向矢量 a S T ( θ , f ) \mathbf{a}{ST}(\theta, f) aST(θ,f) 可表示为空域导向矢量和时域导向矢量的克罗内克积 (Kronecker Product), 即
a S T ( θ , f ) = a S ( θ ) ⊗ a T ( f ) \mathbf{a}{ST}(\theta, f)=\mathbf{a}{S}(\theta) \otimes \mathbf{a}{T}(f) aST(θ,f)=aS(θ)⊗aT(f) 则空时方向图为:
P S T ( θ , f ) = w H a S T ( θ , f ) \begin{aligned} P_{ST}(\theta,f) =\mathbf{w}^\mathrm{H}\mathbf{a}_{ST}(\theta,f) \end{aligned} PST(θ,f)=wHaST(θ,f)
三、MATLAB仿真
\;\;\;\;\; 参数设置如下:

\;\;\;\;\; 仿真结果如下,从图中可以看出4阵元能抑制4个干扰,比阵元个数还多1,这就是空时结构的优点,增加了阵列的自由度。


下图是信号参数的计算,在命令行窗口打印显示。

阵元数不变,改为6个干扰,如下:
thetai=[-48 -30 -17 15 30 46]; % 干扰入射角度
四、MATLAB源代码
总结
\;\;\;\;\; 以上就是今天要分享的全部内容,本文介绍了空时波束形成的原理,展示了MATLAB仿真的结果,直观展示了空时波束形成算法抗干扰的效果。
