一、DC-DC电路
在电子电路中,将输入的直流电压 转换为电路中所需要的直流电压的电路被称为DC-DC电源电路。
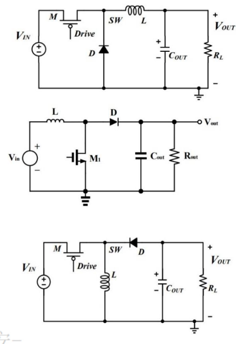
1、buck电路(降压电路)
功能:把12V输入电压转化为5V的输出电压。

上图中电池为12V供电,需要给负载输出5V电压。
当开关闭合时,电源中的电流流过电感,同时给电容充电和给负载供电,由于电感会阻碍电流的变化,产生与电源相反的电压,因此负载两端电压不会上升太快。
当负载两端电压上升到5V左右时,将开关断开。此时的电压曲线如下图所示。
电感作用:防止电流突变,使得电容和电阻两端电压瞬间超过12V。


当开关断开后,电感为了阻碍电流的消失,会感应出相反的电压,这时候的电感就是电路中的电源,给负载供电,通过二极管形成回路,这时的电容也会给电路供电,当电感和电容中的电流慢慢减少时,负载端的电压也会慢慢下降,此时的电压曲线如下图所示。
这里的二极管作用是(1)为了让电感和电容的放电形成回路;(2)开关闭合时,防止电源短路。

不等电压降为0,开关又闭合进行新一轮的充电,这时的电压波形是不断在5V上下波动的,将这个数值平均一下,就差不多是5V电压。

通过调节开关闭合的时间,也就是占空比,来实现输出5V左右的电压。
占空比=输出电压/输入电压=5/12,也就是在一个周期内,5/12的时间闭合开关,7/12的时间断开开关。

这个开关的时间通常是以微秒us为单位的,因此需要用晶体管或者MOS管来替代开关,它能有每秒上万次的开关频率。
2、boost电路(升压电路)
功能:把5V输入电压转化成输出12V电压。

当电路开关闭合时,电源中的电流会通过电感而流向电源负极,这时候电路中的电流会不断增大,在2.2us后,会达到2.4A。

将开关断开后,由于电感的存在,电路中的电流不会突变,电流会流过电阻,此时电阻两端的电压就正好是12V。
当开关闭合后,电路中的a点又和电源负极短接了,电压又变成了0。
此时a点的电压会随着开关的闭合和断开,周期性的波动,如下图所示。

为了得到输出稳定的12V电压,在电路中多加一个电容和二极管。

当开关断开时,电源和电感产生的12V电压不仅会给电阻供电,还会给电容充电。

当开关闭合时,电源电流会给电容充电,然后回到负极,形成回路;电容会放电,继续给电阻提供12V电压,且由于二极管的作用,使得两个回路都单独工作。这样开关不断闭合和断开,就能给负载提供稳定的12V电压。
3、buck-boost电路(升降压电路)

当开关闭合时,电路中的电流方向如蓝色部分所示,电源会给电感充电;
当开关断开时,电路中的电流方向如红色部分所示,电感为了阻碍电流消失,会变成下正上负的电源,从而给电阻供电。
整个电路通过给电感充电的能量来控制电路是升压还是降压。
充电时间 > 放电时间 (开关器件占空比 > 50%) → 升压
充电时间 < 放电时间 (开关器件占空比 < 50%) → 降压
注意:负载两端的电压方向和电源是相反的。

三个DC-DC电路(方便看区别)
二、LDO电路
1、概念
LDO全称低压差线性稳压器,低压差是指输入与输出之间的电压差(Vdrop-out)比较低,线性指内部MOS管工作在线性区,稳压器是指能提供稳压电源。
基本功能:是在一定输入电压变化范围内和负载变化范围内保证稳定的输出电压。

2、工作原理

LDO内部结构可分为四个部分:
(1) 分压采样电路
通过右边两个电阻分压对输出电压进行采集,如果是固定输出的LDO,这两个电阻会被集成到LDO内部,如果是可调LDO,这两个电阻需要根据所需的输出电压去计算并添加。
(2)基准电压
它用于与反馈点进行比较。
(3)误差放大器
可以把它理解为是一个比较器,它会采集分压点的电压(即期望输出的电压)并与基准电压进行比较,再将比较的结果进行放大。
(4)晶体管调整电路
通过误差放大电路的输出,可以控制晶体管的调整程度,进而控制LDO的一个输出电压。