使用背景
物联网开发从0到1研究,以树莓派为基础
场景介绍
系统学习Linux、Python、WEB全栈、各种传感器和硬件
接下来程序猫将带领大家进军物联网世界,从0开始入门研究树莓派。
认识树莓派
正面图示:

1:树莓派简介
树莓派最初由英国 的"Raspberry Pi 慈善基金会 "开发,Eben·Upton/埃·厄普顿为项目带头人。2012年3月,英国剑桥大学埃本·阿普顿(Eben Epton)正式发售世界上最小的台式机,又称卡片式电脑,外形只有信用卡大小,却具有电脑的所有基本功能,这就是Raspberry Pi电脑板,中文译名"树莓派"。
自从树莓派问世以来,经历了A型、A+型、B型、B+型、2B型、3B型、3B+型、4B型、5B型等型号的演进!
树莓派虽然是一块只有银行卡大小的微型电脑主板,但它却具备了PC的功能,可谓是"麻雀虽小,五脏俱全",它内置了Linux操作系统,USB接口,HDMI高清视频接口,以太网口,WiFi和蓝牙模块,以及丰富的GPIO外接引脚,大容量SD卡作为硬盘,可以接显示器、鼠标、键盘,也可以通过网线或WiFi远程桌面连接登录系统,在上面安装各种软件,例如电子表格,网页浏览器,输入法,聊天软件,游戏等我们常见的电脑端软件。
2:树莓派4B图解

3:GPIO扩展接口

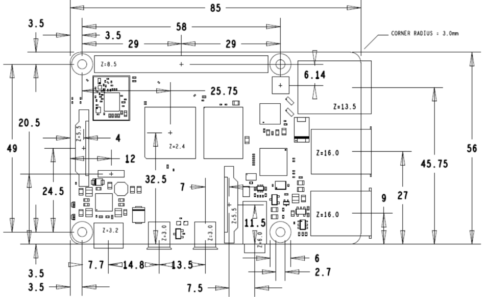
4:4B主板尺寸

5:传感器清单:

6:树莓派能做什么
我们可以用来学习编程、研究自动化、物联网、人工智能等项目,打造家庭影院、无线路由器、BT下载服务器、FTP服务器、代码托管、网络收音机、DIY街机、智能小车、私有云、智能家居、语音交互...
树莓派与个人电脑最大的区别在于,它有丰富的GPIO外接引脚,可用来做各种控制,例如:物联网、自动化、机器人、智能家居、智慧农业等各种智能化领域。它是一个知识体系非常综合的平台,它涉及硬件、软件、编程、控制等多个领域,学习它可以锻炼综合技术能力。
7:我们要学习哪些知识
Linux基础
在树莓派上安装Linux操作系统,它是通过镜像文件和烧录工具傻瓜式安装,非常简单
常用Linux命令,包括文件操作、软件安装等
通过PuTTY登录,开启VNC远程桌面连接,它将方便我们进行文件传输,以及登录系统进行操作
8:树莓派必备配件
1、笔记本电脑
2、TF卡(16g以上SD内存卡)
3、电源充电线,TYPE-C接口
5、5V/3A充电头
6、散热片
7、散热风扇
8、外壳
9、网线
10.HDMI线
9:其他设备
1、显示器(小白建议)
2、面包板、杜邦线
3、各种传感器(16、37、45)
4、摄像头
5、USB转串口