一、政策驱动:新型配电网迎来 "智慧化" 刚需
随着分布式光伏、工商业储能、电动汽车充电桩等新型电力设施大规模并网,传统 10kV 配电网正面临 "高渗透、强波动、多交互" 的运行挑战。2025 年 6 月 1 日正式实施的《配电网通用技术导则》(GB/T 45418-2025)直击痛点,从分布式电源并网、新能源消纳、充换电设施到二次系统协同,全方位提出技术规范,核心目标是推动配电网向可靠供电、清洁能源高接纳、多元负荷灵活适应的智能化、绿色化模式升级。

政策核心要点速览:
分布式电源并网:明确防孤岛保护、电压穿越能力等硬性指标,要求储能接入符合 GB/T 36547 标准;
新能源消纳:强调 "就近接入 + 就地消纳",承载力不足时需改造配电网;
充换电设施:鼓励有序充电、车网互动(V2G),支持配电网功率调节;
二次系统:要求兼容光伏、储能、充电桩的协同控制,实现 "源网荷储" 一体化管理。
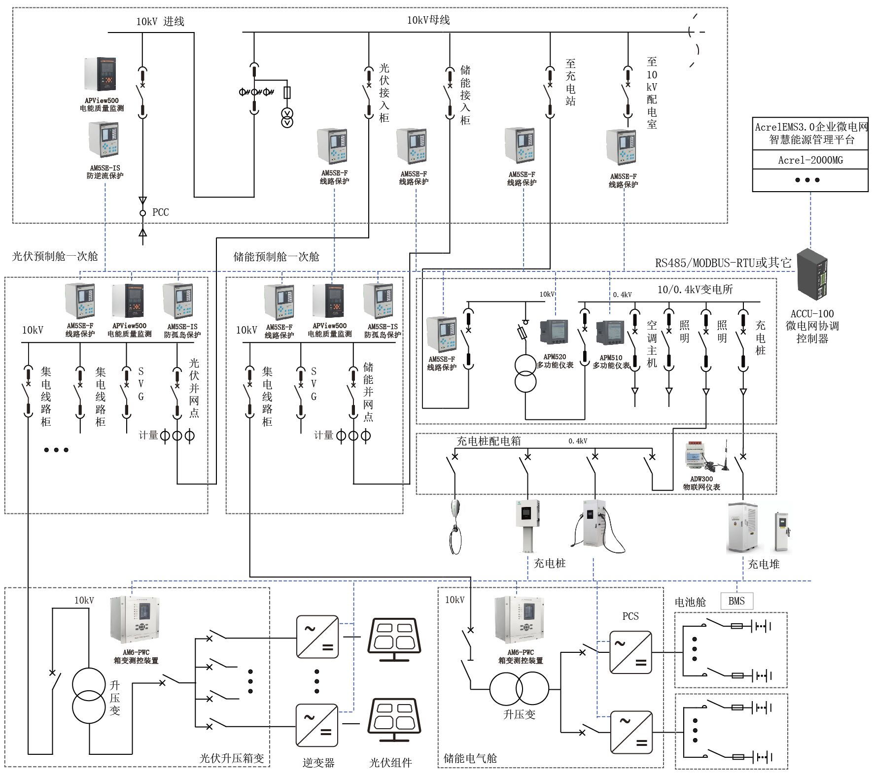
二、安科瑞解决方案:软硬件协同的 "新型配电网基建"
作为新能源配套领域的探索者,安科瑞推出覆盖 "光伏 - 储能 - 充电" 全场景的软硬件一体化方案,构建了新型 10kV 配电网模型,包含 10kV 开闭所、分布式光伏、储能系统、充电站及传统负荷,通过 "保护 + 监测 + 控制 + 云平台" 四层架构实现系统闭环。

- 分布式光伏:从 "即插即用" 到 "精准管控"
针对 400kW-6MW 的 10kV 光伏电站,安科瑞 Acrel-1000DP 监控系统实现 "数据采集 - 安全防护 - 调度对接" 全流程管理:

核心设备:
**AM5SE-IS 防孤岛保护装置:**2 秒内切断非计划孤岛,防止电网事故扩大;

APView500PV 电能质量监测装置:实时监测 2-63 次谐波、电压暂降等 10 + 项指标,保障并网电能质量;

光功率预测系统:结合天气预报和历史数据,实现短时 / 超短时功率预测,误差低于 5%。
安全合规:配置横向隔离、纵向加密装置,满足电网数据安全要求,数据通过 104 协议实时上传调度中心。
2.储能系统:安全为基,智能为核

针对 500kW-5MW 的 10kV 储能系统,方案以 "保护 + 能效 + 协同" 为设计逻辑:
双重保护机制:
AM5SE-IS 防孤岛保护:兼具防逆流监测,确保电网故障时快速解耦;

**AM6-L 微机保护装置:**提供电流电压保护、非电量保护,覆盖储能系统全运行场景。
智能管理中枢:Acrel-2000MG 微电网能量管理系统整合储能、光伏、负荷数据,支持峰谷套利、需量控制、柔性扩容等 8 种策略,例如通过 "谷期充电 - 峰期放电" 降低用户用电成本。

关键监测项:配置直流绝缘监测装置、APView500 电能质量监测装置,实时监控储能系统健康状态。
3.有序充电:从 "野蛮生长" 到 "电网友好"

面对充电桩对配电网的冲击,安科瑞 APSMS 平台通过 "负荷调控 + 价格引导" 实现有序充电:
硬件矩阵:提供 30kW-240kW 全功率段交直流充电桩,支持单枪 / 双枪灵活配置,适配不同车型充电需求;
软件策略:结合变压器负荷率和峰谷电价,动态调整充电功率。例如,当配电网负荷率超过 80% 时,自动限制充电桩功率,避免过载跳闸;谷期电价时段(如 23:00-7:00)优先满功率充电,降低用户充电成本。
三、AcrelEMS3.0 平台:新型配电网的 "智慧大脑"
作为整套方案的核心枢纽,AcrelEMS3.0 智慧能源管理平台通过 "云 - 边 - 端" 三级协同,实现配电网的精细化管理:

- 三层架构解析:
终端层:光伏逆变器、储能变流器、充电桩等设备执行本地控制策略(如 MPPT 最大功率追踪、VSG 虚拟同步机控制);
边缘层:ACCU-100 协调控制器或 Acrel-2000MG 系统实时执行防逆流、新能源消纳、限电模式等本地策略,响应时间<1 秒;
云端层:基于发电预测、负荷预测、电价波动等数据,通过深度学习算法优化全局策略,以 "用电成本最低" 为目标,动态调节光伏出力、储能充放电和充电桩功率。
2.核心功能亮点:

综合监控:一张图展示配电室、光伏、储能、充电桩的实时数据,异常状态(如电压越限、设备温升过高)秒级告警,历史事件可追溯;
能源分析:提供 "能耗 - 效益 - 碳排放" 多维度报表,统计光伏年发电量、储能削峰填谷节约电量、充电桩碳减排量等,辅助用户评估项目收益;
优化调度:以分钟级精度生成功率计划,实现 "源网荷储" 动态平衡。
四、未来展望:从 "单一管理" 到 "虚拟电厂"
随着《导则》推动配电网智能化升级,安科瑞方案正从 "场站级管理" 向 "区域级协同" 延伸。通过 AcrelEMS3.0 平台聚合分布式资源,未来可接入虚拟电厂(VPP)网络,参与电网调峰、需求响应等辅助服务,实现 "用户侧资源 - 配电网 - 大电网" 的三级互动。这不仅将提升新能源消纳效率,更将重构能源市场格局 ------ 每个工商业园区、充电站集群都可能成为灵活可调的 "能源节点",推动电力系统向低碳化、弹性化转型。