01
概述

D2761是为保护芯片后端功放或扬声器而设计的音频限幅芯片, 主要功能是自动控制音频信号的动态范围,防止过大(峰值)的信号导致后级设备产生削波失真或过载。可以将其理解为一个 "自动音量调节器" :当输入信号较小时,它几乎不工作,让信号无损通过;当输入信号超过设定的阈值时,它会自动、迅速地衰减信号的幅度。其输出限幅范围可通过外接电阻来调节, 适合使用在功放产品、音箱产品、个人电脑、 扩音喇叭(大声公)等音响产品中,有SSOP10、 MSOP10、 TSSOP14等形式封装。
02
应用领域

1、功放、音箱产品;
2、个人电脑;
3、扩音器。
03
性能优点

1、通过一颗外接电阻设置,可将输出限制在0.2V~1V;
2、宽输入电压范围:2.7V~13V(典型值5V,极限值14V);
3、输出噪声低: 最大值 -90dBV;
4、处理带宽400~30KHZ;
5、静态电流低,5V工作条件下典型值1.5mA;
6、限幅控制简单,SW引脚小于0.5V限幅功能开启;高于2V限幅关闭;
7、THD总谐波失真度低,部分条件下低于0.02%,最高不超过1%
8、工作温度:-20~+75 ℃;
9、 串扰小于-70 dB;
10、电源纹波抑制比:-70dBV;
11、多种封装形式:SSOP10、 MSOP10、 TSSOP14封装。
04
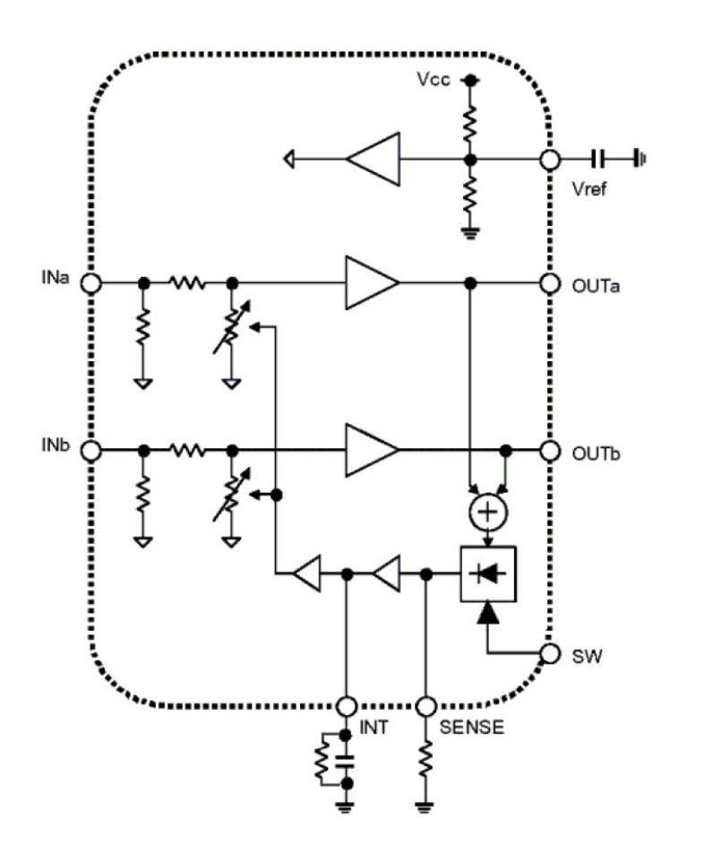
内部结构示意图及引脚分布


内部结构:压控放大器(输入、输出信号通道)+反馈环路(检测信号大小并生成控制电压)。
05
典型应用工作原理

1.压控放大器是一个放大倍数(增益)受一个外部控制电压来线性改变的放大器。
不限幅状态:当SW引脚接高电平(>2V),或输入音频信号低于设定阈值时,压控放大器的增益为1,不放大不缩小,信号无损通过。
限幅状态:当SW引脚接低电平(<0.5V),且输入音频信号高于设定阈值时,压控放大器的增益小于1,从而衰减输出的信号幅度。
2.反馈环路:
信号取样:从压控放大器的输出端取出一部分信号。
整流与滤波:压控放大器的输出经过整流后,和外部连接的电容(INT引脚)进行滤波。INT电容大小决定了响应的速度, INT电容越小,响应越快。
(建议按照典型应用设计原理图)
06
注意事项
1、此芯片适应于左、右双声道音频系统,一般情况下INA/INB会接音频的左、右声道音频信号;特殊情况下如果音频信号只输入到 Ach 或 Bch 中的一个通道时, 设定的极限阈值是设定值的两倍,要特别留意;
2、限幅范围为200mVrms~1Vrms(峰值0.28Vp~1.4Vp),所以RSENSE电阻范围为20k~ 4k,不建议此范围以外的值;
3、可处理的音频信号频域带宽为400~30kHz。