一、谐振变换器介绍
1、PWM变换器的局限性
(1)理想的Buck电路及其输入输出波形如下图所示,电感电流纹波和电容电压纹波均为零,输出侧可等效为电流源,开关状态切换的过程不产生任何开关损耗,然而在实际中,开关的开通和关断过程不是瞬间的(也没办法做到瞬间),开关电流和电压的乘积对时间做积分,就是开关的损耗。

(2)不难发现,当开关频率越来越高时,开关损耗也会随之加大,而开关损耗的发生时间不能缩短,这就意味着一个开关周期内,开关切换所占的时间会越来越高,而PWM变换器正是需要频繁地开与关切换,这就导致其不适合在高频段下工作。

(3)此外,PWM变换器对元件的寄生参数较为敏感(寄生电感、寄生电容,如变压器的漏感、二极管的结电容),因为在高频段中,电路的感抗、容抗对电路的影响占主导地位,元件的寄生参数可能本身并不起眼,但经过高频的放大后,其影响也是不可小觑的(具体可回顾《电路分析》第八章)。

2、电容和电感的实际模型
(1)实际上,电容的实际模型远比想象中的复杂,如下图所示,它存在一个自谐振频率,低于自谐振频率时,频率越高阻抗越低,整体呈现容性,而高于自谐振频率时,频率越高阻抗越高,整体呈现感性,因此,即使是单独的一个电容,它也有适合它的工作频段。

(2)实际上,电感的实际模型也远比想象中的复杂,如下图所示,它也存在一个自谐振频率,低于自谐振频率时,频率越高阻抗越高,整体呈现感性,而高于自谐振频率时,频率越高阻抗越低,整体呈现容性,因此,即使是单独的一个电感,它也有适合它的工作频段。

3、谐振变换器的引入
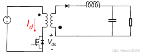
(1)下图所示的是PWM正激变换器,稍微理想些的情况下,MOSFET管开通和关断过程的电流电压变化是比较平稳的。

(2)然而,如果PWM正激变换器工作在高频段,将会出现以下问题:
①受寄生参数的影响,MOSFET管开通和关断过程的电流电压将产生严重的振荡,如果电压的振荡导致器件突破其耐压值,将会引起器件损坏等严重后果。
②在PCB板中,上下两层如果有导线交叠,那么交叠部分也可存在电容效应,高频的分量将会通过电容传递,从而产生严重的互相干扰,当然,这在设计PCB时尽量避免导线交叠即可;此外,如果一条回路越长,那么回路上的噪声会越严重,这并不难理解,这需要在设计PCB时尽量避免高频线的回路过长。

(3)为了解决PWM正激变换器工作在高频段中的严重振荡,谐振变换器油然而生,它可以消除开关损耗(不过导通损耗会相应地增加)、噪声,能够工作在高频段,同时其体积也比PWM变换器更小、更加轻量化。
4、谐振变换器的大体结构
谐振变换器的大体结构如下图所示
首先电压源或电流源的输入经过逆变器处理
然后通过一个基本谐振单元(带通滤波器)进行滤波处理,保留大部分基波分量(带通滤波器增益峰值处的频率并不等于基波频率,二者存在偏移,可能左偏也可能右偏),谐波分量可能不能全部消除,但也会得到有效抑制
滤波处理后再由整流器处理,得到最终输出

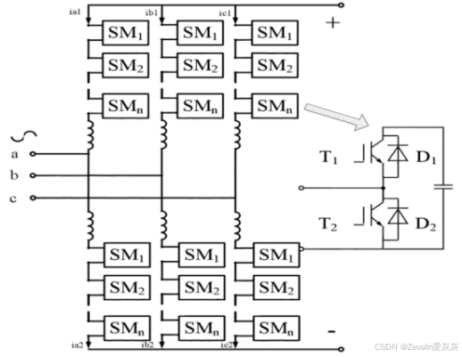
5、多电平模块化转换器
由于谐振变换器的体积小,它往往不适合用于大功率场合,但实际上可以通过对若干谐振变换器进行"模块化堆叠"(多电平模块化转换器MMC),使其能够处理大功率场合的需求

二、串联谐振变换器(SRC)
1、基本模态
(1)最原始的串联谐振变换器直接将电容、电感和电阻串联,如下图所示,它能够实现软换流(即没有突变的电流出现),且开关损耗低,但该电路并不能使用,因为它对负载阻值的变化特别敏感,当负载阻值变大时,电流电压波形将会变形,谐振现象会越来越弱,这并不难理解,谐振本身可以看作是一种"无功交换",即不消耗功率,而阻性负载是具有热功率的。

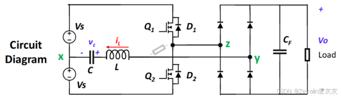
(2)改善后的串联谐振变换器如下图所示,其中灰色电阻为原始的串联谐振变换器中的电阻,在改善电路中不存在,它会演变为z点和y点间的开关网络,而Q1管和Q2管虽然用MOSFET的符号示出,但实际上它可以替换为其它开关元件,前提是能够工作在相应的开关象限。


(3)串联谐振变换器的基本模态:




(4)根据谐振变换器的四个基本模态,可以对等效电路做进一步简化,如下图所示。

(5)当负载电阻足够大时,串联谐振变换器会工作在断续模式,"断续状态"是由二极管阻断电感电流反向引起的,该状态下谐振腔开路,电容电压保持不变。

2、软开关
(1)软开关技术是利用电路拓扑自身特性弥补器件缺陷的一项技术,软开关主要分为两类------零电流开关(ZCS)与零电压开关(ZVS):



理想情况下,开关的状态切换过程应呈现下图所示的第一个波形,开关状态切换过程中是没有任何开关损耗的;然而,现实中往往都是非理想情况,在开关器件开通和关断的过程中,往往伴随着开通损耗和关断损耗,这部分损耗的表现是开关端电压与电流的乘积对时间的积分不等于零

开通损耗取决于开关开通时端电压的大小,如果希望消除开通损耗,则需设计零电压开关,将开关的端电压先降为零(开关元件的寄生电容放电),再使开关通过电流;关断损耗取决于开关关断时电流的大小,如果希望消除关断损耗,则需设计零电流开关,将开关的电流先降为零(将开关元件的导电沟道关闭),再使开关承受电压
不同的开关器件其主导损耗不同,一些开关以开通损耗为主(如氮化镓),另一些开关以关断损耗为主(如二极管),在设计软开关时,可根据器件特性专门消除一种开关损耗(往往只能同时消除一种)
(2)软开关实现过程:
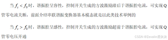
①以最原始的串联谐振变换器介绍软开关的实现过程,如下图所示,当开关频率等于谐振频率时,电路呈阻性,电路与电压同相。

②当开关频率大于谐振频率时,实现的是零电压开关(ZVS),以其中一个半周期为例,下图所示的绿色部分是Q1关断、Q2开通的时区。

状态1中,Q1管开通、Q2管关断,此时电感电流的方向为正向,Q1的体二极管D1承受0V的反向偏压,Q2的体二极管D2承受的反向偏压,它们都是截止的

状态2中,Q1管关断、Q2管关断,此时开关轮换处于"死区",Q2的体二极管D2的结电容放电,相当于给电感续流,电感电流的方向仍旧为正向,Q1的体二极管承受的反向偏压,它是截止的,同时其结电容被充电

状态3中,Q1管关断、Q2管开通,此时电感电流的方向为负向,Q2的体二极管D2承受0V的反向偏压,Q1的体二极管D1承受的反向偏压,它们都是截止的

在实际中,从状态2切换到状态3很难做到无缝衔接,因为D2结电容完成放电的时间难以估算,所以往往在控制时需要留有余量,当结电容完成放电后允许间隔一小段时间再开通Q2管,虽然这也会增加开通损耗,但相比于结电容未完成放电即开通Q2管,前者的开通损耗会更小
另一半周期的工作流是相似的,这里不再重复赘述
③当开关频率小于谐振频率时,实现的是零流压开关(ZCS),以其中一个半周期为例,下图所示的绿色部分是Q1关断、Q2开通的时区。

零电流开关的工作流相对简单,由于电流超前电压,因此Q1管的关断时机只要安排在电感电流超越零点之后即可,哪怕Q2管开通前会存在"死区",Q1的体二极管D1的结电容也能起到续流的作用
另一半周期的工作流是相似的,这里不再重复赘述
3、状态轨迹
(1)串联谐振变换器的状态轨迹推导:


(2)举例说明外部激励对串联谐振变换器的影响:




(3)结合之前的基本模态分析,不管是主动开关或是被动开关的导通状态发生变化,对于负载而言,都是激励发生变化,变化时的电感电流和电容电压即为初始条件,由此可以得出变化后的状态轨迹,状态轨迹需要遵循开关器件的工作象限。





(4)将4个状态的轨迹组合在一起看,对于稳态下一个完整的开关周期来说,其状态点可以在4条轨迹上轮流运动,轨迹交点处进行开关状态的切换,即更换运动轨迹,如下图所示。


连续模式下可以从状态轨迹中获取两点间经过的时间,但断续模式下是不可行的,当电路处于"断续状态"时,状态点会滞留在状态轨迹的某个位置不动作

(5)需要说明的是,谐振变换器的状态轨迹存在无穷多个稳态解,每一个稳态解(封闭状态轨迹)对应一个唯一的频率、平均负载电流和谐振腔能量水平。
4、增益
(1)为了更方便地分析串联谐振变换器的电压增益,可以对其负载做一个等效替换,将原本通过开关网络连接的电阻直接等效为一个简单的电阻。


(2)基于上一步的负载简化,可以得到以下简化的等效电路,电压增益也就呼之欲出。

求解此电路的电压增益做了非常多的近似,后端的整流器和前端的逆变器全都被等效简化,因此这个电压增益实际上是针对谐振腔的增益
(3)不失一般性,定义自谐振频率、特征阻抗
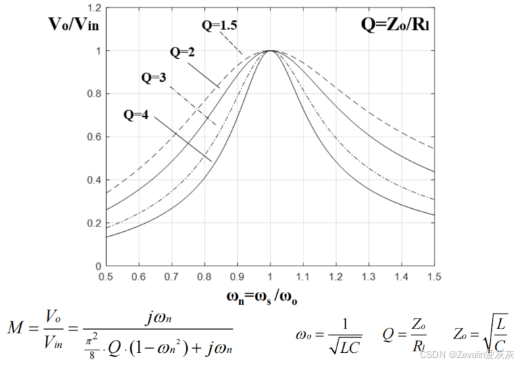
后,所有串联谐振变换器的电压增益都可近似地表示如下(实际增益和近似增益相近,但计算远比近似增益复杂得多)。

虽然开关频率设定在谐振频率处可使得电压增益为1,但实际往往不会这样,通常二者之间存在偏移,电压增益不为1,电路将产生无功功率,这部分无功功率是实现软开关所导致的
(4)当开关频率与谐振频率产生偏移时,偏移量越大,谐振腔的谐振现象越弱,近似增益与实际增益的误差越大。

5、设计方法
(1)下图所示的是常见的串联谐振变换器电路拓扑。

(2)设计步骤举例:



三、并联谐振变换器(PRC)
1、基本模态
(1)下图所示的是并联谐振变换器的电路拓扑,负载网络与电容C并联,如果谐振腔中的电容与负载侧的电容直接并联,由于负载可等效为电压源,这会导致谐振腔中的电容失效,对此需要在输出侧加设感值很大的电感
。

(2)由于输出侧大电感的存在,负载可等效为电流源,借鉴串联谐振变换器的分析方法,不难得出并联谐振变换器的等效电路如下图所示。

(3)根据开关支路的导通性和负载电流的方向(负载电流本身不会换向,但是等效到与谐振电容并联的支路电流会换向),可将并联谐振变换器的工作状态划分为如下4种,需要说明的是,不同开关器件的导通状态切换,对于电路状态来说,可能是没有变化的(简单说,等效电路一致的状态,都算同一个状态),这是与串联谐振变换器的差异之一。

(4)并联谐振变换器同样可能会工作在断续模式,其可能出现的额外状态较多,这里不进行一一介绍。

2、软开关
前面介绍并联谐振变换器基本模态是以ZVS技术举例的,同样的,并联谐振变换器还可以实现ZCS

3、状态轨迹
(1)并联谐振变换器的状态轨迹推导:


(2)结合之前的基本模态分析,对于负载而言,只要激励发生变化,变化时的电感电流和电容电压即为初始条件,由此可以得出变化后的状态轨迹,状态轨迹需要遵循开关器件的工作象限。




(3)将4个状态的轨迹组合在一起看,对于稳态下一个完整的开关周期来说,其状态点可以在4条轨迹上轮流运动,轨迹交点处进行开关状态的切换,即更换运动轨迹,如下图所示。

4、增益
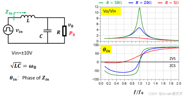
并联谐振变换器的电压增益及电压与电流的相位差与开关频率的关系如下图所示,从图中可以得出,无法根据电压增益随开关频率的变化趋势或电压与电流的相位差随开关频率的变化趋势判断电路当前实现的是ZVS还是ZCS


5、设计方法
(1)下图所示的是常见的并联谐振变换器电路拓扑(无变压器)。

(2)设计步骤举例:



6、两种并联谐振变换器
前面介绍的并联谐振变换器都是负载与谐振腔的电容并联,实际上,并联谐振变换器的形式还可以时负载与谐振腔的电感并联

对于第一种,当开关频率比较小时,激励接近直流,电感通直流,电容隔直流,因此电压增益在1处收敛;当开关频率比较大时,电感隔交流,电容通交流,电感获得大量分压,因此电压增益逐渐趋近于0;当开关频率处于谐振频率附近时,谐振腔能最大限度地做能量交换,因此电压增益将达到峰值
对于第二种,当开关频率比较小时,激励接近直流,电感通直流,电容隔直流,电容获得大量分压,因此电压增益逐渐趋近于0;当开关频率比较大时,电感隔交流,电容通交流,因此电压增益在1处收敛;当开关频率处于谐振频率附近时,谐振腔能最大限度地做能量交换,因此电压增益将达到峰值