一、稳态分析
1、小纹波近似

2、稳态下的原则
(1)电感的伏秒平衡:


(2)电容的电荷平衡:

3、纹波计算
(1)在基础篇中,求解一个变换器器件的纹波步骤如下:
①一个合理的变换器,必须有输出电压远大于纹波,因此可对输出电压使用小纹波近似。
②使用子状态法写出每个子状态下的电路方程,获取各元件的电流、电压表达式。
③根据元件的电流、电压表达式及元件的伏安特性,借助数形结合法求出电感电流的纹波及电容电压的纹波。
(2)以上步骤细看可能会引发疑问,对输出电压使用小纹波近似,结果又反求输出电压的纹波,直觉上形成左右脑互搏,这里需要说明的是,对输出电压使用小纹波近似,是为了更方便地求出其它元件的直流量,这与纹波分析并不冲突,当然,既然应用了近似的求解方法,结果难以避免地会存在误差,但是是在可接受范围内的。
二、非连续导电模式
1、断续模式(DCM)的概念及发生原因
(1)在某些电路中,电感电流或电容电压的纹波分量可能会引起开关电流会电压的极性反转,从而违反了在实现开关时所做的单向电流或单向电压的假设,这时称之进入断续模式。
(2)断续模式通常发生在具有单象限开关的直流-直流转换器和整流器中,也可能发生在具有双象限开关的转换器中。
2、断续模式的分析
(1)以下图所示的Buck电路为例,其中二极管是一个单象限开关。

(2)在纹波分量远比直流分量小的前提下,对其进行动态分析:

(3)在以上分析的基础上,降低负载电流(提高负载阻值),使二极管电流的最小值为零,电感电流的直流分量等于纹波分量幅值,对其进行动态分析:


(4)在以上分析的基础上,继续降低负载电流(提高负载阻值),使电感电流的直流分量小于纹波分量幅值,对其进行动态分析:


3、断续模式和连续模式的边界条件
(1)以上述的Buck电路为例继续介绍,从上面的分析可知断续模式和连续模式的边界。

(2)电感电流的直流分量和纹波分量都可使用控制参数和硬件参数进行展开,由此可得出Buck电路进入断续模式的条件。


(3)Boost电路、Buck-Boost转换器的边界条件可用同样的方法推导,结果如下表所示。

三、开关
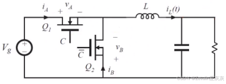
1、单级单掷开关(SPST)
(1)对于一个单级开关,其电压和电流的极性是已定义的,其导通状态可能取决于施加的电压或电流,不过需要说明的是,这里的开关指的是理想开关,也就是说,当开关存在非零电压或非零电流时,相应地其电流或电压为零,一般认为开关接合时(可能)有电流且无电压,开关断开时无电流且(可能)有电压。

(2)单刀双掷开关有两种不同的状态(也可认为有三种,第三种即为悬空,不连接位置1和位置2,但一般不讨论),而将其转换为两个单级单掷开关后,它们经过排列组合可以有四种不同的状态。

2、功率器件的运行象限
(1)二极管的运行象限:
①二极管属于单象限被动开关,可以导通正向导通电流,可以阻断负向的关断状态电压,如果预期的开关导通和关断工作点位于二极管的伏安特性上,那么开关可以用二极管实现。

②对二极管电流和电压方向的定义不同,那么二极管的运行象限也随之不同,如下图所示。

(2)BJT和IGBT的运行象限:
①BJT和IGBT都是由终端(设为G)控制的单象限有源开关,可以导通正向导通电流,可以阻断正向的关断状态电压,如果预期的开关导通和关断工作点位于晶体管的伏安特性上,那么开关可以用BJT或IGBT实现。

②对BJT/IGBT电流和电压方向的定义不同,那么BJT/IGBT的运行象限也随之不同。
(3)MOSFET的运行象限:
①MOSFET是由终端(设为G)控制的有源开关,可以导通正向导通电流,在某些情况下也可以导通负向电流,可以阻断正向的关断状态电压,如果预期的开关导通和关断工作点位于MOSFET的伏安特性上,那么开关可以用MOSFET实现。

②对MOSFET电流和电压方向的定义不同,那么MOSFET的运行象限也随之不同。
3、开关实现使用的元件选择
(1)在基础篇中,曾介绍道开关实现使用的元件选择需要考虑运行象限,当然,这并没有错,但在考虑运行象限的同时,还需要考虑开关的损耗。
(2)Buck电路中的开关元件可以使用BJT和二极管实现,然而,当目标输出电压为1V时,此时电路中的二极管的压降无法忽略,这就导致半导体开关的损耗较为严重,对此可以将其替换为损耗更小的MOSFET管,其导通电阻小,损耗比较理想,只要控制其模仿二极管的开关行为即可,当然,代价是需要使用额外的控制信号控制其开通或关断。


四、变换器衍变操作
1、反向连接


2、级联连接

3、开关网络旋转
(1)开关网络的概念:
开关网络并不是有规定的几种,其构成是任意的,如下图所示,将电感和单刀双掷开关视为一个三端子单元,它可以以三种不同的方式连接在电源和负载之间

上图由Buck电路改制,当连接方式为"a-A b-B c-C"时为Buck电路,当连接方式为"a-C b-A c-B"时为Boost电路,当连接方式为"a-A b-C c-B"时为Buck-Boost电路,改变连接方式,本质上就是对开关网络进行旋转
(2)开关网络分析:

(3)开关网络旋转对电路的影响分析:
继续以前面Buck电路的改制电路为例进行分析


(4)其它开关网络:
本章仅介绍最简单的开关网络,前面以一个电感和一个单刀双掷开关构成的开关网络为例进行介绍,同样的,最简单的开关网络还有以一个电容和一个单刀双掷开关构成的开关网络,如下图所示

上图由带LC滤波器的Buck电路改制,当连接方式为"a-A b-B c-C"时为带LC滤波器的Buck电路,当连接方式为"a-C b-A c-B"时为带LC滤波器的Boost电路,当连接方式为"a-A b-C c-B"时为Cuk电路
电感和单刀双掷开关构成的三端子单元使用伏秒平衡分析,那么相应地,电容和一个单刀双掷开关构成的三端子单元则需要使用电荷平衡分析,需要注意电流的参考方向,具体分析过程此处不再进行赘述
4、差分连接


五、DC/DC变换器
1、变压器模型
(1)理想变压器模型:


(2)实际变压器模型:


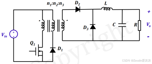
2、正激变换器
(1)下图所示的是正激变换器的原理图,它是基于Buck电路的隔离型转换器,其工作的最大占空比有限值,在晶体管关闭时需重置变压器。

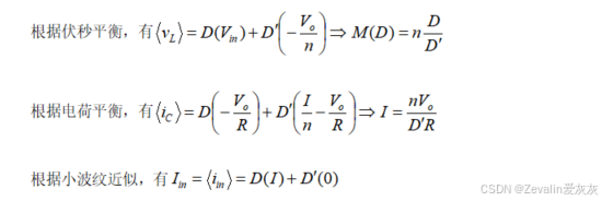
(2)正激变换器模型的分析:






(3)在设计正激变换器时,需要注意器件的能力阈值(实际上,设计任何变换器都应当注意),所以在进行模型分析时,应该求出每个器件可能承受的最大电压/电流,在进行器件选型和匝数比设计时,需要保证器件在模型中工作永远不会超过能力上限。
3、反激变换器
(1)下图所示的是反激变换器的原理图,它是基于Buck-Boost电路的隔离型转换器。

(2)反激变换器模型的分析:
反激变换器的模型如下图所示



(3)反激变换器不存在"变压器重置"的状态,因此它不适用于大功率场合。
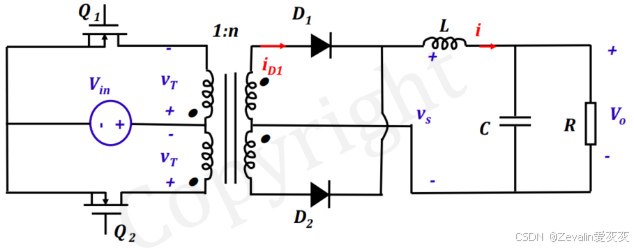
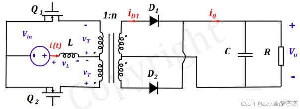
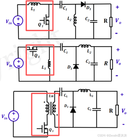
4、桥式隔离降压变换器
下图所示的分别是全桥隔离降压变换器的原理图,它是基于Buck电路演变的全桥式隔离型转换器

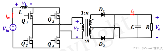
5、推挽隔离降压变换器
下图所示的是推挽隔离降压变换器的原理图,它的工作原理和全桥隔离降压变换器十分类似,可以认为是全桥隔离降压变换器的改版,牺牲变压器的复杂度减少有源开关的使用

6、桥式隔离升压变换器
下图所示的是全桥隔离升压变换器的原理图,它是基于Boost电路演变的全桥式隔离型转换器

7、推挽隔离升压变换器
下图所示的是推挽隔离升压变换器的原理图,它的工作原理和全桥隔离升压变换器十分类似,可以认为是全桥隔离升压变换器的改版,牺牲变压器的复杂度减少有源开关的使用

8、构建隔离型变换器的方法案例
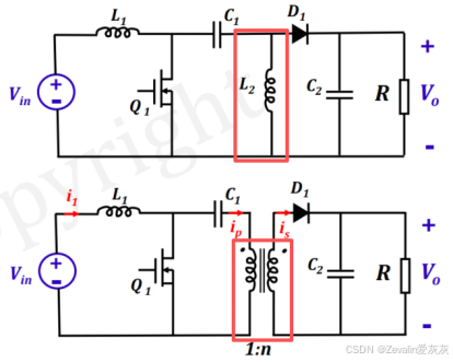
(1)以SEPIC变换器为例,介绍通过将电感元件替换为带励磁电感的变压器构建隔离型变换器。
①直接将电感元件替换为带励磁电感的变压器:

②调整晶体管和电感元件的位置,再将电感元件替换为带励磁电感的变压器:

(2)以Cuk变换器为例,介绍通过在电容元件中插入带励磁电感的变压器构建隔离型变换器。
将一个电容串联拆分为两个电容,在它们之间并入一个带励磁电感的变压器:

(3)构建隔离型变换器时务必注意,插入变压器相当于在等效电路插入了励磁电感,必须要保证励磁电感在工作过程中不会饱和,也即满足伏秒平衡原则。
六、整流器
1、单相不可控整流器
(1)下图所示的是纯电阻负载的单相半波整流器原理图及其输入输出波形,其中使用的是"理想二极管",认为其正向导通电压为0。

(2)下图所示的是纯电阻负载的两种全波整流器原理图及其输出波形(输入波形与上面一例相同),其中使用的均为"理想二极管",认为它们的正向导通电压均为0。

(3)当负载是电感与电阻串联时,单相半波整流器原理图及其输入输出波形如下图所示。

(4)当负载有电感且电感值很大时(感值越大,纹波越小),应用小波纹近似,可将它视为电流源(理想电流源无内阻,其自身不会产生压降),于是二极管整流桥电路原理图及其输入输出波形如下图所示(图一为纯电阻负载,图二为有大电感负载)。

(5)当负载是电容与电阻并联,且负载电容的容值非常大时,二极管整流全桥电路原理图及其输入输出波形如下图所示如下图所示。

(6)下图所示的是带电容负载的二极管整流全桥电路原理图及其输入输出波形,与上面不同的是,此处暂不考虑输入侧寄生电感和寄生电阻的影响,讨论的电容负载其容值并非无穷大,那么电容电压的纹波便会影响二极管的导通状态。

(7)下图所示的是带电容负载的二极管整流全桥电路原理图及其输入输出波形,与上面不同的是,输出侧增加了一个电感元件,它负责削弱电流尖峰,同时也能起到降低损耗的作用。

2、三相不可控整流器
(1)下图所示的是负载为纯阻性的最简单的三相全桥整流电路原理图及其输入输出波形。

(2)下图所示的是负载为感性且电感感值非常大的最简单的三相全桥整流电路原理图及其输入输出波形,由于电感感值非常大,因此可将其等效为电流源,由于电流源与电阻都不主动输出电压,因此二极管的导通规则和负载为纯阻性的三相全桥整流电路是一样的,根据二极管的导通规则,自然可以得出输入三相电的电流波形。

(3)当负载是电容与电阻并联时,三相全桥整流电路原理图及其输入输出波形如下图所示如下图所示。

3、单相可控整流器
(1)下图所示的是负载为纯电阻的单相半波可控整流器原理图及输入输出波形。

(2)下图所示的是负载为电阻串联电感的单相半波可控整流器原理图及输入输出波形。

(3)下图所示的是负载为纯电阻的单相桥式全控整流器原理图及输入输出波形。

(4)下图所示的是负载为电阻串联电感的单相桥式全控整流器原理图及输入输出波形,假设电感感值非常大,那么输出电流可视为是恒定的。

(5)下图所示的是负载为电阻并联电容的单相桥式全控整流器原理图及输入输出波形,假设电容容值非常大,那么电容两端电压可视为是恒定的。

(6)下图所示的是负载为纯电阻的单相全波可控整流器原理图及输入输出波形。

(7)下图所示的是负载为电阻串联电感的单相桥式半控整流器原理图及输入输出波形。

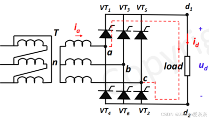
4、三相可控整流器
(1)下图所示的是负载为纯电阻的三相半波控制整流器原理图,具体输入输出波形与晶闸管的控制有关,详情可回顾基础篇,此处不过多赘述。

(2)下图所示的是负载为电阻串联电感的三相半波控制整流器原理图,当电感感值非常大时,可认为输出电流恒定不变,具体输入输出波形与晶闸管的控制有关,详情可回顾基础篇,此处不过多赘述。

(3)下图所示的是负载为纯电阻的三相全桥控制整流器原理图,具体输入输出波形与晶闸管的控制有关,详情可回顾基础篇,此处不过多赘述。

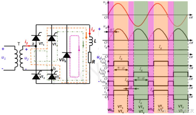
(4)下图所示的是负载为电阻串联电感的三相全桥控制整流器原理图,当电感感值非常大时,可认为输出电流恒定不变,具体输入输出波形与晶闸管的控制有关,详情可回顾基础篇,此处不过多赘述。

七、方波逆变器
1、单相全桥电压型逆变器
(1)下图所示的是单相全桥电压型逆变器的原理图,直流输入侧为恒定电压,交流输出侧为方波或准方波电压,电流由负载决定,IGBT在功率正向流动(功率输出)时导通,IGBT反向并联的二极管在功率反向流动(功率回收)时导通。

(2)分析单相全桥电压型逆变器时,可将并联的IGBT与二极管视为一个整体的开关,它们按照对角线分为两组,交流输出为方波电压时,两组开关在一个开关周期内交替导通。

2、单相半桥电压型逆变器
(1)下图所示的是单相半桥电压型逆变器的原理图,直流输入侧为恒定电压,均分在两个串联的电容上,交流输出侧为方波或准方波电压,电流由负载决定,IGBT在功率正向流动(功率输出)时导通,IGBT反向并联的二极管在功率反向流动(功率回收)时导通。

(2)分析单相半桥电压型逆变器时,可将并联的IGBT与二极管视为一个整体的开关,交流输出为方波电压时,它们在一个开关周期内交替导通。

3、推挽电压型逆变器
下图所示的是推挽电压型逆变器的原理图,它相当于单相全桥电压型逆变器的变式,使用变压器替代了两对开关组件,其中输入侧变压器的抽头处于中间位置,输入输出匝数比为2:1,在对其做分析时,同样可以把并联的IGBT与二极管视为一个整体的开关,交流输出为方波电压时,它们在一个开关周期内交替导通

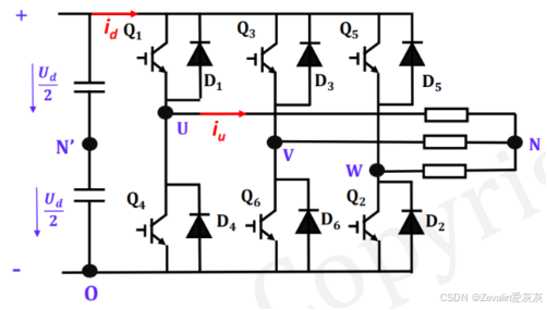
4、三相电压型逆变器
(1)下图所示的是三相电压型逆变器。

(2)N点电压分析:


5、单相全桥电流型逆变器
(1)下图所示的是单相全桥电流型逆变器的原理图,直流输入侧串联一个高阻抗的电感,可认为输入电流为恒定电流,交流输出侧电流为准方波电流。由于恒定电流不能断路,因此必须保证任何时候上下都有晶闸管导通,这里与电压型逆变器不同的是,电压型逆变器要求"换管"时同一垂线上的IGBT不能同时导通,而电流型逆变器要求"换管"时同一垂线上的晶闸管需要同时导通,以实现电流换向。

(2)体现输出侧的漏感,如下图所示,晶闸管的开关频率略高于谐振频率。

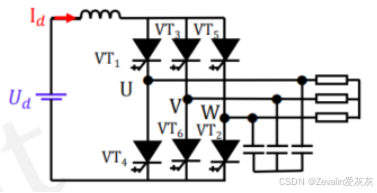
6、三相全桥电流型逆变器
(1)下图所示的是晶闸管实现的三相全桥电流型逆变器原理图,其分析方法与单相全桥电流型逆变器类似,此处不再过多赘述。

需要注意的是,当线电流突变时,根据电容的伏安特性表达式,不难理解线电压出现毛刺的原因

(2)下图所示的是二极管和晶闸管实现的三相全桥电流型逆变器原理图,其输入输出波形与晶闸管实现的三相全桥电流型逆变器基本一样。

八、PWM逆变器
1、脉宽调制的基本原理
(1)等面积原理:当输入信号具有相同的面积和持续时间时,响应往往相同。
(2)应用等面积原理,可以使用一系列占空比不同的脉冲来表示半正弦波,如下图所示。

(3)单极PWM调制与双极PWM调制:
①基于前面半正弦波的调制,还可以使用一系列占空比不同的"负"脉冲来表示半正弦波,两两组合,就是单极的PWM调制。

②基于前面半正弦波的等效,还可以使用一系列占空比不同的脉冲来表示正弦波,这就是双极的PWM调制,一般双极的PWM调制更常用。

(4)直流PWM调制与交流PWM调制:
①直流PWM调制:受调制的电流为直流量,设定一个子周期(载波周期)和PWM输出信号周期(调制波周期),每个子周期内按不同占空比"切割"直流量,即可实现直流PWM调制。

②交流PWM调制:受调制的电流为交流量,设定一个子周期(载波周期)和PWM输出信号周期(调制波周期),每个子周期内按不同占空比"切割"交流量,即可实现交流PWM调制。

2、PWM波的调制
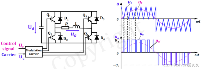
(1)使用单相全桥电压型逆变器实现双极PWM调制的电路图如下,其中为调制波,频率与期望获得的输出电压相同,
为输入控制器的控制信号(也称为载波)。


(2)使用单相全桥电压型逆变器实现单极PWM调制的电路图如下,其中为调制波,频率与期望获得的输出电压相同,
为输入控制器的控制信号(也称为载波)。




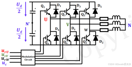
(3)使用三相电压型逆变器实现PWM调制的电路图如下,其中、
、
分别为与期望获得的三相输出电压频率相同的调制波,
为输入控制器的控制信号(也称为载波),它的控制方式和单相逆变器是类似的,可以参考使用单相全桥电压型逆变器实现单极PWM调制的改善控制方式,控制U、V、W三点的电压,进而控制相电压。


3、开关频率对谐波分量频率的影响
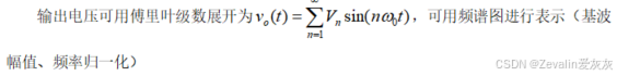
(1)使用单相全桥电压型逆变器实现双极PWM调制,其输出波形如下左图所示,假设载波频率为5kHz,基波(调制波)频率为50Hz,那么载波调制比为100,对输出波形做傅里叶级数展开,可以得到其频谱如下右图所示,其中为期望输出电压波形的幅值(归一化),每个不同的
对应一个具体的例子。

不难发现,输出电压中除了基波分量以外,还有非常多的谐波分量,高次谐波可使用低通滤波器滤除,而低次谐波与基波的频率相近,对此可以提高开关频率,这样最低频率的谐波分量的频率也会与基波频率相差不少,低通滤波器的设计压力将会降低
除此之外,还能发现当期望输出电压波形的幅值越低时,低频谐波的幅值将增大,当为0时,实际输出电压波形为等宽脉冲方波
(2)单极PWM调制与双极PWM调制的谐波分析:
①双极PWM调制的谐波分析:
如果选择载波调制比为奇数,且控制三角波与调制信号同步,那么输出的PWM波具有奇数四分之一波对称性



②单极PWM调制的谐波分析:
单极PWM调制相较于双极PWM调制,其输出电压的谐波频率将翻倍(相同参数下)

如果选择载波调制比为偶数,那么第一组谐波将在2倍载波频率附近出现,可用频谱图进行表示(基波幅值、频率归一化),不难发现,对单极PWM调制输出的波形设计低通滤波器,设计难度将会更低

4、超调产生的谐波
(1)当调制波的幅值高于载波时,将会引发超调,这时将会产生幅值较高的低频谐波,如下图所示。

(2)根据超调程度不同,可根据载波调制比划分三个不同的区间,如下图所示,依次为线性区(无超调的PWM调制)、超调区(带超调的PWM调制)和方波区(退化为方波逆变器)。
