一、非隔离型DC-DC变换器
1、单电感变换器
(1)单电感变换器指的是源端和负端之间的电感数量为1的变换器。
(2)单电感变换器的实现方式有限,在简化冗余后,可得八种变换器:
①DC-DC降压变换器:

②DC-DC升压变换器:

③DC-DC反相降压升压变换器:

④DC-DC非反相降压升压变换器:

⑤DC-AC桥式变换器:

⑥DC-AC沃特金斯-约翰逊变换器:

⑦AC-DC电流馈电桥式变换器:

⑧AC-DC沃特金斯-约翰逊逆变器:

2、双电感变换器
(1)双电感变换器指的是源端和负端之间的电感数量为2的变换器。
(2)比较典型的双电感变换器有如下几种:
①Cuk电路:

②SEPCI电路:

③SEPCI的逆系统电路:

④Buck平方电路:

3、单开关变换器
(1)单开关变换器指的是源端和负端之间的有源开关数量为1的变换器。
(2)比较典型的单开关变换器有如下几种:

4、使用耦合电感模型简化变换器


二、常见隔离型DC-DC变换器
1、隔离型变换器的概念及分析方法
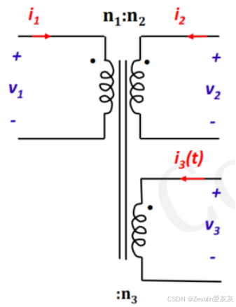
(1)变压器可以有多个负端绕组(也可以有多个源端绕组),如下图所示,负端的线圈匝数不同,相应地也会有不同的输出电压。

(2)将变压器的励磁电阻等效在源端,如下图所示,根据基尔霍夫电流定律,可以得出,它的分析和一个负端的变压器分析是类似的,稳态下励磁电阻遵循伏秒平衡原则。

(3)通过加塞变压器模型,可以将电路进行"分割",这就引出了隔离型变换器的概念。
(4)"变压器复位"是通过励磁电感伏秒平衡来实现的机制,它能将变压器恢复到起始状态,主要用于防止励磁电感饱和,通过在每个开关周期结束时将变压器伏秒数(可认为是电感的剩余能量)重置为零实现。
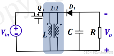
2、正激变换器
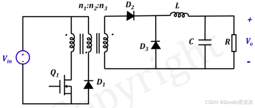
(1)下图所示的是正激变换器的原理图,它是基于Buck电路的隔离型转换器,其工作的最大占空比有限值,在晶体管关闭时需重置变压器。

(2)从Buck电路演变到正激变换器:
①晶体管输出的电压为交流量,对此可在二极管前插入一个变压器。

②当电路处于稳态时,负端可等效为电压源,当源端不工作时,负端将产生一个流向源端的电流,对直流电流而言,电感视为短路,此时电流将通过变压器回灌源端,而源端没有负载,这部分功率无器件消耗,这是不被允许的,为了防止回灌,可在变压器输出侧增加一个整流二极管。

③晶体管开通时,门极电压需要高于源极电压,如果将其置于变压器"高侧",那么开通晶体管的门极电压也会比较大,对此可以将晶体管置于变压器"低侧",除了开通晶体管的门极电压降低以外,电路本身是不受影响的。

④为了防止变压器的励磁电感饱和,需要增加复位电路用于对变压器进行复位,如下图所示。

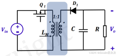
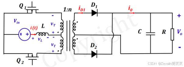
(3)正激变换器模型的分析:
正激变换器的模型如下图所示,根据基尔霍夫电流定律,有(流入参考点的电流总和为0),要想分析这个模型,首要关注的是模型中的储能元件,也就是励磁电感和负端的电感

先给出结论,一个开关周期内,励磁电感两端电压、励磁电感电流和二极管D3两端电压的波形如下图所示,励磁电感电流与二极管D1配合工作,处于断续模式,负端滤波电感与二极管D3配合工作,可能处于连续模式,也可能处于断续模式





(4)在设计正激变换器时,需要注意器件的能力阈值(实际上,设计任何变换器都应当注意),所以在进行模型分析时,应该求出每个器件可能承受的最大电压/电流,在进行器件选型和匝数比设计时,需要保证器件在模型中工作永远不会超过能力上限。
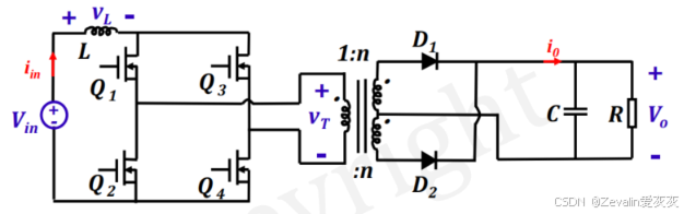
3、桥式隔离降压变换器
(1)全桥隔离降压变换器:
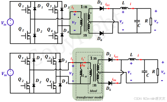
下图所示的分别是全桥隔离降压变换器的原理图和等效模型图,它是基于Buck电路演变的全桥式隔离型转换器

先给出结论,一个开关周期内,励磁电感电流、励磁电感两端电压、负端电感电流、负端输入电压和二极管D5电流(用负端电感电流表示)的波形如下图所示,其中开关周期为



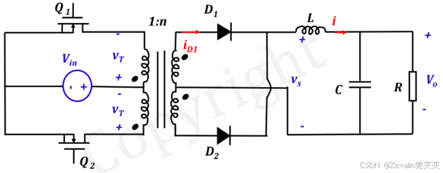
(2)半桥隔离降压变换器:
下图所示的是半桥隔离降压变换器的原理图,与全桥隔离降压变换器不同的是,这里使用两个电容替代了晶体管Q3和晶体管Q4


4、推挽隔离降压变换器
下图所示的是推挽隔离降压变换器的原理图,它的工作原理和全桥隔离降压变换器十分类似,可以认为是全桥隔离降压变换器的改版,牺牲变压器的复杂度减少有源开关的使用




5、反激变换器
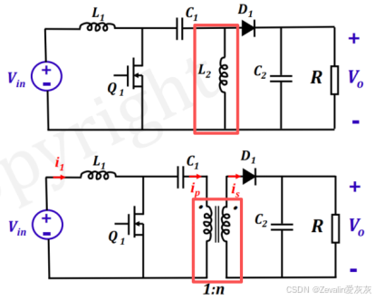
(1)下图所示的是反激变换器的原理图,它是基于Buck-Boost电路的隔离型转换器。

(2)从Buck-Boost电路演变到反激变换器:
①将Buck-Boost电路中的电感替换为1:1变压器,也可认为是在原来的基础上耦合一个相同的电感。

②分割耦合电感的输入侧和输出侧。

③变更晶体管的位置,同时改制变压器输出侧绕组,并做一个反相,对输出侧电路全部做一个相位上的翻转。

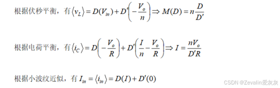
(3)反激变换器模型的分析:
反激变换器的模型如下图所示




6、桥式隔离升压变换器
下图所示的是全桥隔离升压变换器的原理图,它是基于Boost电路演变的全桥式隔离型转换器

先给出结论,一个开关周期内,源端电感两端电压、输入电流、变压器输入侧电压和负端电流的波形如下图所示,其中开关周期为


7、推挽隔离升压变换器
下图所示的是推挽隔离升压变换器的原理图,它的工作原理和全桥隔离升压变换器十分类似,可以认为是全桥隔离升压变换器的改版,牺牲变压器的复杂度减少有源开关的使用



8、构建隔离型变换器的方法案例
(1)以SEPIC变换器为例,介绍通过将电感元件替换为带励磁电感的变压器构建隔离型变换器。
①直接将电感元件替换为带励磁电感的变压器:

②调整晶体管和电感元件的位置,再将电感元件替换为带励磁电感的变压器:

(2)以Cuk变换器为例,介绍通过在电容元件中插入带励磁电感的变压器构建隔离型变换器。
将一个电容串联拆分为两个电容,在它们之间并入一个带励磁电感的变压器:

(3)构建隔离型变换器时务必注意,插入变压器相当于在等效电路插入了励磁电感,必须要保证励磁电感在工作过程中不会饱和,也即满足伏秒平衡原则。