
#include "stm32f10x.h" // Device header
#include "delay.h"
int main(void)
{
RCC_APB2PeriphClockCmd(RCC_APB2Periph_GPIOA,ENABLE);
RCC_APB2PeriphClockCmd(RCC_APB2Periph_AFIO, ENABLE);
// 完全禁用 SWD 和 JTAG 调试接口
GPIO_PinRemapConfig(GPIO_Remap_SWJ_Disable, ENABLE);
GPIO_InitTypeDef GPIO_structure;
GPIO_structure.GPIO_Mode=GPIO_Mode_IPU;
GPIO_structure.GPIO_Pin=GPIO_Pin_14;
GPIO_structure.GPIO_Speed=GPIO_Speed_50MHz;
GPIO_Init(GPIOA,&GPIO_structure);
GPIO_structure.GPIO_Mode=GPIO_Mode_Out_PP;
GPIO_structure.GPIO_Pin=GPIO_Pin_0;
GPIO_Init(GPIOA,&GPIO_structure);
while(1)
{
GPIO_SetBits(GPIOA,GPIO_Pin_0);
if(GPIO_ReadInputDataBit(GPIOA,GPIO_Pin_14)==0)
{
delay(20);
if(GPIO_ReadInputDataBit(GPIOA,GPIO_Pin_14)==0)
{
GPIO_ResetBits(GPIOA,GPIO_Pin_0);
delay(20000);
}
}
//delay(100);
//GPIO_SetBits(GPIOB,GPIO_Pin_8);
//delay(100);
}
}

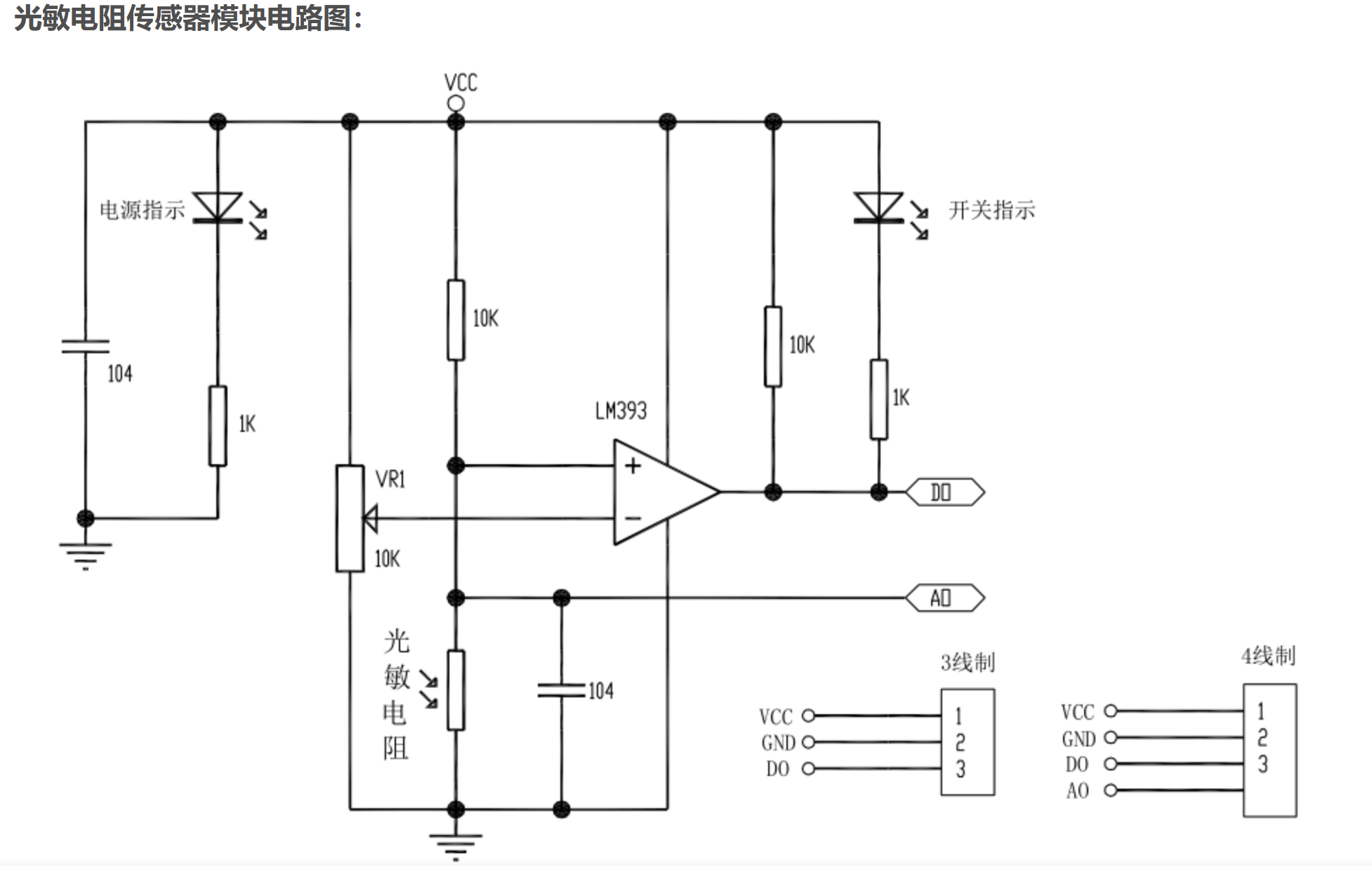
光照光敏电阻,**光照,电阻变小,同相输入端变小,比较器输出低电平。**光敏电阻模块上也有提示灯,在光照变化会亮灭,控制的led灯也会亮,可以通过调整电位器使得处在一个敏感的位置(调节到提示灯由亮灭之间切换的那个点最灵敏)或者找一个可变亮度光源。