目录
上节学了时基单元,本节学习输出比较

1.输出比较简介
定时器的4个通道
输入捕获用来测量外部输入信号的一个时延参数,比如测量输入信号的周期、占空比、脉冲宽度等等所有和时间有关的参数
寄存器的右边是输出比较,输出比较的作用是通过定时器去产生精确定时的方波信号,然后通过引脚把方波信号输出出去,因为此时的方波信号是通过定时器产生的,定时器本身时间精度就是特别高的,所有它产生的方波信号的精度也是特别高的,所以我们可以使用方波信号驱动各种各样的外部设备,可以达到非常好的效果

2.基本工作原理(PWM)
占空比就是一个周期里面高电压占一整个周期的比例

将时基单元和寄存器、输出比较摘出来

如果把自动重装寄存器ARR设为9,那么周期T就为9+1=10,如果寄存器CCR1设置为3,那么ARR低于CCR1的时候就输出高电压,反之输出低电压,所以占空比就为3/10=30%
通过调整CCR1就可以控制PWM信号的占空比可调,这就是输出比较输出PWM信号的原理

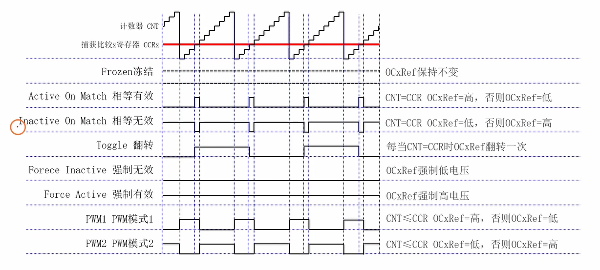
3.8种工作模式
OCxRef参考信号
x代表通道的编号
有4个通道,对于通道1来说就是OC1Ref

对于这8种模式,前6种用的比较少,只需要了解即可,后面两种一种是PWM1和PWM2,其中我们最常用的还是PWM1

对于8种工作模式来说,他们都是通过计数器CNT和捕获比较x寄存器CCRx这两个值的比较关系来产生输出结果的
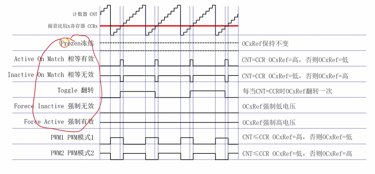
Frozen冻结模式:比较特殊,不管计数器CNT和捕获比较x寄存器CCRx值如何,OCxRef都会保持不变,如果一开始的时候是高电压,之后输出的都是高电压,如果一开始的时候是低电压,之后输出的都是低电压
Active On Match相等有效:有效就是高电压,无效代表低电压,所以相等有效的意思是当CNT和CCRx值相等的时候,就会输出高电压,不相等的时候就输出低电压
Inactive On Match相等无效:和Active On Match相反
Toggle翻转:每当CNT和CCRx值相等的时候,OCxRef输出电压就会发生一次翻转,比如本来是低电压的时候,等两个值相等的时候,就会切换为高电压,下次再相等的时候又会切换低电压
Forece Inactive强制无效:不管CNT和CCRx值如何,都会在OCxRef强制输出低电压
Forece Active强制有效:不管CNT和CCRx值如何,都会在OCxRef强制输出高电压

PWM1:当CNT<CCR的时候,OCxRef输出高电压,否则输出低电压
PWM2:当CNT<CCR的时候,OCxRef输出低电压,否则输出高电压

4.互补输出
每个通道都会连接两个引脚,比如通道1连接CH1 CH1N

CH1、CH2、CH3、 CH4 这几个引脚表示正常输出
CH1N CH2N CH3N 表示互补输出

正常输出的和OCxRef直接相连,所以正常输出的信号和OCxRef是相等的,比如OCxRe产生一个高电压,那正常输出产生的就是一个高电压,如果产生一个低电压,那正常输出产生的就是一个低电压
而互补输出和正常输出相反,这个OCxRef参考信息经过一个反相器和互补输出相连,所以互补输出就是OCxRef取反的一个结果

有什么作用呢?比如下面的降压电源要把12V降为3.3V
两个开关SW1和SW2,闭合SW1,断开SW2,电源给电感和电容充电
断开SW1,闭合SW2,电感电容会放电
我们通过控制充电时间和放电时间的比例,就可以调节右边输出的电压
一对开关交替导通就用到了正常输出和互补输出

5.极性选择
