文章目录
- 一、矩阵按建
- 二、原理图
- 三、代码实例
-
- [ 1、按键检测](# 1、按键检测)
- [ 2、密码锁](# 2、密码锁)
-
- [ 1)、MatrixKey.h](# 1)、MatrixKey.h)
- [ 2)、MatrixKey.c](# 2)、MatrixKey.c)
- [ 3)、main.c](# 3)、main.c)
一、矩阵按建
独立按键与单片机连接时,每一个按键都需要单片机的一个 I/O 口,若某单片机系统需较多按键,如果用独立按键便会占用过多的 I/O 口资源。
单片机系统中 I/O 口资源往往比较宝贵,当用到多个按键时为了减少 I/O 口引脚,引入了矩阵按键。
矩阵按键原理:
1)、将 16 个按键排成 4 行 4 列,第一行将每个按键的一端连接在一起构成行线,第一列将每个按键的另一端连接在一起构成列线,这样便一共有4行4列共8根线,我们将这 8 根线连接到单片机的 8 个 I/O 口上,通过程序扫描键盘就可检测 16 个键。
2)、用这种方法我们也可实现 3 行 3 列 9 个键、 5 行 5 列 25个键、 6 行6 列 36 个键甚至更多。
3)、单片机检测其是否被按下的依据都是一样的,也就是检测与该键对应的 I/O 口是否为低电平。
4)、行列扫描:
行列扫描法检测时,先送一列为低电平,其余几列全为高电平(此时我们确定了列数),然后立即轮流检测一次各行是否有低电平,若检测到某一行为低电平(这时我们又确定了行数),则我们便可确认当前被按下的键是哪一行哪一列的,用同样方法轮流送各列一次低电平,再轮流检测一次各行是否变为低电平,这样即可检测完所有的按键,当有键被按下时便可判断出按下的键是哪一个键。
5)、线翻转法:
使所有行线为低电平时,检测所有列线是否有低电平,如果有,就记录列线值;然后再翻转,使所有列线都为低电平,检测所有行线的值,由于有按键按下,行线的值也会有变化,记录行线的值。从而就可以检测到全部按键。
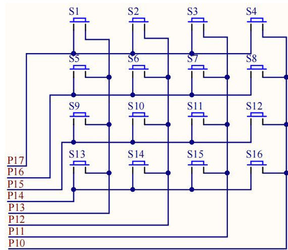
二、原理图

4*4矩阵按键引出的8根控制线直接连接到51单片机的P1口上。
电路中的P17连接矩阵键盘的第1行,P13连接矩阵键盘第1列。
三、代码实例
1、按键检测
通过数码管显示矩阵按键S1-S16按下后键值0-F。
c
#include <REGX52.H>
typedef unsigned int u16; //对系统默认数据类型进行重定义
typedef unsigned char u8;
#define KEY_MATRIX_PORT P1 //使用宏定义矩阵按键控制口
#define SMG_A_DP_PORT P0 //使用宏定义数码管段码口
//共阴极数码管显示0~F的段码数据
u8 gsmg_code[17]={0x3f,0x06,0x5b,0x4f,0x66,0x6d,0x7d,0x07,0x7f,0x6f,0x77,0x7c,0x39,0x5e,0x79,0x71};
/*******************************************************************************
* 函 数 名 : delay_10us
* 函数功能 : 延时函数,ten_us=1时,大约延时10us
* 输 入 : ten_us
* 输 出 : 无
*******************************************************************************/
void delay_10us(u16 ten_us)
{
while(ten_us--);
}
/*******************************************************************************
* 函 数 名 : key_matrix_ranks_scan
* 函数功能 : 使用行列式扫描方法,检测矩阵按键是否按下,按下则返回对应键值
* 输 入 : 无
* 输 出 : key_value:1-16,对应S1-S16键,
0:按键未按下
*******************************************************************************/
u8 key_matrix_ranks_scan(void)
{
u8 key_value=0;
KEY_MATRIX_PORT=0xf7;//给第一列赋值0,其余全为1
if(KEY_MATRIX_PORT!=0xf7)//判断第一列按键是否按下
{
delay_10us(1000);//消抖
switch(KEY_MATRIX_PORT)//保存第一列按键按下后的键值
{
case 0x77: key_value=1;break;
case 0xb7: key_value=5;break;
case 0xd7: key_value=9;break;
case 0xe7: key_value=13;break;
}
}
while(KEY_MATRIX_PORT!=0xf7);//等待按键松开
KEY_MATRIX_PORT=0xfb;//给第二列赋值0,其余全为1
if(KEY_MATRIX_PORT!=0xfb)//判断第二列按键是否按下
{
delay_10us(1000);//消抖
switch(KEY_MATRIX_PORT)//保存第二列按键按下后的键值
{
case 0x7b: key_value=2;break;
case 0xbb: key_value=6;break;
case 0xdb: key_value=10;break;
case 0xeb: key_value=14;break;
}
}
while(KEY_MATRIX_PORT!=0xfb);//等待按键松开
KEY_MATRIX_PORT=0xfd;//给第三列赋值0,其余全为1
if(KEY_MATRIX_PORT!=0xfd)//判断第三列按键是否按下
{
delay_10us(1000);//消抖
switch(KEY_MATRIX_PORT)//保存第三列按键按下后的键值
{
case 0x7d: key_value=3;break;
case 0xbd: key_value=7;break;
case 0xdd: key_value=11;break;
case 0xed: key_value=15;break;
}
}
while(KEY_MATRIX_PORT!=0xfd);//等待按键松开
KEY_MATRIX_PORT=0xfe;//给第四列赋值0,其余全为1
if(KEY_MATRIX_PORT!=0xfe)//判断第四列按键是否按下
{
delay_10us(1000);//消抖
switch(KEY_MATRIX_PORT)//保存第四列按键按下后的键值
{
case 0x7e: key_value=4;break;
case 0xbe: key_value=8;break;
case 0xde: key_value=12;break;
case 0xee: key_value=16;break;
}
}
while(KEY_MATRIX_PORT!=0xfe);//等待按键松开
return key_value;
}
/*******************************************************************************
* 函 数 名 : key_matrix_flip_scan
* 函数功能 : 使用线翻转扫描方法,检测矩阵按键是否按下,按下则返回对应键值
* 输 入 : 无
* 输 出 : key_value:1-16,对应S1-S16键,
0:按键未按下
*******************************************************************************/
u8 key_matrix_flip_scan(void)
{
static u8 key_value=0;
KEY_MATRIX_PORT=0x0f;//给所有行赋值0,列全为1
if(KEY_MATRIX_PORT!=0x0f)//判断按键是否按下
{
delay_10us(1000);//消抖
if(KEY_MATRIX_PORT!=0x0f)
{
//测试列
KEY_MATRIX_PORT=0x0f;
switch(KEY_MATRIX_PORT)//保存行为0,按键按下后的列值
{
case 0x07: key_value=1;break;
case 0x0b: key_value=2;break;
case 0x0d: key_value=3;break;
case 0x0e: key_value=4;break;
}
//测试行
KEY_MATRIX_PORT=0xf0;
switch(KEY_MATRIX_PORT)//保存列为0,按键按下后的键值
{
case 0x70: key_value=key_value;break;
case 0xb0: key_value=key_value+4;break;
case 0xd0: key_value=key_value+8;break;
case 0xe0: key_value=key_value+12;break;
}
while(KEY_MATRIX_PORT!=0xf0);//等待按键松开
}
}
else
key_value=0;
return key_value;
}
/*******************************************************************************
* 函 数 名 : main
* 函数功能 : 主函数
* 输 入 : 无
* 输 出 : 无
*******************************************************************************/
void main()
{
u8 key=0;
while(1)
{
key=key_matrix_ranks_scan();
if(key!=0)
SMG_A_DP_PORT=gsmg_code[key-1];//得到的按键值减1换算成数组下标对应0-F段码
}
}
2、密码锁
1)、MatrixKey.h
c
#ifndef __MATRIXKEY_H__
#define __MATRIXKEY_H__
unsigned char MatrixKey();
#endif
2)、MatrixKey.c
c
#include <REGX52.H>
#include "Delay.h"
unsigned char MatrixKey()
{
unsigned char KeyNumber=0;
P1=0xFF;
P1_3=0;
if(P1_7==0){Delay(20);while(P1_7==0);Delay(20);KeyNumber=1;}
if(P1_6==0){Delay(20);while(P1_6==0);Delay(20);KeyNumber=5;}
if(P1_5==0){Delay(20);while(P1_5==0);Delay(20);KeyNumber=9;}
if(P1_4==0){Delay(20);while(P1_4==0);Delay(20);KeyNumber=13;}
P1=0xFF;
P1_2=0;
if(P1_7==0){Delay(20);while(P1_7==0);Delay(20);KeyNumber=2;}
if(P1_6==0){Delay(20);while(P1_6==0);Delay(20);KeyNumber=6;}
if(P1_5==0){Delay(20);while(P1_5==0);Delay(20);KeyNumber=10;}
if(P1_4==0){Delay(20);while(P1_4==0);Delay(20);KeyNumber=14;}
P1=0xFF;
P1_1=0;
if(P1_7==0){Delay(20);while(P1_7==0);Delay(20);KeyNumber=3;}
if(P1_6==0){Delay(20);while(P1_6==0);Delay(20);KeyNumber=7;}
if(P1_5==0){Delay(20);while(P1_5==0);Delay(20);KeyNumber=11;}
if(P1_4==0){Delay(20);while(P1_4==0);Delay(20);KeyNumber=15;}
P1=0xFF;
P1_0=0;
if(P1_7==0){Delay(20);while(P1_7==0);Delay(20);KeyNumber=4;}
if(P1_6==0){Delay(20);while(P1_6==0);Delay(20);KeyNumber=8;}
if(P1_5==0){Delay(20);while(P1_5==0);Delay(20);KeyNumber=12;}
if(P1_4==0){Delay(20);while(P1_4==0);Delay(20);KeyNumber=16;}
return KeyNumber;
}
3)、main.c
c
#include <REGX52.H>
#include "LCD1602.h"
#include "Delay.h"
#include "MatrixKey.h"
unsigned char KeyNum;
unsigned int Password, Count;
void main()
{
LCD_Init();
LCD_ShowString(1,1,"Password:");
Password = 0;
Count = 0;
LCD_ShowNum(2,1,Password,4);
while(1)
{
KeyNum=MatrixKey();
if(KeyNum)
{
if(KeyNum<=10) // 如果S1~S10按键按下,输入密码
{
if(Count<4) // 密码四位数
{
Password*=10; // 密码左移一位,这样就可以依次输入密码
Password+=KeyNum%10; // 获取一位密码,加入到原密码,此时10为0
Count++;
}
}
LCD_ShowNum(2,1,Password,4);
if(KeyNum==11) // 确认
{
if(Password==1234)
{
LCD_ShowString(1,14,"OK ");
Password=0;
Count=0;
LCD_ShowNum(2,1,Password,4);
}
else
{
LCD_ShowString(1,14,"ERR");
Password=0;
Count=0;
LCD_ShowNum(2,1,Password,4);
}
}
if(KeyNum==12) //取消
{
Password=0;
Count=0;
LCD_ShowString(1,14," ");
LCD_ShowNum(2,1,Password,4);
}
}
}
}