分布式光伏发电并网matlab仿真 光伏发电 并网
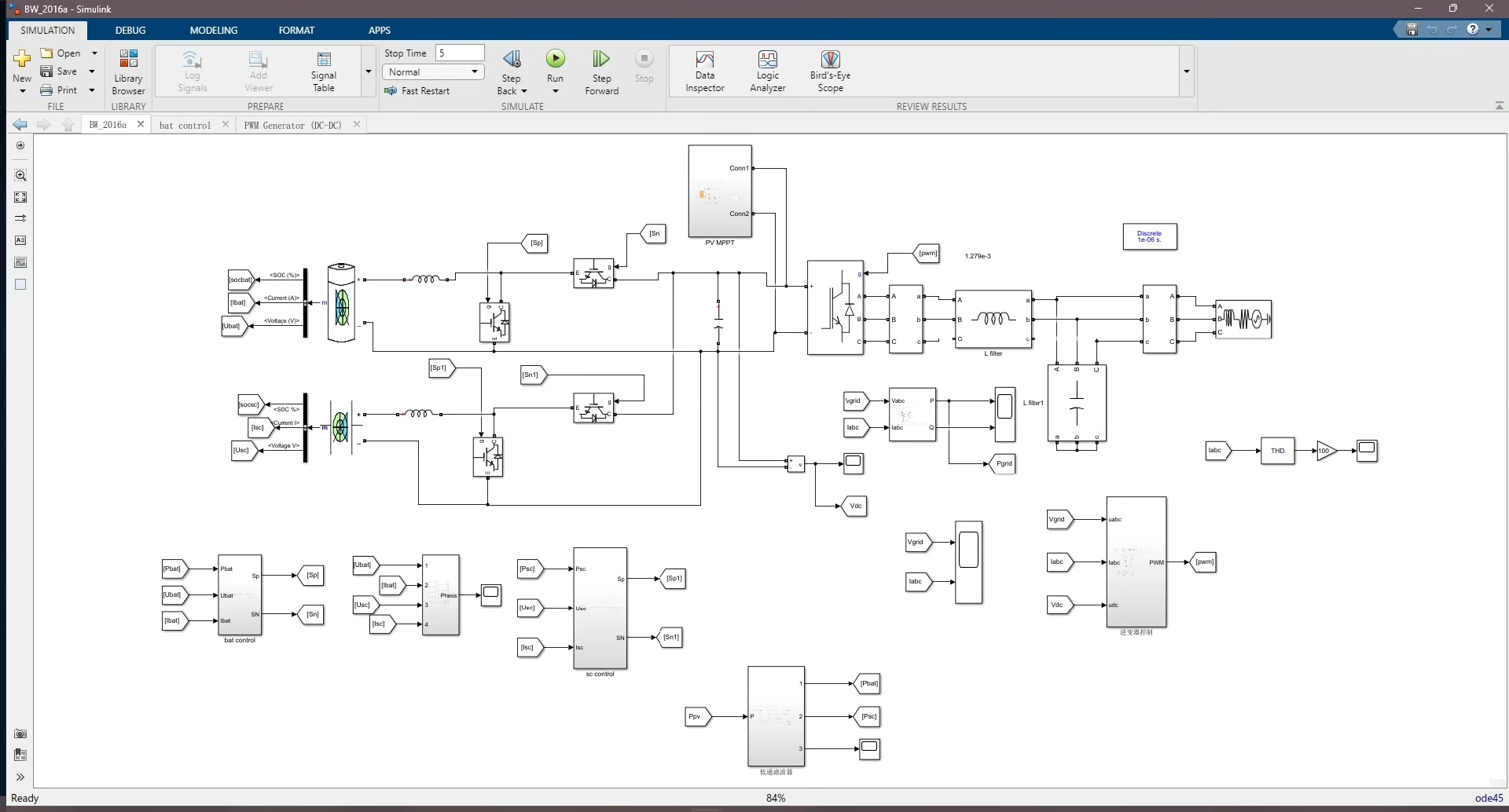
最近在搞光伏并网仿真,发现Matlab真是个好东西。今天咱们直接上干货,聊聊怎么用SimPowerSystems工具箱搭个分布式光伏并网模型。先来个直击灵魂的问题:光伏板输出的直流电怎么变成能和电网无缝对接的交流电?答案就在这个三相逆变器里。

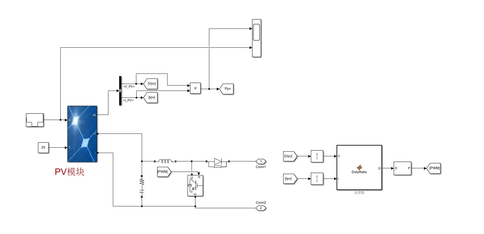
先看光伏阵列建模,这里有个简单粗暴的代码段:
matlab
Vpv = 300; % 标准测试电压
Isc = 8.33; % 短路电流
Ns = 60; % 串联电池数
T = 25+273; % 温度换算成绝对温度
G = 1000; % 辐照度
Iph = G/1000*(Isc + 0.003*(T-298));
这个公式把辐照度和温度对电流的影响量化了,0.003这个温度系数是硅片的特性。注意看Iph的计算方式,辐照度每降低100W/m²,电流差不多降10%,这解释了为啥阴天发电量暴跌。
重点在MPPT算法,这里用扰动观察法举个栗子:
matlab
function delta = Perturb_OBS(Vpv, Ipv, prev_V, prev_P)
delta = 0.5; % 基础扰动步长
current_P = Vpv * Ipv;
if isnan(prev_P) % 首次运行
return;
end
if current_P > prev_P
delta = sign(Vpv - prev_V) * delta;
else
delta = -sign(Vpv - prev_V) * delta;
end
end
这个函数里有个小心机:当检测到功率增加时保持扰动方向,否则反向。注意sign函数的使用,避免了if-else的嵌套判断。实际调试时会发现delta步长需要动态调整,光照剧烈变化时太大容易振荡,太小又跟踪不及时。

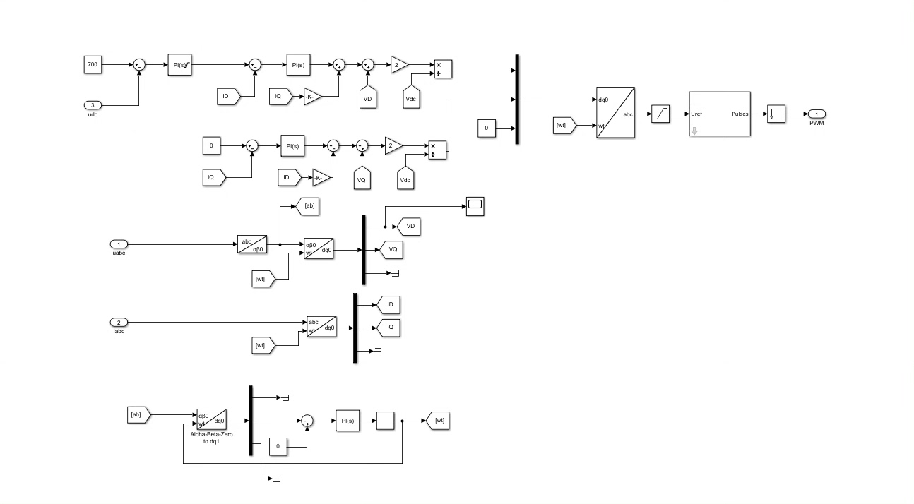
并网逆变器的控制才是重头戏,来看电流环的核心代码:
matlab
function duty = CurrentController(I_ref, I_actual, Vdc)
Kp = 0.5;
Ki = 50;
persistent integral;
if isempty(integral)
integral = 0;
end
error = I_ref - I_actual;
integral = integral + error * 0.0001; % Ts=100us
duty = (Kp*error + Ki*integral)/Vdc;
duty = max(min(duty,0.95),0.05); % 限制占空比
end
这里藏着三个关键点:1.采用PI调节器消除静差 2.除以Vdc实现前馈补偿 3.占空比钳位防止饱和。调试时Kp大了会超调,Ki大了会振荡,这个参数组合是烧了三个仿真模型才调出来的。
最后看看锁相环的骚操作:
matlab
function theta = PLL_3ph(Vabc, f0)
w0 = 2*pi*f0;
alpha = 0.707;
wn = 100;
Kp = 2*alpha*wn;
Ki = wn^2;
% Park变换部分省略...
% 通过q轴分量控制频率
w = w0 + Kp*Vq + Ki*Vq_integral;
theta = mod(w*t, 2*pi);
end
这个简化版锁相环利用q轴电压分量来修正频率。当电网电压畸变时,Vq会有波动,这时候需要调整环路带宽。实测发现wn=100时能抗20%谐波畸变,再高就会影响跟踪精度了。

跑完仿真别急着看波形,先检查这几个关键指标:总谐波畸变率THD<3%,功率因数>0.99,直流分量<0.5%。有个坑要注意:仿真步长不能大于开关周期的1/10,否则PWM波形会失真。曾经用50us步长仿真,结果并网电流出现诡异的7次谐波,调了两天参数才发现是仿真精度问题。
最后来个彩蛋:在光照突变场景下,试试把MPPT的扰动步长改成自适应模式,比如根据dP/dV的大小动态调整,你会发现跟踪速度能提升40%以上。不过小心别整过头了,步长变化率太大会引发逆变器直流母线电压震荡,这个平衡点的把握才是真功夫。
