台湾远翔(远翔-Feeling Technology) 单极高压侧电流测量电路FP130A的测量电压范围为100mv(最大可达500mv),输出非线性误差为±0.01%,在检测电压在100mv 时的输出总误差范围在±0.25%,该电路的共模抑制比为120dB,抗干扰能力强,完全符合精密热电偶数据采集的测试要求。

图1热电偶
如图1所示,热电偶通常作为工业温度传感器,温度测量范围广,通常以温度探头形式测量工业领域的高温设备的温度。热电偶测温的基本原理是两种不同成份的材质导体组成闭合回路,当两端存在温度梯度时,回路中就会有电流通过,此时两端之间就存在电动势------热电动势。当测温时K型热电偶输出毫伏级电压信号,温度与输出的线性比较理想,测量精度很高。

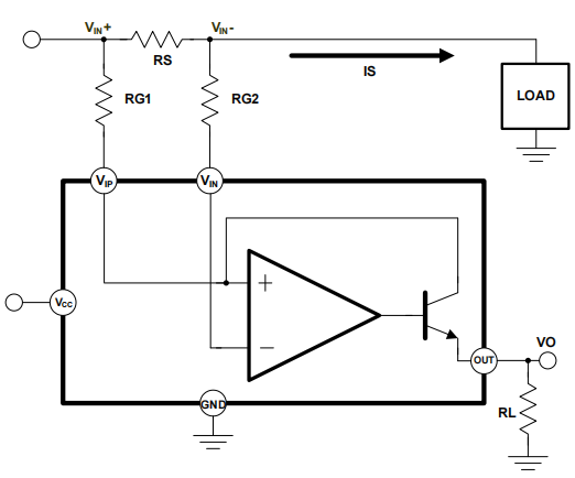
图2.用FP130A对精密热电偶的数据采集
FP130A是台湾远翔Feeling Technology一款测量高侧的单极性电流检测芯片,宽输入共模电压范围、高速、低静态电流和小型封装。
FP130A将差分输入电压转换为电流输出,再通过3个外部负载电阻,将电流转换为电压,该外部电阻可将增益设为任何值。该电路在测量和电平转换方面有创造性的应用。
其主要特点是:3个灵活增益设置电阻,工作温度范围:-40℃~+125℃。根据测量目标的温度变化范围,改变RL值,即可得到适合后续处理的数据。
应用案例
热电偶温度传感器的数据采集系统在多个领域都有广泛的应用,如:
实验室 : 在实验室中,热电偶温度传感器被用于高温实验和材料研究等领域,能够准确测量高温炉、反应釜等设备内的温度,为科研人员提供可靠的数据支持。
冶金行业 : 在钢铁、有色金属等冶金行业中,热电偶温度传感器被广泛应用于炉温测量和控制,能够实时监测炉内温度,确保冶炼过程的稳定性和产品质量。
化工行业 : 在化工生产过程中,热电偶温度传感器用于监测各种化学反应和加工过程的温度,确保反应的顺利进行。
电力行业 : 在发电厂中,热电偶温度传感器用于监测发电机、变压器等设备的温度,及时发现设备过热等异常情况,预防故障发生。
综上所述,热电偶温度传感器的数据采集系统是一个复杂而重要的系统,它能够实现对热电偶温度信号的准确采集和处理,为各个领域提供可靠的温度数据支持。