一、系统概况
随着油田生产智能化需求的提升,传统生产管理模式在数据采集完整性、井况诊断精度及生产效率优化等方面面临挑战。力控 eForceConV6.0油气产品构建的智能化生产系统,以数据全、准、稳为基础,支撑油、气、水井生产动态的精细化分析,助力油田生产管理向智能化转型。
二、系统设计
系统设计紧密围绕油田生产核心业务,实现以下目标:
完成油、气、水井全类型生产数据的实时采集与集中存储,构建统一数据平台。
实现采油井况多维度参数(如电流、电压、功率、油套压等)的实时监视与动态展示。
依托实时数据分析技术,对单井生产数据、停井原因、能耗指标等进行统计分析,以趋势图、对比图等形式可视化呈现。
自动生成泵效、平衡度、功率因素等生产报表,支持按日、井组、区块等维度查询与导出。
集成边缘计算功能,实现井况异常智能诊断与间抽制度优化建议,提升生产自动化水平。
对接物联网设备管理系统,实现设备在线状态实时监测与故障定位,保障系统稳定运行。
三、系统架构
该系统架构涵盖底层数据采集、边缘计算处理及上层应用展示全链条。底层通过各类传感器、智能仪表采集油井载荷、电流、电压、流量、压力等数据,经边缘计算节点进行实时数据处理与特征提取(如每 5-10 分钟连续采集 1500 点电参数据生成电功图),再通过安全网络传输至中心服务器。中心层部署实时服务器、历史服务器、应用服务器等硬件设备,搭载力控 eForceConV6.0油气平台软件,实现数据存储、分析、可视化及智能诊断功能。系统节点包括:

**设备层:**现场运行的单井设备、井场、水井设备、RTU、仪表、工艺设备等。
**传输层:**现场设备运行数据的传输,负责在网络中的将现场设备运行数据传输到实时数据库。
**协议层:**通过力控产品eForceConV6.0 IOServer采集站,实现现场不同设备协议(Modbus-RTU、PLC、DCS、OPC等)的数据采集、控制,将各采集站数据均送入数据库中,确保了数据能够正确、高效、安全地传输。
数据层: 通过力控产品eForceCon6 DB实时历史数据库,实时监视、存储现场运行数据,支持数据在线实时监控,查询存储每个过程点的多年数据。
边缘计算模块支持数据边缘计算、功图数据诊断、电参数据诊断等功能。为平台数据挖掘和决策分析做数据支持。
**平台层:**油田物联网监控平台为主要监视、控制平台。
**监控层:**实现生产监视\控制功能,包括长停井、采油井、注水井、采气井、单井计量、注气工艺、集输六场、生产报表,报警预警等。结合现场业务开发运行管理模块。
**应用层:**主要分析决策模块,实现设备管理、能碳管理、HSE管理、系统运维,协助工艺人员分析决策。
四、功能优势
1. 生产数据全网实时监测
系统实现示范区油、气、水井生产数据的全覆盖采集,通过将分散的井场数据汇集至中心监控界面,结合生产流程图动态展示,实时呈现各井油压、套压、产液量、产气流量等关键参数。

2. 井况工艺动态可视化展示
借助力控 eForceCon 平台的画面组态工具,构建采油井动态监控,实时展示载荷、电流、电压等参数的变化。不同于传统仅依赖功图诊断的方式,系统通过连续采集 1500 点电参数据生成电功图,实现多维度单井状态展示,实现井况异常的敏捷发现。

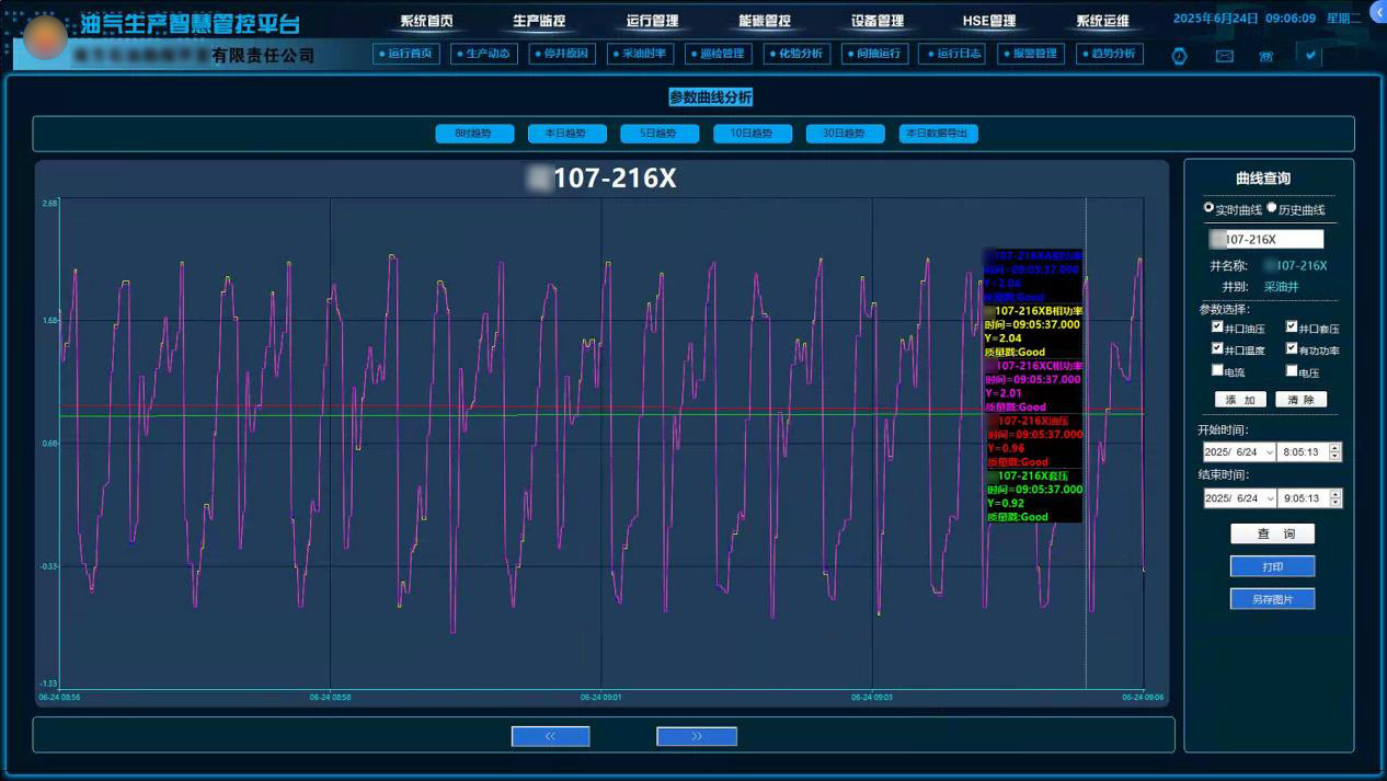
3. 实时历史趋势智能分析
系统支持任意组合生产参数(如产液量、载荷、电流等)生成趋势曲线,支持按时间区间查询与对比分析。例如,通过采气井的油压趋势变化,可诊断柱塞井间开制度的合理性;通过采油井冲次调整前后的有功功率变化曲线,评估参数调整对能耗的影响。同时,系统基于示功图开发电功图应用,通过边缘计算统计电压、电流不平衡等特征,精准定位故障井。

4. 数据分析与生产优化应用
依托系统采集的实时生产数据与管理行为数据,开展深度关联分析。例如,通过停井原因大数据分析,量化各因素对采油时率的影响,精准定位管理短板;通过 41 口井的间抽制度智能优化建议及效果验证,实现节能降耗与设备寿命延长。系统将生产过程数据,为管理层决策提供数据支撑,推动生产管理方式向数据驱动转型。

5. 设备运维智能管理
系统具备物联网设备在线状态智能诊断功能,自动定位故障设备与故障点(如传感器离线、通讯中断等),解决以往人工逐井排查的痛点,提高设备上线率。

五、应用总结
由力控 eForceCon 产品构建的花东智能化生产示范区系统,推动了油田生产信息化与智能化建设,实现了油井生产动态的全面感知、井况智能诊断、能耗优化分析、设备运维自动化等核心功能。通过多维度数据融合与智能算法应用,系统有效提升了生产管理效率,如减少现场工人计量工作量、缩短故障排查时间、优化间抽制度等,为油田降本增效提供了有力技术保障。结合先进的边缘计算、大数据分析技术,该系统实现了从 "人工经验管理" 到 "数据智能决策" 的转变,为油气田智能化发展提供了可复制的应用范式。