LLC谐振变换器simulink仿真。 采用电压电流双环竞争控制。 附双环竞争仿真文件(内含仿真介绍,波形分析,增益曲线计算.m代码) 注意:MATLAB R2021b搭建(可转低版本,但是可能会出现器件不全)
在电力电子领域,LLC 谐振变换器凭借其高效、高功率密度等优势,成为众多电源设计的热门选择。今天咱们就来聊聊基于 Simulink 的 LLC 谐振变换器仿真,特别是采用电压电流双环竞争控制的实现。
双环竞争控制的魅力
电压电流双环控制是让 LLC 谐振变换器稳定可靠运行的关键策略。电压环负责维持输出电压的稳定,电流环则对变换器的电流进行快速响应和限制,两者协同工作,确保变换器在不同负载和输入电压条件下都能出色发挥。而这里说的双环竞争控制,更是为了在复杂工况下,让电压环和电流环能够根据实际情况灵活"竞争上岗",优化变换器性能。
Simulink 模型搭建
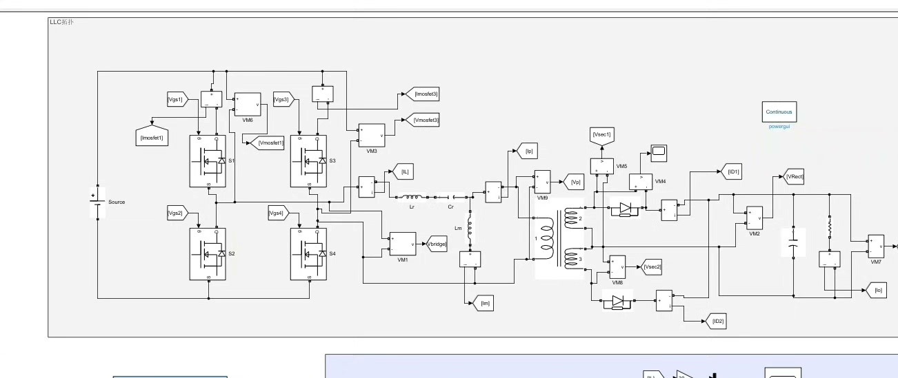
本次仿真基于 MATLAB R2021b 搭建。之所以选这个版本,是因为它在电力电子模块方面有较好的兼容性和功能支持。当然啦,虽说可以转到低版本,但就像我前面提到的,可能会遇到器件不全的问题。在搭建模型时,我们要精心挑选合适的电力电子器件模块。比如说,主电路部分,我们可能会用到 MOSFET 来实现开关动作,再搭配上合适的电感、电容,组成 LLC 谐振腔。
matlab
% 这部分简单示意一下参数设定
Vin = 300; % 输入电压
Vout = 48; % 输出电压
Lr = 10e - 6; % 谐振电感
Cr = 100e - 9; % 谐振电容
Lm = 100e - 6; % 励磁电感
上述代码简单设定了 LLC 谐振变换器的一些关键参数,输入电压、输出电压以及谐振电感、电容和励磁电感的值。这些参数的选择对变换器的性能影响可不小,需要反复调试。
双环竞争控制的代码实现
在 Simulink 模型里,电压环和电流环的控制算法可以通过 S 函数或者 MATLAB Function 模块来实现。以一个简单的 PI 控制器为例,在 MATLAB Function 模块里,代码可能长这样:
matlab
function [u] = pi_controller(e, Kp, Ki, integral)
% e 是误差
% Kp 是比例系数
% Ki 是积分系数
% integral 是积分项
integral = integral + e;
u = Kp * e + Ki * integral;
end
这里定义了一个简单的 PI 控制器函数,它接收误差 e、比例系数 Kp、积分系数 Ki 以及积分项 integral 作为输入,然后根据 PI 控制算法计算输出 u。在实际应用中,电压环和电流环都可能会用到类似的 PI 控制算法,只不过参数会根据实际情况调整。
仿真文件内容
我给大家准备的附双环竞争仿真文件可真是个宝贝。里面有详细的仿真介绍,能帮你快速了解整个仿真的思路和流程。波形分析部分更是关键,通过观察输出电压、电流波形,我们能直观看到变换器在不同阶段的运行状态。比如说,启动瞬间的电压过冲、稳态时的电压纹波等等,都能从波形里看出门道。

还有增益曲线计算的 .m 代码,这部分代码可以帮助我们分析变换器的频率响应特性。通过计算不同频率下的增益,我们能清楚了解变换器对不同频率信号的放大或衰减能力,这对于优化控制策略、提高变换器性能至关重要。
LLC 谐振变换器的 Simulink 仿真,结合电压电流双环竞争控制,为我们深入研究变换器的性能提供了有力手段。希望大家能从这份仿真文件和我的介绍中,对 LLC 谐振变换器有更深入的理解,在实际项目中也能灵活运用。
