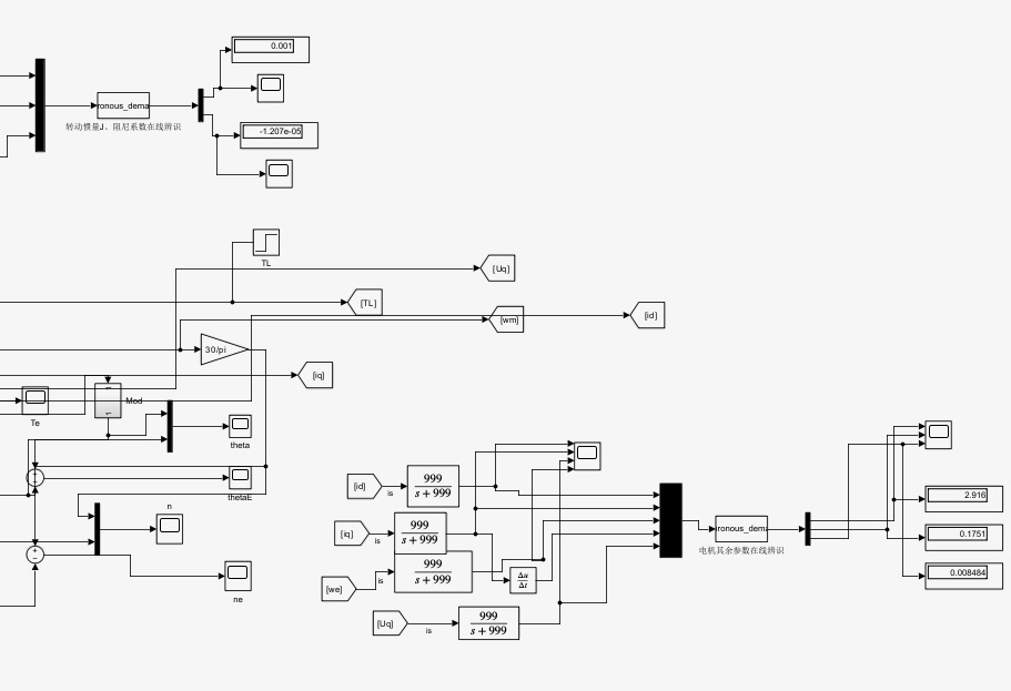
Matlab/simulink永磁同步电机在线惯量辨识模型,基于遗忘因子的递归最小二乘法。 表贴式永磁同步电机 可以准确辨识转动惯量j,阻尼系数b,电感以及磁链等。 有资料,基于sfunction写的,有注释,很容易看懂,
在电机控制领域,准确获取永磁同步电机(PMSM)的各项参数至关重要,尤其是转动惯量 \( J \) 和阻尼系数 \( b \) 等。今天咱们就来聊聊基于Matlab/simulink的永磁同步电机在线惯量辨识模型,这里用到的核心算法是基于遗忘因子的递归最小二乘法。

咱们先看看表贴式永磁同步电机(SPMSM)。它结构相对简单,在很多高性能伺服系统中应用广泛。对它的参数准确辨识,能大大提升控制系统的性能。像转动惯量 \( J \) ,它影响着电机的动态响应速度,阻尼系数 \( b \) 则和系统的稳定性息息相关。不仅如此,电感以及磁链的准确辨识同样重要,它们对电机的电磁转矩计算和磁场定向控制起着关键作用。
基于遗忘因子的递归最小二乘法原理
遗忘因子的递归最小二乘法,简单说就是在传统递归最小二乘法基础上,给旧数据加上一个逐渐衰减的权重,这样能让算法更关注新数据,适应时变系统。
假设我们有一个线性回归模型 \( y(k)=\boldsymbol{\varphi}^T(k)\boldsymbol{\theta}+v(k) \) ,这里 \( y(k) \) 是输出, \( \boldsymbol{\varphi}(k) \) 是回归向量, \( \boldsymbol{\theta} \) 是待估计参数向量, \( v(k) \) 是噪声。

递归最小二乘法递推公式如下:
matlab
% 初始化参数
P = eye(n); % P矩阵初始化,n是待估计参数个数
theta_hat = zeros(n,1); % 初始估计参数向量
lambda = 0.98; % 遗忘因子,接近1表示对旧数据遗忘慢
for k = 1:N % N是数据长度
phi = [y(k-1); u(k-1)]; % 假设回归向量由输出和输入延迟组成
K = P*phi/(lambda + phi'*P*phi); % 增益矩阵
theta_hat = theta_hat + K*(y(k) - phi'*theta_hat); % 更新估计参数
P = (1/lambda)*(P - K*phi'*P); % 更新P矩阵
end
在上述代码里, lambda 就是遗忘因子。如果 lambda 接近1,算法对旧数据依赖程度高,适应变化慢;要是 lambda 小,新数据影响大,能快速跟踪变化,但可能对噪声敏感。
基于S - function实现永磁同步电机参数辨识
资料里基于S - function实现的模型很贴心地加了注释,容易理解。S - function是Matlab/Simulink里一个强大工具,能自定义系统模块。
下面简单示意下S - function框架(以辨识转动惯量为例,代码有简化):
matlab
function [sys,x0,str,ts] = pmsm_id_sfunc(t,x,u,flag)
switch flag,
case 0,
[sys,x0,str,ts]=mdlInitializeSizes; % 初始化模块大小等参数
case 1,
sys=mdlDerivatives(t,x,u); % 计算连续状态的导数(这里可能没用)
case 2,
sys=mdlUpdate(t,x,u); % 更新离散状态
case 3,
sys=mdlOutputs(t,x,u); % 计算输出,这里可以输出辨识的转动惯量J
case 4,
sys=mdlGetTimeOfNextVarHit(t,x,u); % 计算下一次采样时间
case 9,
sys=mdlTerminate(t,x,u); % 结束仿真时执行
otherwise
sys = [];
end
在 mdlOutputs 函数里,可以把基于遗忘因子递归最小二乘法得到的转动惯量 \( J \) 输出。

通过这样的基于S - function实现的永磁同步电机在线惯量辨识模型,利用遗忘因子的递归最小二乘法,我们就能够较为准确地辨识出转动惯量 \( J \) 、阻尼系数 \( b \) 、电感以及磁链等重要参数,为永磁同步电机的高性能控制打下坚实基础。无论是在工业驱动还是航空航天等对电机性能要求极高的领域,这样的参数辨识方法都有着广阔的应用前景。