STM32F0非线性磁链观测器,stm32f030无感foc无刷电机控制方案 最新优化版!弦波 pmsm 浮点运算已经做了加速处理!包括原理图,源代码。 (没有库)。 媲美VESC,降本方案

嘿,各位硬件和电机控制爱好者们!今天要给大家分享一个超酷的项目------基于 STM32F0 的非线性磁链观测器实现的无感 FOC 无刷电机控制方案,而且还是最新优化版哦!
方案亮点
- 浮点运算加速:对于弦波永磁同步电机(PMSM)的控制,浮点运算做了加速处理,大大提升了控制的实时性和精度。在电机控制中,很多复杂的算法如克拉克变换、帕克变换等都涉及大量的浮点运算,加速后的运算能够让电机响应更加迅速,运行更加平稳。
- 媲美 VESC:这个方案的性能可与知名的 VESC(VESC 是一款非常流行且高性能的电机控制器)相媲美,但是在成本上却有着巨大优势,绝对是降本增效的好选择。
- 无库实现:整个方案没有使用任何库,全部代码都是基于底层寄存器操作实现的。这对于想要深入理解电机控制原理和 STM32 底层运行机制的朋友来说,是绝佳的学习材料。
非线性磁链观测器
非线性磁链观测器在无感 FOC 控制中起着关键作用。它通过对电机定子电压和电流的测量,结合电机的数学模型,来估算电机的磁链位置和速度。以下是一个简单的磁链观测器代码片段(伪代码示例):
c
// 定义电机参数
float R = 0.1; // 定子电阻
float Ld = 0.001; // d 轴电感
float Lq = 0.001; // q 轴电感
// 测量得到的电压和电流
float u_alpha, u_beta;
float i_alpha, i_beta;
// 磁链初始值
float psi_alpha = 0;
float psi_beta = 0;
// 时间步长
float dt = 0.00001;
// 磁链观测计算
void flux_estimation() {
psi_alpha = psi_alpha + (u_alpha - R * i_alpha - (Ld - Lq) * i_beta * omega) * dt;
psi_beta = psi_beta + (u_beta - R * i_beta + (Ld - Lq) * i_alpha * omega) * dt;
}
在这段代码中,我们根据电机的电压方程来更新磁链的估计值。ualpha**和 u beta 是经过克拉克变换后的定子电压分量,ialpha**和 i beta 是相应的电流分量。这里考虑了电机的电阻 R 以及 d 轴和 q 轴电感 Ld 和 Lq 的差异对磁链的影响。通过不断迭代计算,就可以实时估算出磁链的位置。
FOC 控制核心代码
FOC(Field - Oriented Control)控制算法是实现无刷电机高性能控制的核心。下面是部分 FOC 控制的关键代码:
c
// 克拉克变换
void clarke_transform(float ia, float ib, float *alpha, float *beta) {
*alpha = ia;
*beta = (sqrt(3) / 3) * (ia + 2 * ib);
}
// 帕克变换
void park_transform(float alpha, float beta, float theta, float *d, float *q) {
*d = alpha * cos(theta) + beta * sin(theta);
*q = -alpha * sin(theta) + beta * cos(theta);
}
// 反帕克变换
void inverse_park_transform(float d, float q, float theta, float *alpha, float *beta) {
*alpha = d * cos(theta) - q * sin(theta);
*beta = d * sin(theta) + q * cos(theta);
}
克拉克变换将三相静止坐标系下的电流(ia, ib)转换到两相静止坐标系(alpha, beta),帕克变换则进一步将两相静止坐标系的量转换到两相旋转坐标系(d, q)。在旋转坐标系下,电机的控制变得更加直观和容易。反帕克变换则是将旋转坐标系下的控制量转换回静止坐标系,用于生成最终的 PWM 控制信号。
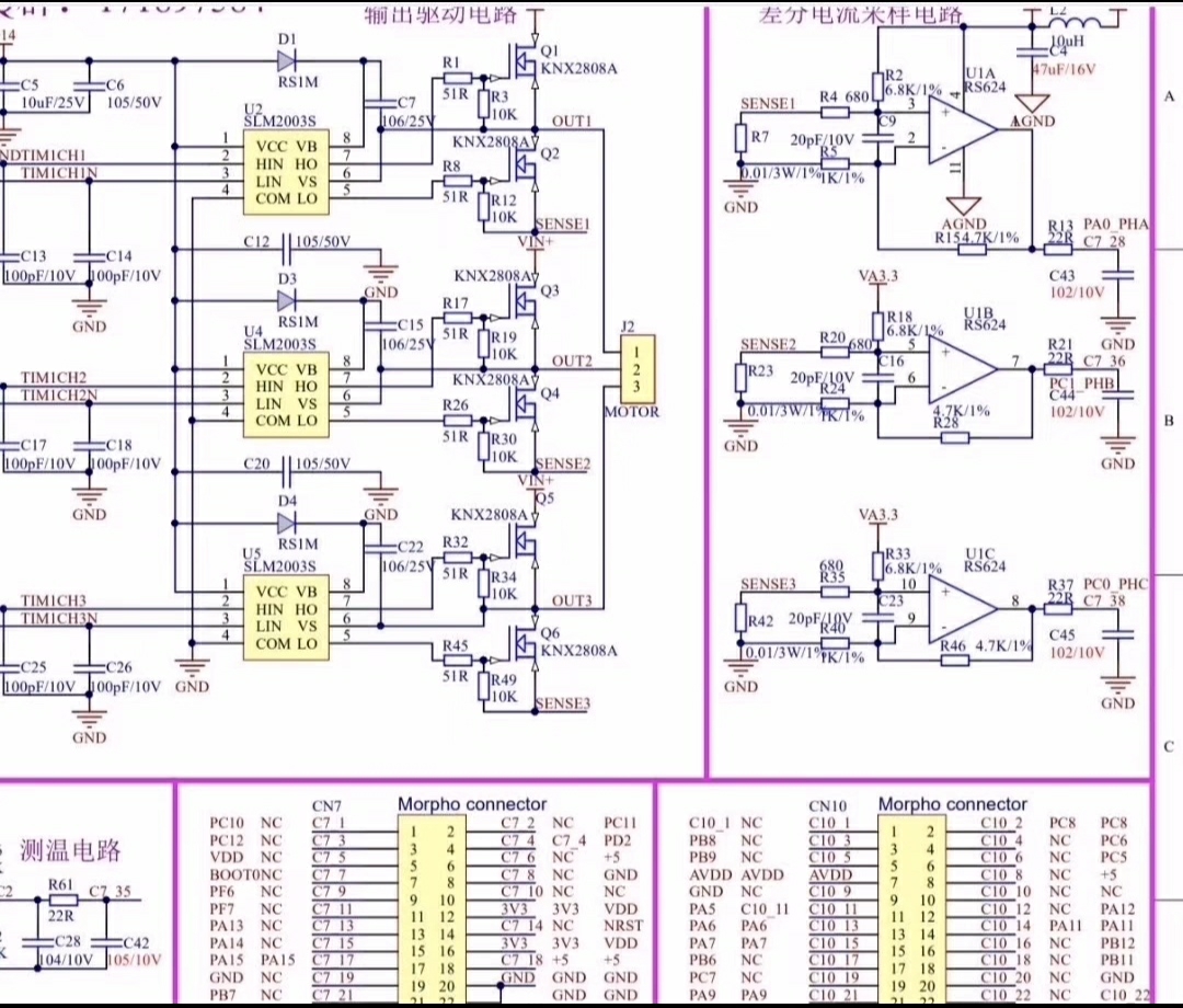
原理图与源代码获取
这个方案包含了完整的原理图以及源代码。原理图详细展示了 STM32F0 与电机驱动电路、电流电压采样电路等的连接方式,是硬件设计的关键参考。而源代码则是整个控制方案的灵魂,从底层的寄存器配置到上层的控制算法实现,每一行代码都凝聚着对电机控制的深入理解。

如果你对这个项目感兴趣,可以在[此处添加获取链接]获取完整的原理图和源代码。希望这个方案能为你的电机控制项目带来新的思路和启发,让我们一起在硬件和电机控制的领域中不断探索创新!

以上就是本次分享的全部内容啦,欢迎大家在评论区交流讨论!