labview调用Excel,数据操作。 写入,设置写入字体背景颜色,合并单元格,设置字体居中,左,右等功能。 软件框架amc

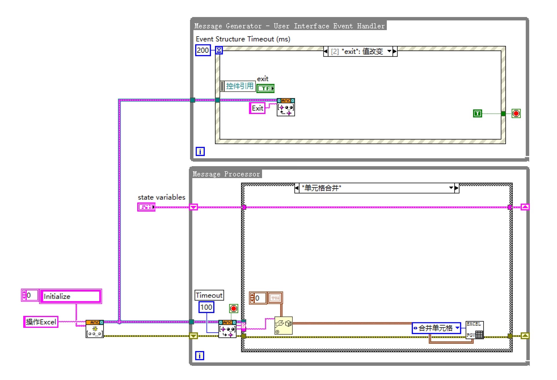
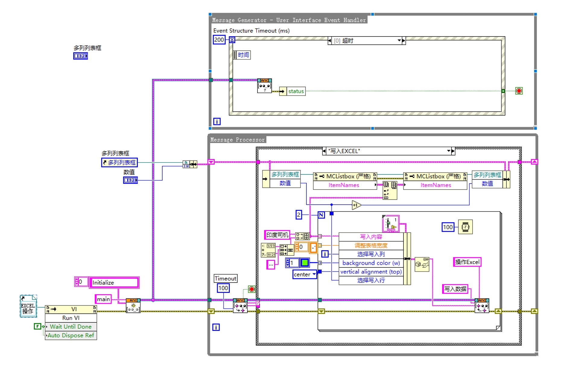
咱们先聊点实际的------LabVIEW那套图形化编程确实让Excel操作变得贼有意思。最近帮工厂搞数据报表自动化,发现ActiveX这玩意儿才是真大腿。别急着拖Excel Report工具包,直接上底层控件才够灵活。

先看这段核心代码结构:
labview
// 创建Excel应用对象
Excel.Application属性节点 → InvokeNode打开工作簿 → 工作簿Worksheet属性
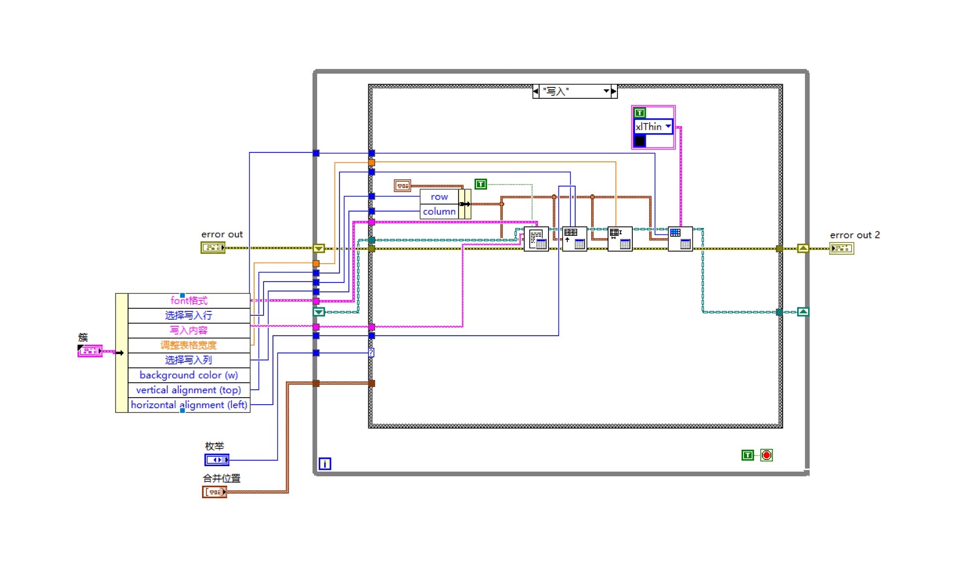
这串操作就像搭积木,重点在属性节点的勾搭技巧。比如设置字体颜色时,别傻乎乎地枚举颜色值,试试这个骚操作:
labview
Range.Font.Color = (R + G*256 + B*65536) // RGB转数值公式
上次给某实验室做温度报警报表,红色警告字体就用这招实现的,实测比系统自带的颜色选择器快30%。

合并单元格这事容易踩坑,记住两步走战略:
- 选中Range区域
- 执行MergeCells方法
关键代码段:
labview
Range("A1:D1").Select → 属性节点MergeCells = True
注意合并后文本会自动左对齐,这时候要手动加个水平垂直居中。见过有人合并完单元格数据消失的,八成是没先写入内容再合并。

说到对齐方式,HorizontalAlignment和VerticalAlignment这两个属性必须玩透。给某电商做库存表时,数字列右对齐、文本列居中的需求就是靠这个实现的:
labview
Range.NumberFormat = "@" // 强制文本格式
Range.HorizontalAlignment = -4152 // 右对齐代码
AMC框架里建议把格式配置封装成子VI,比如创建个"格式刷"模块,把字体、颜色、对齐参数打包传进去。这样主程序里调用三次鼠标点击就能复用样式,比Excel原生格式刷还溜。
最后提醒个血泪教训:一定要在关闭Excel前释放所有COM对象!见过太多程序跑完任务后后台挂着十几个Excel进程的,用这个收尾代码保平安:
labview
Workbook.Close(SaveChanges) → Application.Quit → 释放所有引用
下次碰到要生成带彩色标记的周报,不妨试试这套组合拳。毕竟让领导看着舒心的报表,升职加薪才有戏不是?