matlab Simulink 仿真
说明:拓扑是"单向半控桥",波形属"单相双半波"
电路拓扑(T1、T2 两个晶闸管 + D1、D2 两个二极管,四个器件组成桥)是典型的:
✅ 单相桥式半控整流(也叫 单相半控桥 / 单相半控桥式整流 / 单相半控全波整流)
它的输出只能为正(单象限/单向),并且利用了正负两个半周(全波、也有人口头叫"双半波")。
那"单向半控桥"和"单相双半波"到底啥关系?
-
"单向半控桥":强调"桥式 + 半控(2SCR+2D)+ 输出单向"。
-
"单相双半波":很多教材是强调"用两个半周都整流(全波)",但具体实现可以是桥式,也可以是中点式。
所以你现在这个电路:
👉 按结构叫:单相半控桥
👉 按波形性质也属于:单向全波/双半波整流(因为两个半周都用上了)
文件:
通过网盘分享的文件:电力电子 (2).zip
链接: https://pan.baidu.com/s/1B88BTr4bU4WqXuOQT9bIEg?pwd=1234 提取码: 1234
--来自百度网盘超级会员v5的分享


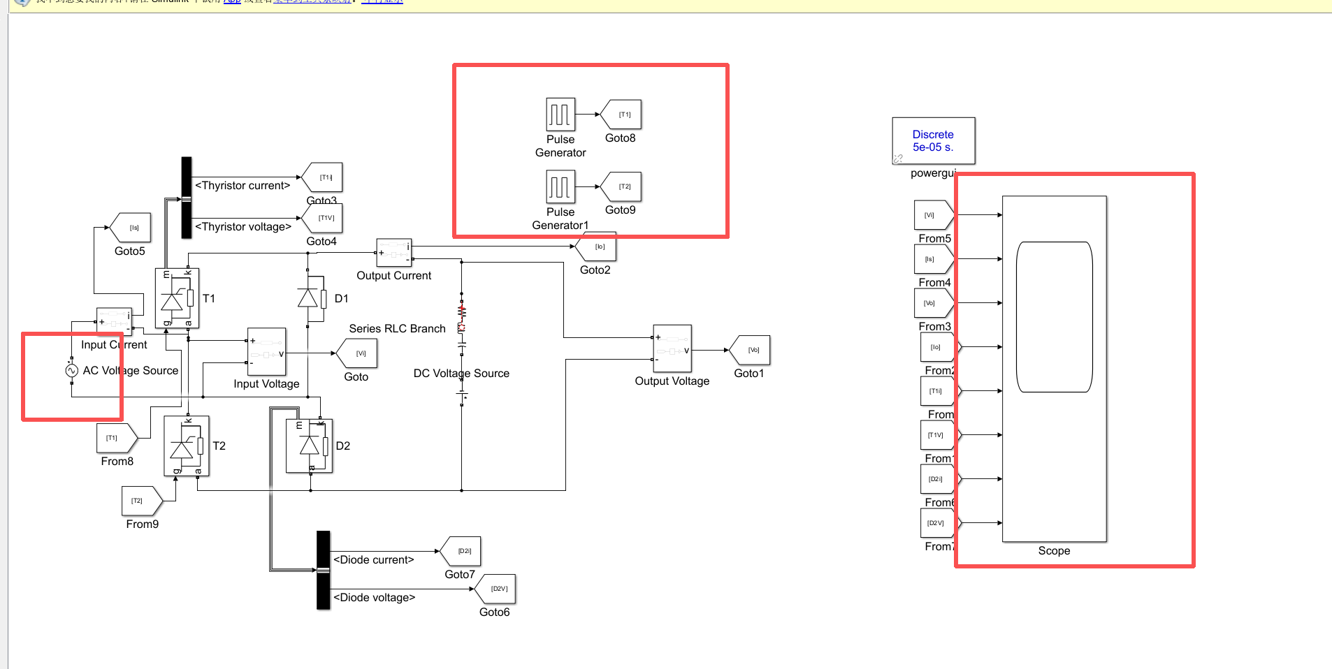
红色框就是可以直接matlab打开,博主修改过的matlab Simulink 仿真
说明,刚打开时候,需要在命令行区域定义变量,运行一下,变量参数定义的电路元件就不会红,改下面脚本即可修改电路参数:


5.1介绍:
5.1.1 介绍
MathWorks File Exchange 上就有 Single phase half controlled bridge rectifier 的现成模型(就是"半控桥/双半波等效"那类)。然后下面进行修改电路。

且Simulink(尤其电力电子/电力系统库)在网页版经常会卡,建议安装,安装可参考:https://www.cnblogs.com/quantwiz14/articles/19083528
你打开后要改的通常就三处:
-
交流源:Vrms、50Hz
-
触发角:alpha(30°~150°)
-
负载 :把负载改成 R 串联一个 DC 电压源 E (反电势)。
(如果原模型负载不是这样,直接删掉原负载,换成"电阻 + DC Voltage Source"即可)
5.1.2 电路分析

5.2 改参数
如果参考刚刚链接安装的matlab,最好把杀毒软件,防火墙关上,因为证书/代理/安全软件 有点问题,导致 Simulink 的"起始页(浏览器界面)"打不开。要不然不能正常打开Simulink 如下:
1)第一步:先"另存为",避免你改的是示例库文件跑不起来
很多 File Exchange/示例模型打开后是库/模板状态,改着改着容易乱。
-
菜单:File → Save As...
-
保存成:比如
my_semi_converter.slx
以后只改你这个副本。
2)第二步:改交流源(AC Voltage Source)
在图左边找到 AC Voltage Source,双击:
如果它显示的是 Vrms 字样,那就填 Vrms;但你现在图像峰值像 141,所以它大概率吃的是峰值。
改 AC Voltage Source(让它真的是 Vrms=100)
-
双击 AC Voltage Source
-
把参数设成变量:
-
Amplitude =
Vm(直接填 Vm) -
Frequency =
f
-

3)第三步:改触发信号(两路 Pulse Generator)
你图右上有两个 Pulse Generator ,分别给 T1 、T2 gate(通过 Goto8/From8、Goto9/From9)。
3.1 先把"关键参数改成变量"
你要先在工作区定义变量,再在块参数里直接写变量名。
定义变量的最简单方法(新手推荐):直接在 MATLAB 命令行输入:
主页·-命令行窗口,复制下面的粘贴:
% ===== 题目参数 =====
Vrms = 100; % 改成你的题目:100 或 220
f = 50;
T = 1/f;
E = 70; % 反电势:70 或 100(按题目)
R = 4; % 先给一个值,后面可以再调到目标功率
alpha_deg = 60; % 你想看的触发角
t_alpha = alpha_deg/360*T; % 对应你 Pulse Generator 的相位延时(秒)
Vm = sqrt(2)*Vrms; % 电源峰值

以后你只改
alpha_deg=...就行,别的自动变。
3.2 Pulse Generator 参数怎么填

双击第一个 Pulse Generator(T1那路):
-
Amplitude:1(不变)
-
Period (secs) :写
T -
Pulse width (% of period) :写
5或10(给门极一个窄脉冲就够了,别50%那么宽) -
Phase delay (secs) :写
t_alpha -

双击第二个 Pulse Generator(T2那路):
-
Period:
T -
Pulse width:同上
5或10 -
Phase delay:写
t_alpha + T/2(保证两路相差180°)

✅ 这样你就实现了"移相触发",范围 30°~150° 就是改 alpha_deg。
4)第四步:改负载成"电阻R 串联反电势E"(重点:别再用红端口器件)
你现在中间是一个 RL (可能是电阻电感支路)。你要做的是:把负载改为:R 串联 DC Voltage Source(E)
4.1 用 SPS 的元件在哪里找
打开库浏览器:
-
顶部菜单:Home → Simulink Library Browser
-
或快捷:在画布空白处双击,直接搜索块名
然后搜索这些关键词(重要):
A)电阻用(SPS)
搜索:Series RLC Branch
B)反电势用(SPS)
搜索:DC Voltage Source

说明:注意元件库
而你拖进来的"反电势/电阻"如果是 Simscape(物理建模) 的元件,它的端口会是红色/棕色物理端口 (conserving ports),这种不能和SPS黑色电力端口直接连接,所以你才会"全红、连不上"。
✅ 结论:负载也必须用 SPS 里的元件(同一套库),不要用 Simscape 那套红端口元件。
4.2 改负载:Series RLC Branch 只保留"电阻 R"
你现在负载用的是 Series RLC Branch,但你课设是"电阻负载(串反电势等效)"。
-
双击 Series RLC Branch
-
把 Branch type 选成 R
-
R 填:
R -
L、C 不用(或设为 0)
-

调试错误:你现在电流几乎为 0,也有可能是里面 L 很大导致电流被"憋死",所以这一步一定做。
4.3 改反电势:DC Voltage Source = E(这个决定导不导通)
-
双击 DC Voltage Source
-
DC 电压填:
E
⚠️ 极性怎么放?
-
先不纠结,只要你把 E 改对,跑一次就知道了。
-
正常情况下你希望:不导通时输出电压 ≈ E(比如 70V),导通时输出电压跟随整流电压。
如果跑出来 Output Voltage 变成 -70V (负的),那就把 DC 源 翻转(Flip Block) 或把正负端对调。
5)第五步:运行仿真
5.1 先设置仿真时间
上方工具条有 Stop Time,改成:
0.08(50Hz 下 4个周期,波形很清楚)
5.2 点击运行
-
顶部 绿色三角 Run
-
或 Simulation → Run
✅ 点了以后,如果左下角状态条在跑、最后停住不报错,就是运行成功。
调试,
出错了加了两个scope,在两个 Pulse Generator 输出线上各接一个 Scope(或者接到现有 Scope 再加两个通道)
5.3 仿真结果分析
查看波形:双击scope1/2(触发脉冲),scope



