各位同学,今天我们要讲的是宽频放大器的设计 。这个部分是一个比较基础的入门讲义,主要介绍最基本、最简单的放大器设计方法。
放大器有很多种类,其中最简单的结构之一就是"回收式"放大器。
如何研究
那么,我们首先来看看业界的情况。很多同学常常问我:"老师,规格我不知道怎么定。"其实,这句话应该是我来问大家才对。作为研究者,你应该先主动去了解市面上的成熟产品。
例如,你可以去查找现有厂商的现成元件 ,比如 Sirenza Microdevices (这家公司以前可能叫ST Microdevice,或者其他名称)生产的器件。他们提供的放大器,通常是基于单片微波集成电路MMIC技术,采用塑料、陶瓷等封装。这类产品的典型特点包括:
- 高输出三阶交调点(High output IP3)
- 高增益(High gain)
- 低噪声系数(Low noise figure)
- 低功耗(Low power consumption)
大家设计的目标,其实就是向这些性能指标看齐。为什么要追求高线性度(IP3)?为什么需要高增益、低噪声?这些对于前级放大器都很重要。同时,低功耗意味着更高的效率,通常工作电压也较低(比如5V或3V)。
当然,看了厂商的规格书后,你要学会判断:它的性能真的很好吗?有没有可能设计出比它更好的 ?这才是研究的价值。
因此,在开始你的论文研究时,应该遵循以下步骤:
- 确定题目:这是导师给你的方向。
- 调研业界现状 :这是你必须主动完成的工作。上网搜索全球有哪些公司在做相关产品(比如你做手机功率放大器,就查查全球主要的供应商),下载它们在你所需频段的产品规格书(Datasheet)进行分析。这是研究生的基本要求。
- 查阅学术文献:检索近年来的相关学术论文(IEEE等),了解该领域的研究进展、不同团队做了哪些工作。你需要向导师汇报这些调研结果。这不应该由导师来替你完成。
- 查阅本地论文:如果觉得英文文献有困难,可以先从台湾地区的学位论文入手,快速了解相关研究。
简而言之,拿到题目后,第一项紧要任务就是建立你的参考文献(Reference)清单。 有些同学的论文参考文献只有寥寥几篇,这是很不合理的。这反映出你的研究可能只是简单模仿了一两篇论文,缺乏全面的视野。这样做出来的研究,毕业后很容易在业界被问倒(例如,人家问你用过哪些芯片、比较过哪些厂商的方案,你会一无所知)。
所以,千万不要只参考一两篇文献。你应该广泛查阅,至少找几十篇甚至上百篇相关的权威论文(包括其中引用的参考文献也要追溯)。这能帮你建立全面的 overview。最快的设计方法,就是先了解别人已经做出了什么,但切忌管中窥豹。
实例
现在,我们来看一个具体产品的示例规格书。

大家看,这每一行频率指标都是从直流(DC) 开始的,对吗?
一看到可以从DC开始,你马上就应该想到:这个IC内部一定没有隔直电容(Blocking Capacitor) 。因为如果有隔直电容,直流信号就被挡住了,怎么可能从DC开始放大呢?所以这个电路一定是直接耦合(DC-coupled) 的设计。
再看它的 P 1 d B P_{1dB} P1dB**(1dB压缩点,代表最大线性输出功率)和线性度** (通常用IP3,即三阶交调截取点表示)指标。
在第一章(或第零章引言)里介绍过,OIP3(IP3相关的功率电平)和P1dB理论上大约相差10dB 。但我们来看这些数据:这里差13dB,这里也是13dB,这里是15dB......基本上都在13、14、15dB左右,甚至还有看到差18dB的。
所以,用HBT工艺(比如GaAs)做的放大器,这个差值通常能做到13-18dB,这和一般的硅基工艺(大约10dB)不同。
那么请问,IP3和P1dB差值越大,代表什么好处?
这表示它的线性度越好 。线性度好意味着什么?当我输入两个频率信号进行放大时,产生的非线性失真产物(Intermodulation)会更少、更低 。这些非线性杂散如果跑到系统里,会导致信号无法解调,所以必须压得非常低。因此,这个差值越大,系统的线性性能和动态范围就越好。
从规格书里就能学到这些知识。但只看一遍就能懂吗?哪有那么厉害!我自己都做不到。你必须反复看,没事就拿来看。在钻研规格书的过程中,你会发现:"哇,老师,规格书教我好多东西啊!" 这说明你有悟性、有方法,未来更容易成功。如果你看一遍就觉得"就这样,没什么意思",那我必须坦白说,你的发展可能会很有限。真正的"黄金"都藏在细节里,你需要自己去分析、判断才能学到。我们的经验是,规格书里真的可以学到非常多的实战经验。
比如,放大器的频宽(Bandwidth)通常要求做到多少?
你看这里,通常至少要做到3GHz 。为什么?因为我们现在常用的Wi-Fi、蓝牙到2.4GHz,手机频段覆盖900MHz、1800MHz、1900MHz乃至3G的2100MHz,做到3GHz就基本都能覆盖。如果做到6GHz,就可以涵盖5G频段;做到8GHz或更宽,可能用于雷达或卫星通信等特殊应用。像一些软件无线电(SDR)应用,甚至需要2GHz到10GHz的超宽频带。
再看另一个可以学到东西的地方:频宽(Bandwidth)和噪声系数(Noise Figure)有什么关系? 这是我以前实战中的痛点。我们曾做L波段系统,需要约1GHz的宽频带和很低的噪声。我去查规格书,发现这类宽频放大器的噪声系数普遍在2点几dB甚至更高。你看他的噪声系数是多少?最低都在4dB,所以给我的感觉是:频宽越宽,噪声系数往往越大 。这是为什么?等会儿在讲回收电路时,我会再问大家,你们要给出答案。
所以看规格书就是要看门道。你做宽带(Broadband)放大器,噪声系数通常怎么样?------会比较差 。因为常用反馈电阻来实现宽带,而电阻本身就会引入噪声。
再看一个门道:一个放大器模块(Gain Block),单级的增益通常做多少? 我们看他做的,实际上他内部可能有两到三级。他卖的时候,增益通常有20dB、18dB,也有12dB、11dB的。但它们至少都在10dB以上 。所以如果我们做单级增益如果低于10dB,那根本不能看,至少10dB是跑不掉的。但有没有到20、30dB以上?一般也没有,一般单级在10dB到20dB之间。
再问一个问题:增益(Gain)和频宽(Bandwidth)的关系是什么? 不难对比发现,频宽越宽的,普遍增益都比较低;反之也成立,频宽越窄,增益相对就比较高。
所以,频宽越宽,增益还能做得很高吗?
通常,增益最大时,频宽往往最小;增益较小时,频宽可以做得比较大 。这就是增益-带宽积(Gain-Bandwidth Product) 大致是一个常数的基本概念,等下在讲反馈电路时我们就会看到这个现象。
简易示意图
这份规格书里有一个简化示意图(不是完整电路)。我们来看一下。

这是一个从DC到10GHz的MMIC放大器,它的简化示意图显示有两级放大。

最常见的反馈(反馈)形式是什么?就是从集电极(Collector)到基极(Base)的电阻反馈 ,如图中底下那个晶体管的接法。这是实现超宽带最常用的反馈方法之一。
另外,第一级(这边)也有一个反馈,还有一个偏置(Bias)电路。这个MOSFET(M1)在这里起一个电流源(Current Source) 的作用,提供稳定的偏置。
这两级的增益加起来大概10dB以上。所以通常靠两级做到10dB以上增益。在MMIC里单级做到10dB以上的不多,单级高增益往往是用单个晶体管自己做匹配(Matching)实现的。
为什么要这样?因为在MMIC里,什么元件最占面积、最贵?------电感(Inductor) 。所以卖这种通用放大器芯片的公司绝对不想把电感做在里面。干嘛?电感太浪费芯片面积了,成本很高。所以他们很多输入输出匹配网络只给你留个端口,让你自己外接。但是,如果你要做高度集成的系统级芯片(SoC),那就必须把电感也集成进去了,这就没办法了。这就是传统的设计考量------面积就是金钱,大家一定要记住。
好的,我们继续来看这个应用电路。

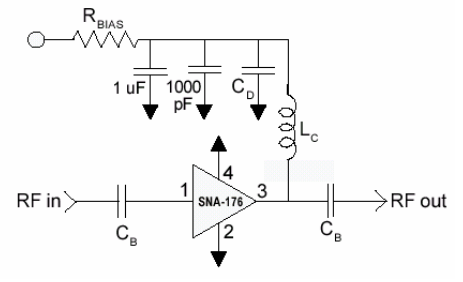
这个IC有四个引脚:1脚(Vdd)接电源,2脚和4脚接地(GND),3脚是输出。它外部需要接一个偏置电阻(Bias Resistor)来提供电压。同时,要注意电源上的去耦电容(Decoupling Capacitor) 。
1.电源去耦电容
大家还记得以前教过的吗?为什么去耦电容通常要用三个甚至四个并联 ?目的就是为了有效滤除不同频段的电源噪声 。
原因在于,没有一个电容是理想的 。电容的实际模型一定是电感(ESL)、电阻(ESR)和理想电容的串联。大电容(如uF级)能很好地滤除低频噪声,但随着频率升高,其寄生电感效应会变得显著,它就不再表现为电容,而更像一个电感 ,高频信号就无法通过它有效旁路到地了。
因此,频率再往上走,就需要靠中等容值的电容(如nF级) 来发挥作用。频率继续升高到射频范围(比如2.4GHz、5GHz),就需要更小容值的电容(如pF级)来提供低阻抗通路。
所以,电容的选择是随频率变化的 ,这是一个阶梯式的滤波网络设计。
2.射频扼流圈
同样,这里的射频扼流圈(RF Choke)电感 选择也有学问。它是用作扼流圈(提供高阻抗阻断射频信号进入电源),而不是用于阻抗匹配。真正的电感模型也包含寄生电容。什么时候它的阻抗达到最大?
答案是在其自谐振频率(SRF) 时,此时的阻抗最高,作为扼流圈的效果最好。因此,选择扼流圈电感时,应寻找其自谐振频率刚好在你工作频点(如2.4GHz或5.8GHz)附近的型号 。很多人用公式 ωL > 500Ω 来估算,这是低频或理想情况下的简化方法。在高频时,你必须考虑其完整的阻抗-频率特性:在低频段阻抗随频率线性增加,在自谐振点达到峰值,超过后由于寄生电容主导,阻抗反而下降,就不再适合做扼流圈了。
3.隔直电容
回到这个IC本身 ,因为它的规格书显示增益从DC开始,所以内部一定没有隔直电容 。因此,我们在输入输出端必须自己外接DC Blocking电容 。另外,它声称输入输出端口在很宽频带内都接近50欧姆,通常不需要额外匹配电路 ,已经能做到VSWR约1.5,这已经非常好了。但如果你想优化,可以加一点点匹配。
这里要特别注意隔直电容(DC Block)的选择 。很多人简单地认为,只要电容的阻抗在工作频率下远小于系统阻抗(如50欧姆的1/10,即5欧姆以下)就行。于是用公式计算出一个容值(比如对于2.4GHz,算出约13pF)。但问题来了,大容值的小电容,其寄生电感往往也大,自谐振频率可能低于你的工作频率 。如果你选的13pF电容自谐振频率在2.4GHz以下,那么在2.4GHz时,它实际上已经呈现电感性,阻抗特性完全变了,不仅不能有效隔直耦合射频信号,还可能破坏原有的匹配。
所以,正确的思路是:选择其自谐振频率接近你工作频点(如2.4GHz)的电容(比如常见的8pF或更小容值)。这样它在工作频率下才是一个真正的"好"电容,阻抗最低。

这个放大器的好处 是只需单电源供电(Operates From single Supply) (一些双极型工艺的电路可能需要双电源),并且线性度好、功率足够,用途广泛,既可用于基站PA的驱动级,也可用于3G手机系统或低频IF放大器。但它的输出功率有限(如+13dBm),作为手机最终PA(可能需要+20dBm以上)不够,但非常适合做前级驱动(Driver Amplifier)。
宽频放大器规格
接着,我们来看它的S参数图。这是你们做仿真模拟时必须学会看的。

S11(输入反射系数)和S22(输出反射系数)都在-15dB到-20dB以下,说明匹配得很好。
再看噪声系数图,大家观察一下,噪声系数通常随着频率升高会怎么样?不难看出,随着频率增大,噪声系数趋势是增大 ,这在宽带放大器中是一个典型现象。
大家经常会遇到一个问题:比如很多人买了一个射频放大器模块,上面写着"噪声系数(Noise Figure)3.5dB"。哇,这个指标看起来很好。于是学生就来问:"老师,我买了这个。"
我就问他:"小董同学,3.5dB这个噪声系数,它的定义是什么?是在什么条件下测出来的?"他可能就愣住了:"呃,这个3.5就是那个3.5嘛,还有什么定义啊?"我说:"你回去给我查清楚。"
这让我想起一个职场故事 :有两个人(甲和乙)同时进公司,后来要升经理时,领导提拔了甲。乙很不服气,跑去找协理(副总经理)理论:"协理,我们俩一起进来的,我能力不比他差,口才也好......(列举一堆优点),您为什么要提拔他?"
协理说:"你别激动。这样吧,我给你一个机会。你去市场上看看,然后回来向我报告一下。"乙说好,马上跑到市场,看到一个农夫在卖花生,颗粒很大。他立刻跑回来说:"老板,我看到一个农夫在卖花生,品质不错。"老板心想:"好吧,那你去问问怎么卖?"他又跑去问农夫一斤多少钱,再跑回来说:"老板,他说一斤大概30块。"老板接着问:"那如果我们要大量采购,能便宜点吗?品质怎么管控?"他又想跑回去问。这时老板说:"你先别去了。来,我叫甲(另一位员工)也去看看,回来报告一下。"
甲去市场看完回来报告:"老板,我看到那个农夫的花生不错。我问了价格,一斤大概30块。但如果我们整车买下来,他愿意算一斤10块钱,并且保证品质。我还跟他谈好了,如果品质不好可以直接退货。"乙在旁边一听,马上脸就绿了,不敢再说话了。结果可想而知。
这个故事说明,在职场上,一个只会按指令做事、问一句答一句的人,和一个能主动思考、预判需求、提供全面信息的人,发展前景是完全不同的。人家问你一个问题,你应该能主动回答出相关的十个问题,给老板带来惊喜,这样你就成功了。
回到噪声系数的问题。如果数据手册上写3.5dB,你必须搞清楚:是在哪个频率点测得的? (比如是在1.8GHz下)。那如果你要用在2.4GHz呢?数据可能就变成5dB了,根本不能用。这不就白买了吗?
从刚才的噪声系数图我们可以看到,噪声确实会随着频率升高而增加。所以当你看到一个"很好"的指标时,一定要保持怀疑:这个数据是真的吗?在什么条件下测的?厂商的数据手册往往"报喜不报忧",先把产品卖出去再说。等你买了发现不能用,他已经赚到钱了。因此,看数据手册一定要仔细,通常关键的限制条件会写得比较模糊。
其他需要注意的还有增益平坦度 。比如它说增益可以做到20dB,但你得怀疑:增益随频率变化怎么样? 我们看 S 21 S_{21} S21(增益)曲线,它是随着频率一路掉下来的。在有些要求严格的系统(比如某些基站系统)里,会要求在1-2GHz这么宽的频带内,增益波动只能有正负1dB 。
很多人会很天真地想:"我买的每个放大器模块增益波动都是正负1dB,那把它们级联起来,总波动应该也是正负1dB吧?"结果一搭起来发现,总增益波动达到了正负5dB!
所以,当你设计一个要求正负1dB的接收机或发射机链路时,需要把指标平均分配 到每个环节,可能每个放大器只允许正负0.2dB 的波动。你看这个MMIC放大器能用吗?在1-2GHz内,它的增益掉了大概0.5dB。所以,宽带系统其实很不好做 ,指标非常严苛。当然,那种造价上百万的基站设备用的都是最好的器件。我们学校做研究,能动起来、能验证概念就好,规格要求可以适当放宽。
另外,输出功率( P 1 d B P_{1dB} P1dB)和三阶交调点(OIP3)也会随频率升高而下降。所以数据手册上写的指标,你一定要知道是在哪个频率测的。到了你使用的高频段,性能往往会变差。这就像人年纪大了,受地心引力影响,身体状态会变化一样。
宽带放大器的设计概念
接下来,我们讨论宽带放大器的设计概念。

首先看一个单纯的晶体管 (没有任何外围电路)。蓝色的曲线是它的S21(正向传输系数,即在50欧姆系统中的增益)。在低频是平坦的,到高频开始下降。我们第一章讲过,这个下降的斜率是多少?起初每十倍频程下降20dB(-20dB/decade),后面会更陡。
有S参数后,你可以立刻用软件算出它的 G m a x G_{max} Gmax(最大可用功率增益) ,即图中粉红色的曲线。 G m a x G_{max} Gmax是晶体管在输入输出端都完美匹配 后能达到的理论最大增益。而S21是直接接在50欧姆系统中的增益。
那么,这两条曲线之间的差距代表什么? 它代表了通过匹配电路可以"挽救"回来的增益 。在低频段,通过良好的匹配,增益可以提升很多(差距大)。但到了高频段,匹配能救回来的增益就非常有限了(两条曲线几乎贴在一起了)。
另外要注意,软件计算出的 G m a x G_{max} Gmax曲线其实分为两段,中间有一个明显的转折点:
- 转折点之前,叫做 MSG(最大稳定增益)。这时晶体管的稳定因子K<1,处于潜在不稳定状态。MSG的定义大致是 |S21/S12|。
- 转折点之后,叫做 MAG(最大可用增益)。这时K>1,晶体管是绝对稳定的。
在低频段(K<1),为了使用这个晶体管并让它稳定工作,你必须额外加电阻 (比如反馈电阻或损耗性匹配)来稳定它。但这样做的代价 就是,你最终能实现的最大增益,绝对不会超过MSG这条线。也就是说,你为了稳定而牺牲了部分潜在增益。
到了高频段(K>1,晶体管自身稳定),你才有可能通过无损匹配网络去逼近MAG这条理论极限。
所以,在设计宽带放大器时,你需要清楚地知道:在目标频段内,通过匹配网络能提升的增益空间还有多少?很多时候,尤其是在高频宽带设计中,这个可提升的空间已经非常小了,设计挑战很大。

不过,不要忘了,我们设计的是宽带放大器,而不是高增益放大器,宽带才是我们的首要目标
利用反馈(Feedback) 技术,虽然我无法实现像 G m a x G_{max} Gmax那么高的增益,但我可以通过直接加一个反馈电阻,把原晶体管的增益( S 21 S_{21} S21)曲线拉下来。反馈必然会降低增益 ,但它的好处是能让增益在很宽的频率范围内变得平坦,几乎成为一个常数 。原本晶体管的增益是随频率变化的,加入反馈后,中低频段的增益响应会变得非常平坦。
然而,到了高频部分,晶体管的寄生效应 (如极间电容)开始显现,这会破坏反馈的平坦效果,导致增益曲线在高频端下滑。这时,你可能需要做一些微调(Tuning),比如加一些小元件来补偿,把高频响应再"理"回来一点。
所以,反馈放大器设计的基本思路就是:用反馈把增益拉到某个较低且平坦的水平,但要接受高频端因寄生效应而产生的滚降。
那么,如果我们的目标增益是15dB(如图中绿色水平线),这个反馈电路能达到的最大带宽是多少 呢?
我们看,原来晶体管在50欧姆系统中的增益是 S 21 S_{21} S21曲线。反馈后的增益有可能比原来的 S 21 S_{21} S21还高吗?------不可能。 所以,反馈放大器的增益曲线(水平部分)最终会与原本的 S 21 S_{21} S21曲线相交。这个交点就决定了反馈所能提供的带宽极限 。也就是说,反馈带来的平坦增益带宽,大致就到 S 21 S_{21} S21曲线跌落到目标增益值的那个频率点。
但是,请注意,我们通过完美匹配能达到的理论最大增益是 G m a x G_{max} Gmax曲线。在 S 21 S_{21} S21和 G m a x G_{max} Gmax曲线之间的这个区域,是可以通过匹配网络(Matching)来提升增益的。

所以,如果你想在反馈的基础上,再把带宽往高频延伸一点(即超过与 S 21 S_{21} S21的交点),就可以在反馈电路之外,额外加入匹配电路 ,把增益"救"回来一点,延伸到更接近 G m a x G_{max} Gmax曲线。但这需要非常小心的设计,因为匹配电路可能会破坏反馈已经建立好的平坦特性和稳定性,所以很多人为了简单起见,会直接放弃这一段,只使用反馈本身提供的带宽。
总结一下这张图想表达的:
- 反馈将增益拉平到某个值(如15dB),其带宽由该水平线与 S 21 S_{21} S21曲线的交点决定。
- S 21 S_{21} S21曲线与 G m a x G_{max} Gmax曲线之间的增益差额,可以通过匹配网络来弥补。
- 因此,一个晶体管最终能实现的最大增益带宽,理论上可以延伸到 G m a x G_{max} Gmax曲线与目标增益线的交点,但实际中往往通过反馈获得平坦响应,或结合反馈与匹配来优化。
所以,拿到一个晶体管,画出它的 S 21 S_{21} S21和 G m a x G_{max} Gmax曲线后,你就能立刻评估出它在某个增益目标下能达到的带宽潜力。这并不复杂。
设计实例
接下来,我们讲一个最简单的宽带反馈放大器设计实例。具体公式推导在参考书(比如Gonzalez那本)里有,这里我们直接讲应用。
但必须强烈提醒大家 :不要拿到公式就盲目套用!这个经典推导基于一个极度简化的晶体管模型 (比如对于BJT,它甚至忽略了基极电阻;对于FET,就是简单的跨导模型Vgs->Id),而且完全忽略了所有寄生效应 (电容、电感)。
所以,这个公式在低频段是相当准确的 ,你可以用它来快速估算和设计。但是,到了高频段,由于寄生效应变得主导,实际结果一定会偏离公式预测。
因此,了解每一个公式或模型的成立条件和局限性至关重要。做研究绝对不能像"泡面族"一样,拿来就泡,吃完就扔。你必须知道这"调味包"里是什么,该怎么加。如果只是照抄架构、混个文凭,到了实际工作中,老板一句"你不是硕士吗?这都做不出来?"就会让你非常被动。学习的目的,是训练清晰的思维和深入理解的能力。

现在来看这个最简单的反馈电路:它由两个电阻构成(R1和R2)。通过这个简单模型,可以推导出整个网络的S参数。
这个电路有几个关键特性:
- 输入输出阻抗接近50欧姆 :通过精心选择反馈电阻值,可以使放大器的输入和输出阻抗都在宽频带内接近50欧姆。这意味着你很可能不需要额外的匹配电路,大大简化了设计。这也是为什么在微波频段(比如十几GHz以上),国外很多设计喜欢用反馈------为了节省芯片面积(省钱),并且简化布局。
- 具有良好的稳定性:反馈本身就有稳定电路的作用,可以很容易地让晶体管从低频到高频都保持稳定,无需额外加稳定电路。
- 实现宽带:这是反馈的主要目的。
- 缺点 :
- 噪声差:反馈电阻本身会产生热噪声,并且这个噪声会被放大器放大,因此这种结构的噪声系数(Noise Figure)通常较差。
- 增益不高:反馈会牺牲增益。要想获得高增益,就需要多级级联。
- 增益-带宽积恒定 :这印证了我们之前讨论的趋势:带宽越宽,单级可实现的增益就越低。增益和带宽是相互制约的。
好的,我们继续深入探讨。有同学问:"为什么增益-带宽积(Gain-Bandwidth Product)是一个常数?"
这是一个电子学里的经典概念。在一个系统中,如果将增益(Gain)设置在某个值A1,它的带宽(Bandwidth)就是B1;如果把增益降到A2,带宽就会扩展到B2。增益和带宽的乘积(A × B)是一个常数 。

在这个图表里,横轴(频率)和纵轴(增益)都是对数坐标(Log Scale) 。
注意,当我们说"增益乘上带宽是常数"时,这里的增益和带宽通常是指线性尺度Linear Scale 的数值。但在对数坐标下,乘法会变成加法。也就是说,增益(dB) + 带宽(Hz)的对数值 ≈ 常数 。
为什么在这个图中能体现出这种关系呢?
关键就在于晶体管自身的 S 21 S_{21} S21曲线(蓝色线)在高频段是一条直线 (在对数坐标下)。直线的斜率是恒定的,例如每十倍频程下降20dB(-20dB/decade)。因为斜率固定,所以增益的下降量与频率的增加量(在对数尺度下)成固定比例 。这本质上就反映了增益与带宽之间的权衡关系。
你可以这样直观理解:在这条直线上取两个点(G1, F1)和(G2, F2)。由于斜率固定,两点之间增益的差值(G1 - G2)与频率的比值(F2/F1,取对数后就是差值)成正比。经过数学转换,这等价于G1 × F1 ≈ G2 × F2 (在线性尺度下),即增益-带宽积为常数。
简单来说,正是 S 21 S_{21} S21曲线在高频段的直线特性,决定了增益-带宽积为常数这一基本规律。 大家可以课后试着从直线斜率的定义出发,简单推导一下。
反馈放大器的具体公式
接下来,我们推导反馈放大器的具体公式。

我们使用一个简化的晶体管模型(对FET是跨导gm,对BJT是跨导β,并忽略基极电阻等寄生参数)。电路由两个反馈电阻R1和R2构成(具体接法见图)。
推导S参数时,核心是理解S参数的测量定义 。我们以求解 S 11 S_{11} S11和 S 21 S_{21} S21为例:
- 建立测试环境:在输入端口接一个50Ω源(假设源电压Vs=2V,方便计算),输出端口接50Ω负载。
- 求解 S 11 S_{11} S11(输入反射系数) :
- 测量输入端的电压V1。
- S 11 S_{11} S11 = (反射电压波) / (入射电压波)。
- 入射电压波 = Vs / 2 = 1V (因为源阻抗和输入阻抗分压)。
- 反射电压波 = V1 - (入射电压波) = V1 - 1V。
- 因此,S 11 S_{11} S11 = (V1 - 1) / 1 = V1 - 1。(因为Vs设为2V,计算大大简化)
- 求解 S 21 S_{21} S21(正向传输增益) :
- 测量输出端的电压V2(在50Ω负载上)。
- S 21 S_{21} S21 = (传输到负载的电压波) / (入射电压波)。
- 传输到负载的电压波就是V2。
- 因此,S 21 S_{21} S21 = V2 / 1 = V2。
- 同理 ,将源和负载对调,可以求出 S 22 S_{22} S22和 S 12 S_{12} S12。
通过这种"手算"方法,结合电路分析(基尔霍夫定律等),就能推导出用R1, R2, gm等表示的S参数公式(具体推导过程参考Gonzalez等教材)。
最终公式会显示一个有趣且重要的性质:在这种简单的电阻反馈结构中, S 11 S_{11} S11和 S 22 S_{22} S22的表达式是相同的 。这意味着,如果输入匹配好了( S 11 S_{11} S11=0),输出也会自动匹配好( S 22 S_{22} S22= 0),这是反馈放大器一个非常突出的优点。

公式的应用

我们的第一个设计目标往往是:通过选择R1和R2,使得 S 11 S_{11} S11和 S 22 S_{22} S22同时为零(即输入输出完美匹配到50Ω) 。这样,前后级就完全不需要额外的匹配电路了。
将 S 11 S_{11} S11=0和 S 22 S_{22} S22=0的条件代入公式,可以得到R1和R2必须满足的关系式。再将这些关系代回S21的公式,会发现S21的表达式变得非常简单:
S 21 ≈ Z 0 − R 2 Z 0 S_{21} ≈ \frac{Z_0 - R_2}{Z_0} S21≈Z0Z0−R2 (注:这是简化后的核心关系,具体符号和系数可能因模型而异)
这个结果非常直观!它表明,在这种特定设计下,放大器的增益( S 21 S_{21} S21)主要由反馈电阻R2控制。R2是哪个电阻呢?就是连接在输出和输入之间的那个电阻(在经典模型中,常被称为"并联反馈电阻"或"shunt feedback resistor")。
关于反馈类型的命名 : 这里确实存在一些术语上的混淆,不同领域(微波工程 vs 模拟电子学)习惯不同。
微波工程视角 :通常更关注物理连接。R2并联在输出和输入之间,常被称为"并联反馈电阻"。R1串联在源极(或发射极),常被称为"串联反馈电阻"。
模拟电子学视角 :通常基于信号取样和混合的方式。例如,从输出取样电压,以电流形式送回到输入,称为"电压取样-电流混合",对应"并联-串联反馈"等。对于实际设计,理解电路原理和影响比纠结名称更重要。大家知道在微波设计文献中常如何指代即可,核心是掌握R1和R2各自对输入匹配、输出匹配、增益、稳定性等性能的影响。
R2与增益的关系 : S 21 S_{21} S21通常是负值 (表示反向放大)。所以,R2必须大于Z0(50Ω) 。R2越大, S 21 S_{21} S21的绝对值(也就是电压增益的幅度)就越大。反过来,R2越小,反馈量越大,增益就被拉得越低。
* 极端情况 :如果R2趋近于无穷大,那就相当于没有反馈(断路),增益会回到晶体管自身的最大值。但这不符合我们使用反馈的目的。
我们想要实现 "输入输出同时完美匹配到50Ω"(即 S 11 S_{11} S11= S 22 S_{22} S22=0) 。这需要满足一个由公式推导出的必要条件 :
晶体管的跨导 gm 必须满足:gm > R2 / (Z0)²
这个条件意味着,只有gm足够大的晶体管,才能仅用两个反馈电阻就实现宽带匹配 。如果gm太小,这个理想条件无法达成。
因此,标准的设计流程如下:
* 第一步 :确定你需要的增益目标 | S 21 S_{21} S21|(绝对值)。
* 第二步 :根据公式 S 21 ≈ Z 0 − R 2 Z 0 S_{21} ≈ \frac{Z_0 - R_2}{Z_0} S21≈Z0Z0−R2 计算出所需的反馈电阻R2。
* 第三步 :选择一个晶体管,并确定其偏置点,使得在该工作点下的 gm 值满足 gm > R2 / (Z0)² 的条件。
* 第四步 :根据已确定的R2和gm,利用关系式计算出另一个反馈电阻R1的值。
* 第五步 :完成。此时 S 11 S_{11} S11和 S 22 S_{22} S22理论上为0, S 21 S_{21} S21为你设定的值, S 12 S_{12} S12(反向隔离)也可由公式算出。
这个过程在ADS等仿真软件中实现起来非常快。关键是要学会在软件中提取晶体管的gm值(例如,通过查看I-V曲线,或利用软件的微分功能直接计算特定偏置点的跨导)。
很多实际电路中,为了更简单,会选择去掉源极/发射极电阻R1 (即令R1=0,晶体管直接接地)。但是,这样一来设计约束就完全变了。我们的目标依然是:只用单个反馈电阻R2,同时实现输入输出匹配到50欧姆( S 11 S_{11} S11= S 22 S_{22} S22=0)。这相当于在上述流程中增加了一个更强的约束 :g m g_m gm必须精确等于1/Z0 。
这时,设计自由度降低,你需要仔细调整晶体管的偏置点,使其 g m g_m gm刚好等于20mS(对应50Ω),同时R2由增益决定。这对于MOS管可能方便些(可通过调整宽长比W/L改变 g m g_m gm),但对于固定尺寸的微波晶体管(如BJT),就只能通过精细调节偏置电压来"碰"到那个特定的 g m g_m gm值。
如何找到或计算晶体管的gm?
无论是BJT还是MOSFET,g m g_m gm的定义都是输出电流对输入电压的导数 。在I-V特性曲线上,它就是曲线在特定工作点(Q点)的斜率。
BJT:观察Ic对Vbe的曲线, g m g_m gm = d(Ic) / d(Vbe)。
MOSFET:观察Ids对Vgs的曲线,在饱和区, g m g_m gm = d(Ids) / d(Vgs)。
在ADS等仿真软件中,这非常简单: 对晶体管进行DC扫描仿真,得到I-V曲线。利用软件的内置函数或计算器(Calculator),直接对电流取相对于电压的微分(Derivative) 。
这个微分值就是gm。你可以轻松地观察gm随偏置电压(如Vgs)的变化,从而找到gm=20mS的精确偏置点。

现在,我们来看一个同学常犯的"照搬公式"错误范例:
有同学想设计一个增益为10dB的放大器,使用简化的反馈结构(只有R2,没有R1)。他找到了公式: S 21 ≈ − R 2 Z 0 S_{21} ≈ \frac{- R_2}{Z_0} S21≈Z0−R2。
- 第一步(转换单位):他知道10dB需要转换成线性值。S21(dB) = 20 log₁₀(|S21|),所以 |S21| = 10^(10/20) = 10^0.5 ≈ 3.16。
- 第二步(套用公式):他代入公式 R2 = |S21| × Z0 = 3.16 × 50Ω ≈ 158Ω。
- 第三步(忽略符号和条件):他兴高采烈地用了158Ω的电阻。
这个做法的问题在哪里?
- 忽略了相位 :他忘记了S21是负值,公式应该是 S21 ≈ -R2/Z0 。如果|S21|=3.16,那么S21 = -3.16。正确的计算应该是 R2 = |S21| × Z0 = 3.16 × 50 = 158Ω。这一步在数值上巧合地对了,但他对公式的物理意义(反向放大)理解模糊。
- 更严重的是,他完全忽略了实现匹配的必须条件 !对于这种简化电路(R1=0),要实现匹配,g m g_m gm必须精确等于 1/Z0 = 20 mS 。他根本没有去验证或选择晶体管的 g m g_m gm是否满足这个苛刻条件。如果 g m g_m gm不是20mS,那么即使R2=158Ω,输入输出端口也根本不会匹配到50Ω,实际性能会和理论计算相差甚远。
这就是典型的"知其然,而不知其所以然"。只找到了公式,却不理解公式的适用范围、前提假设和物理含义,直接套用数字,这样设计出来的电路几乎一定会失败。
所以,请大家务必记住:公式是工具,但理解背后的原理和限制条件,才是正确使用工具的关键。 设计每一步都要问"为什么",并验证条件是否满足。这才是工程师和研究人员应有的思维方式。
很多同学来读研究所的心态是:找到一个现成的电路或公式,照着做出来,东西能动,老师就让毕业了。是的,在学校也许能过关,但出去工作问题就大了。
这位学长的错误在哪里?他只用了公式的一部分(只计算了R2),其他所有前提条件和限制他都没有考虑。他认为:"我看到了一个公式,带进去算出来就行了。"
好,我们来考考大家:如果你真的用他这个方法(只按公式算出R2=158Ω,其他都不管)去实际仿真或制作这个电路,最终测得的S21增益会是大于10dB、等于10dB,还是小于10dB?
大家猜猜看?......答案是:一定大于10dB 。
为什么?我作为"主管"或老师,会这样回答这位新手工程师:"因为你用的公式,其成立有一个根本的前提 :你必须同时满足所有条件,让S11和S22都等于0(完美匹配) ,这个公式推导出的增益才成立。"
你只满足了其中一个式子(算出了R2),但完全忽略了实现匹配的另外两个关键:
- 你没有使用电阻R1(在他的电路里R1=0)。
- 你没有去选择和调整晶体管的偏置点 ,使其跨导 gm 满足那个至关重要的匹配条件(对于R1=0的简化电路,要求 gm 必须精确等于 1/Z0 = 20 mS)。
这两个条件你都不满足。
那么结果是什么呢?
- 因为没有R1的本地反馈来降低增益 ,实际的增益会比理论值更高,所以会大于10dB。
- 因为 g m g_m gm不满足匹配条件,输入输出端口会严重失配(S11和S22很差,远不是0),大部分信号都被反射掉了,你实际能用的增益和带宽会和你计算的相差甚远,电路性能完全不可控。
所以,这个看似简单的问题,暴露出的根本症结是:读书、用公式时,没有养成"求甚解"的习惯。
一个合格的工程师或研究员,在看到任何公式或电路时,必须主动思考并弄清楚:
- 这个公式是怎么推导出来的? 它的物理意义是什么?
- 它的成立前提和限制条件是什么? 我在什么情况下用是对的,什么情况下用会出错?
- 我使用它时,是否违反了这些限制? 我该如何确保条件被满足?
如果你养成了这种深度思考、凡事追问"为什么"和"前提是什么"的习惯,那么你到业界后,自我学习和解决问题的能力会很强,不太会遇到无法逾越的障碍。
反之,如果你只是浏览、照抄,不求甚解,那么在实际工作中将会处处碰壁,因为现实世界没有"标准答案",每个设计都有其特定的约束和边界条件。
因此,虽然这个题目很简单,但你一定要亲手去做、去仿真、去失败一次 。只有从失败中,你才能获得别人无法教给你的深刻经验。与其在职场付出代价(比如影响绩效和奖金),不如现在就在学校里、在成本可控的环境下,多经历一些"有指导的失败"。
希望大家都能成为那个能帮"小老弟"解决问题的"老大哥",而不是那个只会问"为什么不对"的新手。