风电永磁同步电机并网系统simiulink/matlab仿真模型 复现的一个simulink风电永磁直驱同步电机并网系统模型,做风电有关算法的时候可以用到, 机侧和网侧均采用SVPWM控制, 机侧做好了MPPT风能跟踪算法: 使用Crowbar电路兼顾低压穿越功能
在风电领域的研究中,永磁同步电机并网系统的仿真模型至关重要,它为我们深入研究相关算法提供了有效的平台。最近我成功复现了一个Simulink风电永磁直驱同步电机并网系统模型,今天就来和大家分享一下。
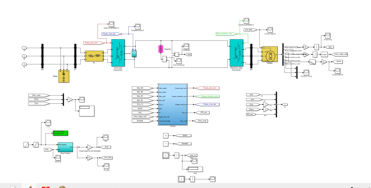
一、整体架构概述
这个模型包含了机侧和网侧,并且两侧均采用SVPWM(空间矢量脉宽调制)控制。SVPWM控制能够使电机获得更好的运行性能,比如更低的转矩脉动、更高的直流电压利用率等。在Matlab中实现SVPWM控制,核心代码如下:
matlab
% SVPWM算法实现示例代码
% 假设已经获取到三相电压指令值Ua_ref, Ub_ref, Uc_ref
% 计算合成电压矢量幅值和角度
U_alpha = Ua_ref;
U_beta = (sqrt(3)/3)*(Ub_ref - Uc_ref);
U_mag = sqrt(U_alpha^2 + U_beta^2);
theta = atan2(U_beta, U_alpha);
% 扇区判断
if U_beta >= 0 && U_alpha >= sqrt(3)*U_beta
sector = 1;
elseif U_alpha >= 0 && U_beta >= sqrt(3)*U_alpha
sector = 2;
elseif U_beta >= 0 && U_alpha <= -sqrt(3)*U_beta
sector = 3;
elseif U_alpha <= 0 && U_beta <= -sqrt(3)*U_alpha
sector = 4;
elseif U_beta <= 0 && U_alpha >= sqrt(3)*U_beta
sector = 5;
else
sector = 6;
end
% 计算开关时间
T1 = (4*pi/3)*U_mag*cos(theta - (pi/6))*Ts/Vdc;
T2 = (4*pi/3)*U_mag*cos(theta + (pi/6))*Ts/Vdc;
T0 = Ts - T1 - T2;
% 分配开关时间到三相
if sector == 1
Ta_on = T0/2 + T1;
Tb_on = T0/2 + T1 + T2;
Tc_on = T0/2;
elseif sector == 2
Ta_on = T0/2;
Tb_on = T0/2 + T1;
Tc_on = T0/2 + T1 + T2;
% 此处省略sector 3 - 6的代码,逻辑类似
end
在这段代码中,首先通过三相电压指令值计算出合成电压矢量的幅值和角度,然后根据角度判断当前处于哪个扇区,进而计算出每个扇区对应的开关时间,最终将开关时间分配到三相上,实现SVPWM调制。
二、机侧MPPT风能跟踪算法
机侧还做好了MPPT(最大功率点跟踪)风能跟踪算法。MPPT算法的目的是让风力发电机在不同的风速下都能尽可能地捕获到最大风能。其基本原理是通过不断调整电机的转速,使得风力发电机的输出功率始终保持在最大功率点附近。在Simulink模型中,我们可以使用PI控制器来实现MPPT算法的转速调节。以下是简单的代码示意:
matlab
% MPPT算法中PI控制器示例代码
% 假设已经获取到当前风速v_wind,计算出的最佳转速omega_opt
% 当前电机转速omega
Kp = 0.5; % 比例系数
Ki = 0.1; % 积分系数
error = omega_opt - omega;
integral = integral + error*dt;
control_signal = Kp*error + Ki*integral;
这里通过比较最佳转速和当前电机转速得到误差,PI控制器根据这个误差和设定的比例、积分系数计算出控制信号,用于调节电机转速,从而实现MPPT。
三、Crowbar电路与低压穿越功能
模型中使用Crowbar电路兼顾低压穿越功能。当电网电压跌落时,Crowbar电路会迅速投入,将电机转子侧的部分能量消耗掉,避免电机过流、过压等问题,确保电机在电网故障期间能够维持稳定运行,待电网电压恢复正常后,再退出Crowbar电路。虽然在Simulink中搭建Crowbar电路主要是通过模块连接,但从代码角度理解其控制逻辑的话,类似如下:
matlab
% Crowbar电路控制逻辑示例代码
% 假设获取到电网电压V_grid
V_threshold = 0.8; % 电压跌落阈值
if V_grid < V_threshold
crowbar_status = 1; % 投入Crowbar电路
else
crowbar_status = 0; % 退出Crowbar电路
end
通过判断电网电压是否低于设定的阈值来决定是否投入Crowbar电路,从而实现低压穿越功能。
这个复现的Simulink风电永磁直驱同步电机并网系统模型,集成了多种关键技术和算法,无论是对于风电领域的新手学习,还是资深研究者进行新算法的开发验证,都具有很大的价值。希望大家也能基于这个模型,在风电研究中取得更多成果。
