FPGA教程系列-流水线思想初识
流水线设计是一种典型的面积换性能的设计。一方面通过对长功能路径的合理划分,在同一时间内同时并行多个该功能请求,大大提高了某个功能的吞吐率;另一方面由于长功能路径被切割成短路径,可以达到更高的工作频率,如果不需要提高工作频率,多出来的提频空间可以用于降压降功耗。流水线设计是完美的时间并行。因为流水线上每一级的处理都是一个时钟周期的延时,并且一动则全动,每一级的延时可以完美的掩盖起来,最高实现与流水级数相同数量的请求并行度。
简单来说,流水线思想就是:将一个耗时长的复杂任务,切分成若干个耗时短的小任务,并让它们重叠执行。
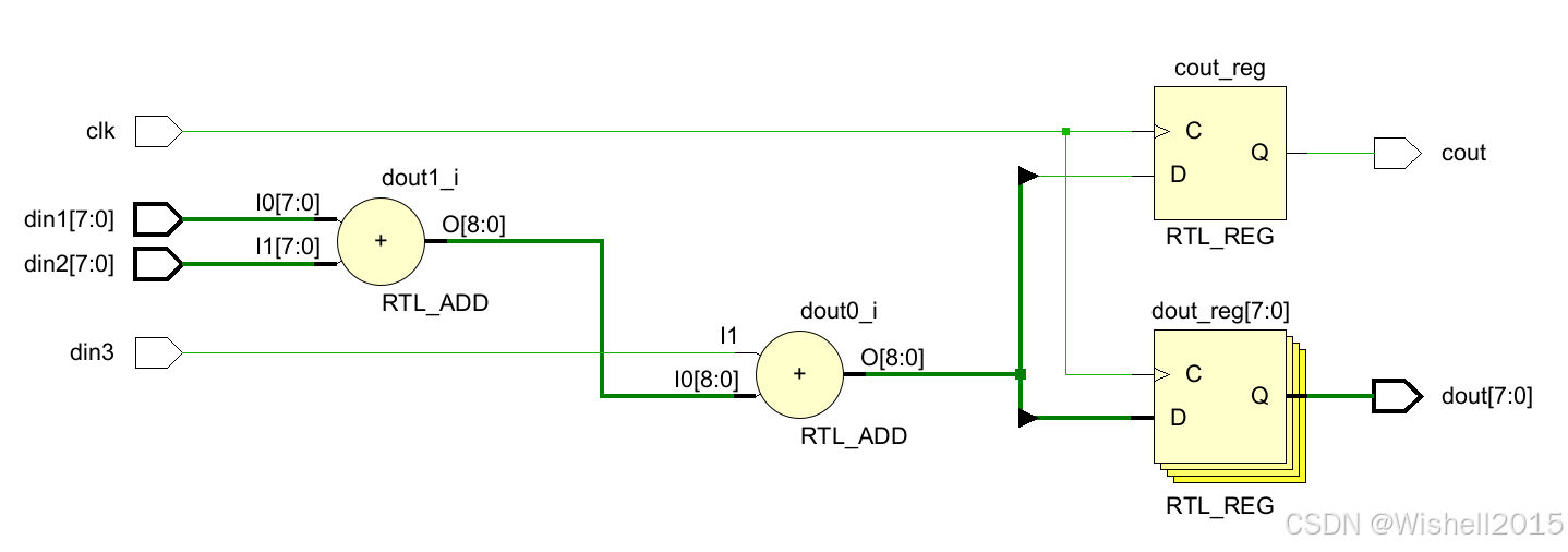
先列一个简单的例子,一个加法器如下:
verilog
`timescale 1ns / 1ps
//
module add1(clk,din1, din2, din3, dout, cout);
input clk;
input [7:0] din1;
input [7:0] din2;
input din3;
output [7:0]dout;
output cout;
reg [7:0] dout;
reg cout;
always @(posedge clk)
begin
{cout,dout} <= din1 + din2 + din3;
end
endmodule
testbench如下:
verilog
`timescale 1ns / 1ps
module test_add1;
reg clk;
reg [7:0] din1;
reg [7:0] din2;
reg din3;
wire [7:0]dout;
wire cout;
add1 add1u(
.clk (clk),
.din1 (din1),
.din2 (din2),
.din3 (din3),
.dout (dout),
.cout (cout)
);
initial
begin
clk=1;
end
always #5 clk=~clk;
initial
begin
din1=8'd0;
din2=8'd0;
din3=1'd0;
#10
din1=8'd2;
din2=8'd3;
din3=1'd0;
#10
din1=8'd4;
din2=8'd5;
din3=1'd0;
#10
din1=8'd8;
din2=8'd11;
din3=1'd1;
#10
din1=8'd18;
din2=8'd21;
din3=1'd1;
#10
din1=8'd22;
din2=8'd31;
din3=1'd1;
#10
din1=8'd0;
din2=8'd0;
din3=1'd0;
end
endmodule
仿真结果如下:

RTL结构图:
采用流水线思想
verilog
`timescale 1ns / 1ps
module add1_pipeline(
input wire clk,
input wire [7:0] din1,
input wire [7:0] din2,
input wire din3,
output reg [7:0] dout,
output reg cout
);
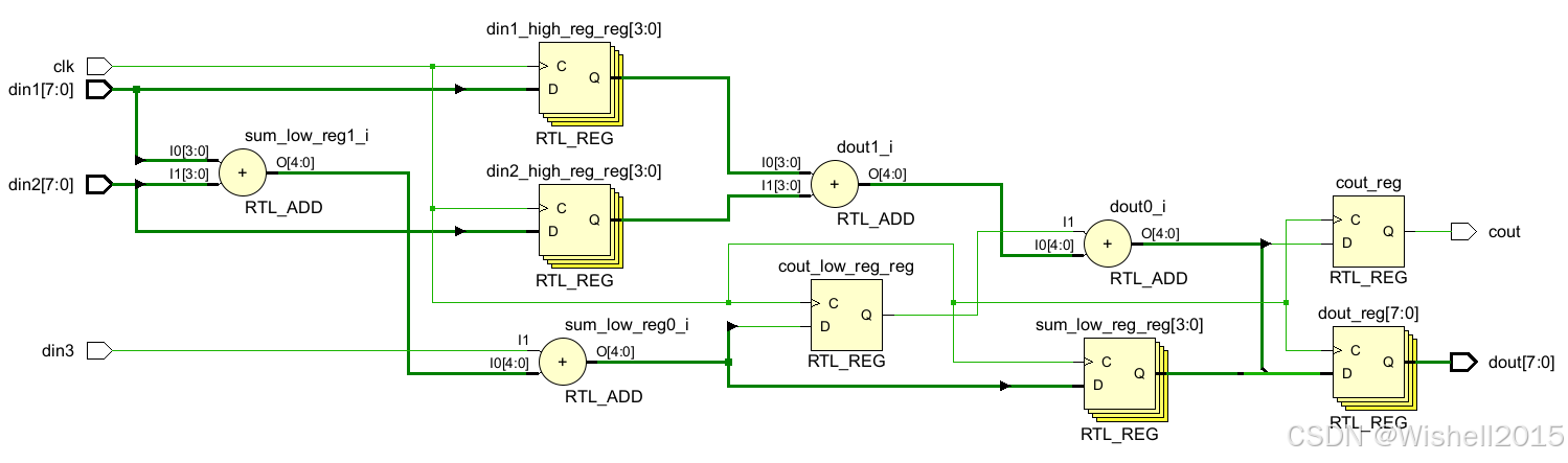
// --- 第一级流水线寄存器 ---
reg cout_low_reg; // 存储低4位的进位
reg [3:0] sum_low_reg; // 存储低4位的和
reg [3:0] din1_high_reg; // 【关键】存储高4位输入,用于数据对齐
reg [3:0] din2_high_reg; // 【关键】存储高4位输入,用于数据对齐
// --- 第一级流水线逻辑 ---
always @(posedge clk) begin
// 1. 计算低4位,产生进位和结果
{cout_low_reg, sum_low_reg} <= din1[3:0] + din2[3:0] + din3;
// 2. 【关键】同步缓存高4位数据,让它们晚一拍再参与运算
din1_high_reg <= din1[7:4];
din2_high_reg <= din2[7:4];
end
// --- 第二级流水线逻辑 ---
always @(posedge clk) begin
// 使用【缓存过的高位数据】和【上一级产生的进位】进行运算
// 结果的高4位(含进位) 拼接 上一级的低4位结果
{cout, dout[7:4]} <= din1_high_reg + din2_high_reg + cout_low_reg;
// 低4位结果直接透传到输出(已经在流水线里待了一拍了)
dout[3:0] <= sum_low_reg;
end
endmodule
流水线的RTL:

空间切分:把"大象"切成块
不要试图一口气做完所有事情。
非流水线:
- 逻辑 :
din1 + din2 + din3(8位加法)。 - 这是一个"全能工匠"模式。在一个时钟周期内,电信号必须从最低位跑到最高位(进位链)。如果这个加法需要 10ns,时钟周期就必须大于 10ns(频率 < 100MHz)。这决定了系统的速度上限。
流水线:
- 逻辑:把 8位加法 切成 两个 4位加法。
- 这是"工厂流水线"模式。工位 1 :只负责算低 4 位。工位 2 :只负责算高 4 位。现在每个工位只需要算 4位加法,假设耗时变成 5ns。那么时钟周期可以缩短到 5ns(频率提升到 200MHz)。系统变快了!
时间同步
这是流水线最容易出错的地方。所有参与同一级运算的数据,必须来自同一个"时代"(同一个时钟周期)。
- 为了配合
cout_temp(它是上一拍数据的产物),原本的高位输入din1[7:4]必须等待。 - 我们需要给
din1[7:4]安排一个"候车室"(寄存器),让它等一拍。 - 到了下一拍,
cout_temp出来了,候车室里的din1_old也出来了,它们才是"原配",才能在一起运算。
核心格言:流水线不仅是切分逻辑,更是管理数据的"旅行时间",确保它们在正确的时间点相遇。
效率权衡:吞吐率 vs 潜伏期
流水线不是免费的午餐,它用"等待"换来了"速度"。
潜伏期(Latency)变长了:
- 原代码:输入数据,1个周期后出结果。
- 流水线代码:输入数据,2个周期后才出结果。
- 代价:对于单个数据来说,处理时间变长了。
吞吐率(Throughput)变高了:
- 虽然第一个结果要等 2 个周期,但是从第 2 个周期开始,每个时钟周期都会蹦出一个新结果。
- 而且,因为主频翻倍了(100M -> 200M),每秒钟能处理的数据总量翻倍了!
假设输入两组数据:
- T1 时刻输入 :
10 + 20(Data A) - T2 时刻输入 :
30 + 40(Data B)
流水线中,发生了什么?
| 时钟周期 | 阶段 1 (低4位处理) | 阶段 1 附属动作 (高位缓存) | 阶段 2 (高4位处理) | 输出结果 |
|---|---|---|---|---|
| T1 | 计算 10+20 的低4位 |
暂存 10+20 的高4位 |
(无效数据) | 无效 |
| T2 | 计算 30+40 的低4位 |
暂存 30+40 的高4位 |
取出 10+20 的高4位 + 低位进位 |
输出 10+20 的结果 |
| T3 | (处理 Data C...) | (暂存 Data C...) | 取出 30+40 的高4位 + 低位进位 |
输出 30+40 的结 |
在 T2 时刻:电路的前半部分正在处理 Data B (新来的)。电路的后半部分正在处理 Data A(刚才剩下的)。
这就是流水线:不同的任务在同一时刻重叠执行。
总结:
- 心中有路(Path) :看代码时,脑子里要能画出信号流动的路径。哪里是组合逻辑(跑得快但不能存),哪里是寄存器(跑得慢但能存)。
- 对齐意识(Alignment) :永远盯着数据看,问自己:"这个数据是哪一拍的?那个数据是哪一拍的?它们能相加吗?"如果辈分不同,就必须加寄存器打拍对齐。
- 切分艺术(Retiming) :如果时序报告告诉你"路径太长、频率上不去",就在那条长路径中间切一刀,插入一组寄存器。这就是流水线优化的本质。