介绍:
茂捷M1020电感式编码器芯片是一款专为高精度位置检测而设计的芯片产品,采用先进的电感技术,能够精确测量旋转物体的位置和角度。芯片将电感编码器转子的电磁感应电流进行转换、放大、滤波等处理,进而转成高线性的正弦、余弦信号,便于 MCU 等主控芯片解码成角度信号。
茂捷M1020电感式编码器芯片芯片支持校准功能,可校准输入信号和芯片的漂移电压、增益等,使得输出的正弦、余弦信号处于最佳状态。
茂捷M1020电感式编码器芯片适用于工业等领域的各种应用场景。
特点:
支持 PCB 电感的信号发射和信号接收。
角度测量精度:±0.05°。需要片外 MCU支持。
支持转速高达:600000rpm(单对极)。
安全功能:包括过热保护、过压保护、欠压保护等功能。
有效抵御电磁干扰,保证在复杂电磁环境下的正常工作。
温度工作范围:-40~150℃。
提供 TSSOP20L 封装

应用:
自动化产线、数控机床、机器人关节控制(支持功能定制及贴牌)
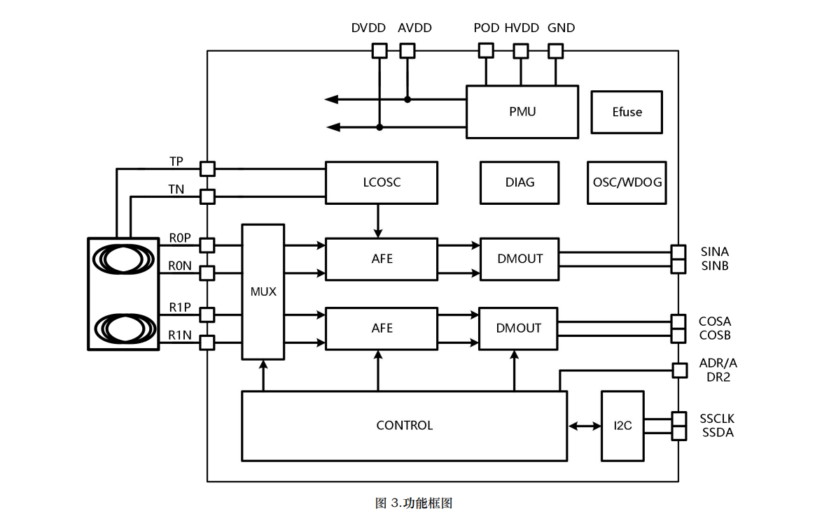
供电单元 PMU:
供电单元 PMU 集成了偏置电压、偏置电流和两路 LDO,AVDD 和 DVDD。LDO 可选择 3.3V 或4.5V 输出。HVDD 的电压典型值是 5V,耐压高达 15V。PMU 还集成了检测 HVDD 的过压检测、欠压检测功能,以及过热检测功能。
振荡器 OSC 和看门狗 WDOG:
振荡器 OSC 为芯片提供高精度、低温漂的 8MHz 时钟信号。看门狗 WDOG 提供低功耗的 32KHz低速时钟信号。

电感接收RX:
RX 包括 MUX、AFE、ADC 等几个模块。MUX 用来选择输入通路。AFE 用来提取、滤波、放大输入信号。ADC 用来量化经过 AFE 放大后的输入信号。
AFE 提取接收线圈所产生信号中的正弦和余弦分量,并将其滤波和放大,再交给 ADC 处理。
角度输出:
SIN、COS 输出的差分信号是 RX 接收信号后由 AFE 生成,延时较短。MCU 或 ECU 检测这些差分信号后,需自行转换成角度数据。
