目录
[一、IEEE 802.11无线局域网](#一、IEEE 802.11无线局域网)
[1.2 无线局域网的分类](#1.2 无线局域网的分类)
[二、IEEE 802.11的数据链路层](#二、IEEE 802.11的数据链路层)
[3.1 静态划分信道](#3.1 静态划分信道)
[3.2 随机访问](#3.2 随机访问)
[1. ALOHA协议](#1. ALOHA协议)
[2. CSMA协议](#2. CSMA协议)
[3. CSMA/CD协议](#3. CSMA/CD协议)
[3.3 轮询访问(受控访问)](#3.3 轮询访问(受控访问))
一、IEEE 802.11无线局域网
1.1无线局域网概述
IEEE 802.11是使用最广泛的无线局域网(WLAN)标准,常简称为Wi-Fi。
1.2 无线局域网的分类
|--------------|---------------------------------------------|-------------|
| 类型 | 核心特征 | 应用场景 |
| 有固定基础设施的WLAN | 依赖预先建立的固定通信基站,星型拓扑,是主流组网方式 | 家庭、校园、商场等场景 |
| 无固定基础设施的WLAN | 又称独立基本服务集(IBSS),属于自组织网络(ad hoc Network),无基站 | 临时会议、野外作业场景 |
有固定基础设施的WLAN
-
组网核心:接入点(AP)是星型拓扑中心,负责数据转发与链路管理。

-
基本服务集(BSS)
-
最小构成单元:1个AP + 若干移动站(STA)。
-
通信规则:BSS内、跨BSS通信均需经AP转发。
-
覆盖范围:基本服务区(BSA),直径≤100m,受环境干扰影响较大。
-
-
关键配置参数
|-------|--------|------------|-----------------|
| 参数 | 长度 | 本质 | 作用 |
| SSID | 最长32字节 | 无线局域网名称 | 供用户选择接入对应网络 |
| BSSID | 48位 | AP固化的MAC地址 | 标识单个BSS,与SSID区分 | -
网络扩展
-
多个BSS通过分配系统(DS,如以太网、无线骨干链路)连接,构成扩展服务集(ESS)。
-
ESS内各AP有唯一BSSID,共享同一SSID,支持移动站无缝漫游。
-
-
关联服务
-
关联:移动站选择AP建立连接,分为被动扫描、主动扫描两种方式。
-
重建关联:移动站将关联转移到其他AP。
-
分离:终止与AP的关联。
-
无固定基础设施的WLAN(IBSS)
-
网络特征:由对等移动站点构成的临时网络,无固定基站。
-
数据传输:采用多跳存储转发,中间节点需具备路由功能。

二、IEEE 802.11的数据链路层
2.1MAC帧类型
|-----|-------------------------------------------|
| 帧类型 | 功能 |
| 数据帧 | 传输站点间的数据 |
| 控制帧 | 协调信道访问(RTS/CTS)、保障可靠性(ACK)、管理能耗(PS-Poll)等 |
| 管理帧 | 加入/退出无线网络、处理与AP的连接转移(信标帧、关联请求帧、身份认证帧等) |
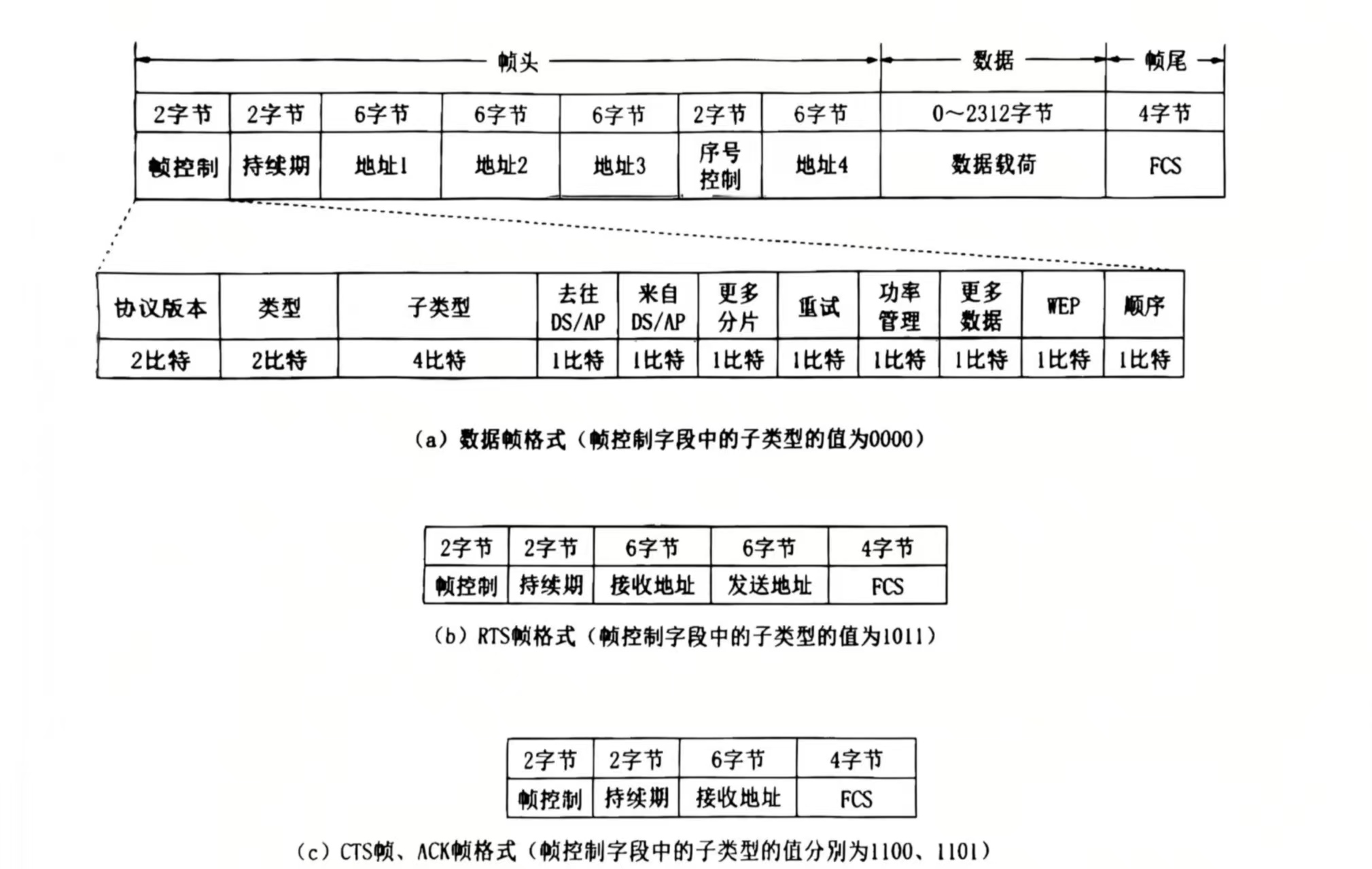
2.2数据帧结构
-
帧头:30字节,含控制信息和地址信息(4个6字节MAC地址字段,由"去往DS/AP""来自DS/AP"字段决定使用方式)。
-
数据:0~2312字节,实际应用中长度≤1500字节,兼顾性能与兼容性。
-
帧尾:4字节,存放帧校验序列(FCS),采用CRC校验。

核心字段
-
序号控制字段:含序号(12位,0++4095)和分片(4位,0++15),用于数据帧编号与分片标识。
-
帧控制字段:结构最复杂的字段,包含"去往DS/AP""来自DS/AP"、类型/子类型、WEP加密位等内容。
-
持续期字段:16位,用于信道占用时间协调,最大值为
,在CSMA/CA的虚拟载波监听和信道预约中发挥关键作用。
2.3CSMA/CA协议
-
使用原因
-
无线信号传输环境复杂,碰撞检测硬件要求较高。
-
存在隐蔽站问题(如A、B互不可达但均向AP发数据,无法检测碰撞),碰撞检测无实际意义。

-
-
核心改进:在CSMA基础上增加碰撞避免(CA)功能,而非碰撞检测(CD),仅能减少碰撞概率,无法完全避免。
-
媒体接入控制方式
-
分布式协调功能(DCF):默认方式,无中心控制,各站点用CSMA/CA争用信道,提供争用服务。
-
点协调功能(PCF):集中控制,一般在AP实现,用探询方式分配发送权。
-
-
关键机制
-
确认机制:依赖停止-等待确认实现可靠传输,适配无线信号易受干扰的特点。
-
时隙时间(Slot Time):IEEE 802.11基本时间单位,用于时间同步、传输时机判断、退避计时
-
帧间隔(IFS):站点需等待信道空闲一段IFS时间才能发送,IFS长短决定帧优先级。
|--------------|-------------|-----------------|
| 帧间隔类型 | 特点 | 用途 |
| 短帧间隔(SIFS) | 最短IFS,优先级最高 | ACK帧、CTS帧、分片数据帧 |
| DCF帧间隔(DIFS) | 比SIFS长 | DCF方式下的信道争用 | -
虚拟载波监听:通过网络分配向量(NAV)告知其他站点信道占用时间,减少碰撞。
-
退避算法
-
检测到信道忙则设置退避计时器,计时结束后才能发送。
-
随机数
从离散集合
中选取(i为重传次数)。
-
-
信道预约(RTS/CTS)
-
源站发RTS帧,目的站回复CTS帧,告知其他站点信道占用时间。
-
仅当数据帧长度超过阈值时使用,避免短帧预约的额外开销。
-
-
三、介质访问控制
3.1 静态划分信道
-
核心思想:预先分配信道资源,避免碰撞,属于物理层的范畴。
-
实现技术:频分复用(FDM)、时分复用(TDM)、码分复用(CDM)、波分复用(WDM)。
-
优缺点
-
优点:无碰撞,适用于稳定、连续的通信场景。
-
缺点:预先分配信道导致灵活性差。
-
-
应用:电话系统、卫星通信、有线电视等。
3.2 随机访问
核心思想:竞争信道使用权,产生碰撞后通过相应机制解决。
1. ALOHA协议
|---------|--------------------|-----------|---------------------------------------------------------------------------------|
| 协议类型 | 工作流程 | 信道利用率 | 核心特点 |
| 纯ALOHA | 随意发送数据,碰撞后等待随机时间重传 | 理论最大18.4% | 完全随机发送,碰撞概率高 |
| 时隙ALOHA | 同步时隙,仅在时隙起点发送数据 | 理论最大36.8% | 碰撞窗口从缩短为
,利用率提升1倍 |
2. CSMA协议
在ALOHA基础上增加载波监听,先监听信道再发送,降低碰撞概率。
|----------|------------------------------------------------------------------------------------------|---------------|--------------------------------------|----------------------|
| 类型 | 监听规则 | 优点 | 缺点 | 应用场景 |
| 非坚持CSMA | 信道忙则等待随机时间后重新监听 | 降低多站同时发送的碰撞概率 | 可能延迟发送 | 高负载、高延迟网络 |
| 1-坚持CSMA | 信道忙则持续监听,空闲立即发送 | 信道利用率高 | 碰撞概率高 | 低负载、低延迟网络(以太网) |
| P-坚持CSMA | 信道空闲则以概率发送,
延迟发送;信道忙则持续监听 | 平衡碰撞概率与延迟 |
值选择困难 | 灵活性需求场景(IEEE 802.11) |
3. CSMA/CD协议
-
核心:在CSMA基础上增加碰撞检测,检测到碰撞立即停止发送并退避。
-
适用:共享式以太网(有线信道)。
3.3 轮询访问(受控访问)
-
核心特点:站点不能随机发送数据,需服从控制,无碰撞。
-
典型案例:IEEE 802.5令牌环网
-
物理/逻辑拓扑:物理星型,逻辑环型(通过多访问单元MSAU连接)。
-
令牌结构:3字节控制帧,含开始定界符、访问控制位(令牌状态位:0=空闲,1=忙)、结束定界符。
-
数据传输流程
-
空闲令牌在环中循环,站点捕获空闲令牌后置为"忙",封装数据帧发送。
-
数据帧沿环传递,目的站匹配地址后复制数据并标记"地址识别""帧复制"位。
-
数据帧返回发送站后,发送站回收并生成新的空闲令牌。
-
-
优先级控制:访问控制位含3位优先级,高优先级站点可抢占低优先级令牌。
-
故障检测与恢复:监控站检测到环中断时,隔离故障段并重建逻辑环。
-
四、广域网(WAN)简介
-
核心特点
-
覆盖范围广(几十千米到全球)。
-
总时延高(多台网络设备转发+长距离传输)。
-
共享基础设施(运营商建设,用户付费使用)。
-
-
运行机制
-
数据链路层:实现相邻节点数据传输(PPP、HDLC、帧中继)。
-
网络层:完成全局路径规划(路由选择、IP寻址)。
-
两层协同构建全球通信骨干网,满足企业专网、因特网需求。
-