(TODO)
1 硬件
想了想最后还是搞了个正点原子的STM32F407。主要是几十块钱一步到位算了,省的后面再折腾来折腾去的。直接这个板子把后面的FPU还有嵌入式AI都跑一下算了。

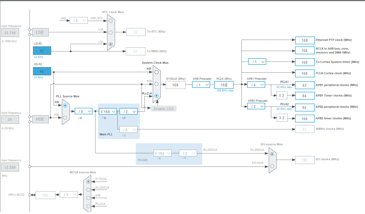
2 时钟
现在发觉STM的时钟配置真的很友好,CubeMX确实挺方便的。


3 定时中断
4 ADC
5 PWM
(TODO)
想了想最后还是搞了个正点原子的STM32F407。主要是几十块钱一步到位算了,省的后面再折腾来折腾去的。直接这个板子把后面的FPU还有嵌入式AI都跑一下算了。

2 时钟
现在发觉STM的时钟配置真的很友好,CubeMX确实挺方便的。


3 定时中断
4 ADC
5 PWM