1、技术理论
1.1电阻定义
导电体中的分子、原子等其他粒子阻碍电荷移动,进而阻碍电流,这种对电流的阻碍作用称为电阻。
电阻越大,阻碍作用越大,电流越小
1.2符号
电路中电阻用符号R表示。
电阻的单位是欧姆,简称欧,常用单位有mΩ、Ω、KΩ、MΩ。
1mΩ=10^(-3)Ω 1kΩ=10^(3)Ω
1.3计算公式
欧姆定律 I=U/R
I-流过导体的电流,单位A
U-导体两端电压,单位V
R-导体的电阻,单位Ω
电阻并联计算

电阻串联

功耗计算

通用电阻特点
最大的特点就是限流:通交流,通直流,过后都衰减。
1.4万用表测试

万用表调节至欧姆档,表笔插头接V/Ω与COM接口,表笔放置在电阻两端进行测量。
注意事项:不要带电测量,测量电路板上的电阻阻值可能会受到其他电路的影响。
2、关键参数
2.1 标称阻值
通常在电阻器上标示的阻值,通常为25℃时,制造商出厂的阻值。
2.1.1阻值识别
贴片电阻标识方法
贴片电阻器的封装与尺寸之间的关系

对于0402及比其封装小的电阻,电阻上无阻值标注

对于0603封装及比其封装大的电阻,电阻的阻值通常以数字形式直接标注在电阻的表面 :
a、3位数标注法

由三个数字组成。通常表示精度±5%,±2%,前面两位是有效数字,第三位数表示科学计数法中10的幂指数,基本单位是Ω。即10*10^3Ω=10KΩ。
b、4位数标注法

由四个数字组成,通常表示精度±1%、0.5%,前面三位是有效数字,第四位表示科学计数法中10的幂指数,基本单位是Ω。即1002=100*10^2Ω=10kΩ
c、字母表示小数点位置

R表示小数点位置的方法是由数字和字母组成,只需要把R换成小数点即可,基本单位是Ω。既R100=0.1Ω
d、 三位乘数代码标注
丝印为两个数字加一个字母的电阻,一般是精密电阻,这种精密贴片电阻是对某一个优先数进行编码,然后通过代码找到其代表的数值,如01C就是10K。
阻值代码表

e、 色环电阻阻值识别
2.2 精度
实际阻值与标称阻值间允许的最大偏差,以百分比表示。通常有±0.5%、±1%、±2%、±5%、±10%、±20%
2.3额定功率
电阻器在额定温度下连续工作所允许耗散的最大功率。
2.4 额定电压
允许长期加在电阻器俩端正常工作的最大电压。25V、50V、75V、150V......
电阻的降额(待补充)
2.5 温度系数
注意在工作温度范围内阻值变化对测量精度的影响
2.6 封装
直插
贴装

3、电阻的分类
3.1按功能特性分类
3.1.1固定电阻器
3.1.1.1薄膜电阻器

碳膜电阻器

金属膜电阻器

合成碳膜电阻器

金属氧化膜电阻器
3.1.1.2厚膜电阻器

玻璃釉膜电阻器
金属玻璃釉膜电阻器
3.1.1.3线绕电阻器

通用线绕电阻器
精密线绕电阻器
大功率线绕电阻器

3.1.2可变电阻器
滑线电阻器

电位器

敏感电阻器

压敏电阻器(varistor)
热敏电阻器(thermistor)
PTC

NTC

光敏电阻器(light dependent resistor)

湿敏电阻器

熔断电阻
3.2贴片电阻分类:
常规系列厚膜贴片电阻器。
高精度高稳定性贴片电阻器。
常规系列薄膜贴片电阻器。
低阻值贴片电阻器。
贴片电阻器阵列。
贴片电流传感器。
4.贴片电阻识别方法
例如:RC0805FR-0710RL


5、原理图符号表示
5.1原理图常用符号
固定电阻

可调电阻

光敏电阻

湿敏电阻

压敏电阻

热敏电阻

6、固定电阻器制造商
中国:风华高科
中国台湾:YAGEO
中国台湾:华新科
中国台湾:厚声
美国:VISHAY
日本:KOA (兴亚)
日本:ROHM(罗姆)
日本:Panasonic松下
七、电路实战
7. 1、串并联电路
电流特性

电压特性

7.2、电阻分压电路

7.3、上下拉电阻
上拉电阻

下拉电阻

7.4、泄放电阻
7.5用于MOS开关电路
7.6、启动电阻

7.7、电阻的限流与降压

电阻器在电路中限制电流的经过,电阻值越大,电流越小。
7.8、电流采样电路

7.9、0欧姆电阻的妙用(0欧姆电阻并非真正的阻值为零)
用于线路之间跨接: 当PCB为单层并且无法绕过走线的时候,可以用0欧跨接。

用作选接电阻

预留调试电路

用作模拟地和数字地的跨接电阻

预留参数调整
7.10、电阻分压计算
7.11、敏感电阻用法
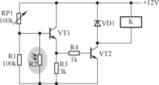
7.11.1 PTC热敏电阻
热敏电阻特性:PTC热敏电阻随环境温度升高而增大
PTC 热敏电阻器电阻率 - 温度特性曲线
应用
利用 PTC 热敏电阻器的特性, 可以构成温度自动控制电路,做成各种恒温器、限流保护元件、温控开关等。

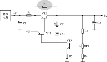
7.11.2 NTC温敏电阻
NTC电阻随环境温度升高而降低
NTC 热敏电阻器阻值 - 温度特性曲线
应用电路

7.11.3 压敏电阻
当加到压敏电阻器两端的电压小于标称额定电压值时,流过压敏电阻器的电流很小,当它两端的电压略高于标称额定电压时,压敏电阻器将迅速击穿导通,流过压敏电阻器的电流迅速增大,并由高阻状态变为低阻状态
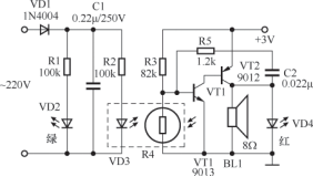
7.11.4光敏电阻
光敏电阻是利用半导体的光电效应制成的一种电阻,阻值可随入射光强的改变而改变,入射光越强,电阻减小,入射光弱,电阻增大
暗电阻。光敏电阻器在室温和全暗条件下测得的稳定电阻值称为暗电阻。
亮电阻。光敏电阻器在室温和一定光照条件下测得的稳定电阻值称为亮电阻
光敏电阻器光电特性

应用电路
光控开关

停电自动报警电路










