目录:
1.静态数码管显示
2.动态数码管显示
1.静态数码管显示



一个数码管:



数字6:供阴极连接

供阳级连接:

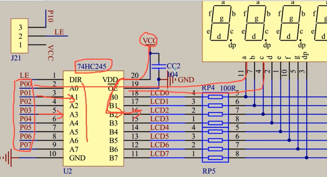
多个数码管:四位一体

显示数字1:

11:


LED1-8接到了138译码器


led是低电平,灯亮,高电平驱动能力落,灯暗
高电平点亮数码管电流小,会很暗,所以加了一个缓冲器,来提高他的驱动能力









显示6:左边给







让第四位显示5:



定义子函数,实现传参显示:那个位置,显示值







2.动态数码管显示







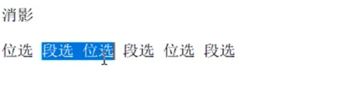
123在跳转显示:




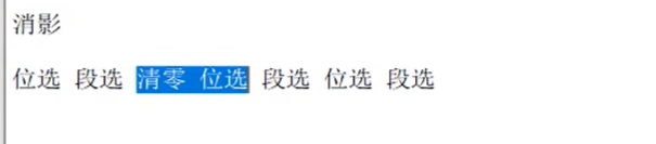
显示123位置有些错乱,需要消影



修改代码
先加个延迟,在清零,立马清零,数码管会比较暗




上面写的代码就是单片机直接扫描数码管,显示多为数据就涉及到数码管的动态扫描,不断地送数据不断的刷新,就属于单片机直接扫描,会消耗cpu时间,一旦程序受到阻塞,没来的级扫描,数码管显示就会有问题闪烁或熄灭
TM1640:专用驱动芯片扫描,单片机通过特定协议告诉tm1640显示什么,他自己会不断地扫描数码管 ,它只需要两根线可以控制16个数码管显示任意数字,它就不会出现不显示,闪烁的问题