一、什么是THD
1、定义
THD(Total Harmonic Distortion,总谐波失真) 是衡量电能质量的关键指标,数值越低,波形越接近正弦波,电能质量越好。
THD是衡量一个信号(尤其是交流电信号)波形畸变程度的核心指标。简单来说,它告诉你一个本应是完美正弦波的信号,实际"长得有多歪"。
以电网为例
理想情况:
电网提供的交流电,理论上应该是纯正的正弦波,频率固定(如50Hz或60Hz)。这个波形的数学描述非常简洁优美。
现实情况:
当非线性负载(如变频器、电脑、LED灯、电弧炉等)接入电网时,它们从电网吸取的电流不再是平滑的正弦波,而会变成畸变的、非正弦的波形。
这个畸变的波形可以看作是由多个不同频率的正弦波"叠加"而成的。
2、谐波:畸变的"成分分析"
根据傅里叶分析,任何一个周期性畸变波形都可以分解为:
基波:频率与原始工频相同的正弦波(如50Hz)。这是我们期望的有用部分。
谐波:频率为基波频率整数倍的正弦波。
2次谐波:100Hz
3次谐波:150Hz
5次谐波:250Hz
7次谐波:350Hz
...以此类推。
畸变波形 = 基波(有用功) + 3次谐波 + 5次谐波 + 7次谐波 + ...
谐波就是导致波形"变歪"的罪魁祸首。
3、THD的定义与计算
THD 定量地描述了 所有谐波成分的总能量 相对于 基波能量 的百分比。
最常用的定义和计算公式如下:
对于电流 (THDᵢ):
THDᵢ = √(I₂² + I₃² + I₄² + ... + Iₙ²) / I₁ × 100%
对于电压 (THDᵥ):
THDᵥ = √(U₂² + U₃² + U₄² + ... + Uₙ²) / U₁ × 100%
式中:
I₁, U₁:基波电流、基波电压的有效值。
I₂, I₃, ..., U₂, U₃, ...:各次谐波电流、电压的有效值。
通俗理解:分子是"所有杂波(谐波)的合力",分母是"主波(基波)的力"。这个比值越大,说明信号越不纯,失真越严重。
4、THD的物理意义与影响
一个高的THD值意味着严重的电能质量问题,会带来一系列危害:
设备过热与损坏:
谐波电流在电缆和变压器中流动,会产生额外的铜损(I²R),导致设备异常发热,降低寿命。特别是3次谐波,会在三相四线制系统的中性线上叠加,可能造成中性线电流过大甚至烧毁。
误动作与故障:
谐波会导致基于电压或电流波形过零点工作的设备(如继电器、电子仪表)出现计时错误和误判,引发误跳闸或测量不准。
谐振与过电压:
电网中的电容(如功率因数补偿电容)和电感(如变压器)可能在某次谐波频率下发生谐振,将该次谐波电流急剧放大,产生危险的过电压和过电流,损坏设备。
降低系统容量与效率:
谐波电流占用了电网的传输容量,但并不做有用功(称为"谐波功率"),从而降低了电网和设备的实际可用容量与运行效率。
对通信系统的干扰:
高频谐波会产生电磁干扰,影响邻近的通信线路或敏感电子设备的正常工作。
5、实例说明
想象一个纯净的蜂鸣声(基波,50Hz)。现在你同时听到:
一个微弱的150Hz声音(3次谐波)
一个更弱的250Hz声音(5次谐波)
所有这些杂音加在一起,改变了你听到的原始蜂鸣声的音色。THD就是衡量这些"杂音"总强度相对于原始"蜂鸣声"强度的指标。
二、线控与斩控
"线控"和"斩控"是两种完全不同的交流功率控制方式,其THD特性有本质区别。以下是详细对比:
1、线控(相位控制)
原理:采用晶闸管(SCR)等半控型器件,通过控制每个工频周期内器件导通起始点(相位角) 来调节输出电压的有效值。俗称"调相"或"相控"。
**波形特点:**输出波形是输入正弦波被"切掉"一部分后的剩余片段。导通角越大,波形缺失越严重。
THD特性:
THD非常高。因为输出波形不是正弦波,含有丰富的低次谐波(如3次、5次、7次)。
**THD随导通角变化:**导通角越小(输出电压越低),波形畸变越严重,THD越高。在深调压时,THD可超过100%。
**输入功率因数低:**相控导致电流滞后,也降低了功率因数。

2、斩控(PWM控制)
**原理:**采用IGBT、MOSFET等全控型器件,以远高于工频的频率(如kHz)将正弦波"斩"成一系列等幅不等宽的脉冲序列(PWM波),通过改变脉冲宽度来调节输出电压的平均值或正弦波的幅值。
**波形特点:**输出是高频PWM波,其基波分量是所需的正弦波。
THD特性:
THD可以做到很低。因为谐波能量主要被推到开关频率及其倍频附近的高频段。
**易于滤波:**只需在输出端加一个很小的LC低通滤波器,就能轻松滤除高频开关谐波,得到THD很低的正弦波(<5%甚至<3%)。
**THD与开关频率相关:**开关频率越高,谐波频率越高,滤波越容易,输出THD越低。
**输入功率因数高:**采用正确的PWM策略(如SPWM)可实现单位功率因数运行。

3、对比结论
在THD和电能质量方面,斩控(PWM)技术相对于线控(相控)技术具有压倒性优势。它通过高频化将谐波推向高频,使得滤波变得简单高效,从而能够输出低THD、高功率因数的优质正弦波。这正是现代电力电子装置(如变频器)广泛采用PWM斩控技术,而逐步淘汰传统相控技术的主要原因。
三、Simulink仿真
1、启动SIMULINK

2、创建工程
选择Simscape中的Specialized Power systems,
创建好的工程会有Continuous Power GUI(默认不做处理)



3、首先了解需要用到的库及组件
①电源AC Voltage Source:220V 50Hz
②晶闸管Thyristor、
③电阻电容电感Series RLC Branch、
④脉冲源Pluse Generator、
⑤万用表Multimeter、
⑥示波器Scope、
⑦MOS管
快捷搜索方法,可在库中左上角直接输入Scope快速搜索调用。








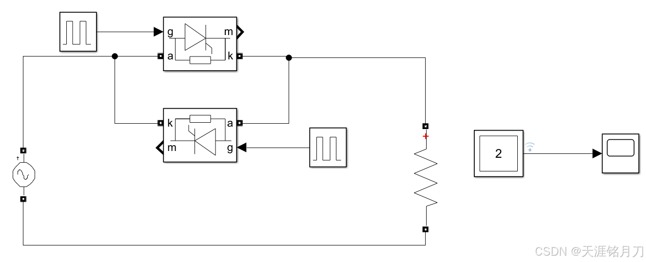
线控仿真搭建
1、按照图片搭建各组件

2、调整各组件参数
①电源AC Voltage Source:220V 50Hz

②RLC支路只选择电阻,阻值可根据仿真需求自行计算,例子的阻值为8Ω。
开启电压和电流测量,开启后示波器中可看到电阻的电压和电流。


③脉冲发生器频率也为50Hz
正半周延迟角为30°:(30/360)*1/50、
占空比为50%:仅在正半周导通、
幅值为1:仅为仿真,可以导通晶闸管即可。
负半周延迟角为30°:((30+180)/360)*1/50
占空比为50%:仅在负半周导通、
幅值为1:仅为仿真,可以导通晶闸管即可。

④、示波器
在示波器中选择电阻的电压和电流

⑤单机元器件后,双击其名称,可进行重命名。

⑥调整仿真步长
选择最大仿真步长为1e-6


3、仿真结果
仿真时间设置为0.1,点击运行即可

根据仿真结果可直,正半轴导通角为30°,负半轴导通角也为30°。


4、FFT分析
①将信号加入分析队列
单击导线,选择【Enable Data Logging】,添加完成后可看到仿真信号线上有信号图标,说明添加成功。


②在Power GUI中进行FFT分析
Availale signals设置
Input默认选择Enable Data Logging后加入的信号,如果有多组,可以单击下拉按钮选择。
Display可以选择信号视窗和FFT视窗:
信号视窗:整个仿真周期所有数据;
FFT视窗:仅截取进行分析的FFT数据;
FFT Settings设置
start time(s):可任意选择,一般选择完整周期的起点或终点;
Nember of cycles:选择分析几个周期的数据;
Fundamental frequency(Hz):交流电源的周期为50Hz;
Max Frequency(Hz):需要分析的最大频率
Max frequency for THD computation:用于计算THD的最大频率,选择Nyquist frequency意味着在THD计算中考虑的最高频率将为采样频率的一半(即尼奎斯特极限)。这样可以确保在谐波分析中不包含混叠效应;也可选择Max Frequency(Hz)。
分析结果为:
50Hz,220V交流电,最大赋值为:220*sqrt(2)=311V。
50Hz下。输出信号赋值为302.2,THD为15.09%.
THD值为15.09%的含义:
表示谐波总能量约为基波能量的15.09%;
在电力系统中,通常希望THD低于5%;
15.09%的THD表明系统存在明显的非线性负载或干扰




斩控仿真
详见下载资源,内涵MATLAB仿真
仅展示仿真结果

