谐波检测瞬时无功功率理论ipiq检测法
在电力系统的复杂世界里,谐波问题一直是让人头疼的存在。谐波不仅会降低电能质量,还可能对各种电气设备造成损害。而瞬时无功功率理论中的 ip - iq 检测法,就如同一位可靠的侦探,能够精准地找出电力系统中的谐波成分。今天咱们就来好好唠唠这神奇的 ip - iq 检测法。
一、瞬时无功功率理论基础
瞬时无功功率理论是由日本学者赤木泰文等人提出的,它基于三相电路的瞬时功率分析,打破了传统功率理论在正弦稳态下的限制,适用于任意波形和不平衡的三相电路。
三相电路瞬时功率
对于三相三线制系统,设三相电压瞬时值为 \(ua\)、\(u b\)、\(uc\),三相电流瞬时值为 \(i a\)、\(ib\)、\(ic\)。瞬时有功功率 \(p\) 和瞬时无功功率 \(q\) 定义如下:
\[
\begin{cases}
p = ua i a + ub i b + uc ic \\
q = \frac{1}{\sqrt{3}}[(ua - u b)ic + (u b - uc)i a + (uc - ua)i_b]
\end{cases}
\]
二、ip - iq 检测法原理
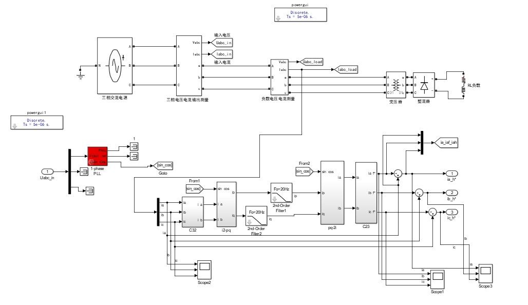
ip - iq 检测法的核心思想是将三相电流通过坐标变换,分解到相互垂直的两个轴上(通常称为 \(\alpha - \beta\) 坐标系),然后在这个坐标系下分离出基波有功电流和其他成分(谐波和无功电流)。
1. 坐标变换
首先进行 Clark 变换,将三相静止坐标系(abc 坐标系)变换到两相静止坐标系(\(\alpha - \beta\) 坐标系)。变换矩阵 \(C_{32}\) 为:
\[
C_{32} = \sqrt{\frac{2}{3}}
\begin{pmatrix}
1 & -\frac{1}{2} & -\frac{1}{2} \\
0 & \frac{\sqrt{3}}{2} & -\frac{\sqrt{3}}{2}
\end{pmatrix}
\]
三相电流 \(\mathbf{i}{abc} = \begin{pmatrix} i a \\ ib \\ ic \end{pmatrix}\) 经过 Clark 变换后得到 \(\alpha - \beta\) 坐标系下的电流 \(\mathbf{i}_{\alpha\beta}\):
\[
\mathbf{i}{\alpha\beta} = C{32} \mathbf{i}_{abc}
\]
\[
\begin{pmatrix} i*{\alpha} \\ i*{\beta} \end{pmatrix} = \sqrt{\frac{2}{3}}
\begin{pmatrix}
1 & -\frac{1}{2} & -\frac{1}{2} \\
0 & \frac{\sqrt{3}}{2} & -\frac{\sqrt{3}}{2}

谐波检测瞬时无功功率理论ipiq检测法
\end{pmatrix}
\begin{pmatrix} ia \\ ib \\ i_c \end{pmatrix}
\]
接着进行 Park 变换,将 \(\alpha - \beta\) 坐标系变换到同步旋转坐标系(\(d - q\) 坐标系)。变换矩阵 \(C_{pq}\) 为:
\[
C_{pq} =
\begin{pmatrix}
\cos\theta & \sin\theta \\
-\sin\theta & \cos\theta
\end{pmatrix}
\]
其中 \(\theta\) 是同步旋转角,一般由锁相环(PLL)获取。\(\alpha - \beta\) 坐标系下的电流 \(\mathbf{i}{\alpha\beta}\) 经过 Park 变换后得到 \(d - q\) 坐标系下的电流 \(\mathbf{i}{dq}\):
\[
\mathbf{i}{dq} = C{pq} \mathbf{i}_{\alpha\beta}
\]
\[
\begin{pmatrix} id \\ iq \end{pmatrix} =
\begin{pmatrix}
\cos\theta & \sin\theta \\
-\sin\theta & \cos\theta
\end{pmatrix}
\begin{pmatrix} i*{\alpha} \\ i*{\beta} \end{pmatrix}
\]
2. 电流分离
在 \(d - q\) 坐标系下,基波有功电流只存在于 \(d\) 轴(假设电压无畸变且三相平衡)。我们可以通过低通滤波器(LPF)提取出 \(d\) 轴电流中的直流分量 \(i_{d0}\),它代表基波有功电流在 \(d\) 轴的分量。

然后通过逆变换,将提取到的基波有功电流分量变换回三相坐标系,从而得到三相基波有功电流。而原三相电流与基波有功电流的差值,就是谐波和无功电流。
三、代码实现与分析
下面以 Python 为例,简单实现一下 ip - iq 检测法的核心部分(这里为了简化,假设已经获取到三相电压和电流数据,并且省略了锁相环部分的实现)。
python
import numpy as np
import matplotlib.pyplot as plt
from scipy.signal import butter, lfilter
# 定义 Clark 变换矩阵
def clark_transform():
return np.sqrt(2 / 3) * np.array([[1, -1 / 2, -1 / 2],
[0, np.sqrt(3) / 2, -np.sqrt(3) / 2]])
# 定义 Park 变换矩阵
def park_transform(theta):
return np.array([[np.cos(theta), np.sin(theta)],
[-np.sin(theta), np.cos(theta)]])
# 设计低通滤波器
def butter_lowpass(cutoff, fs, order=5):
nyq = 0.5 * fs
normal_cutoff = cutoff / nyq
b, a = butter(order, normal_cutoff, btype='low', analog=False)
return b, a
def butter_lowpass_filter(data, cutoff, fs, order=5):
b, a = butter_lowpass(cutoff, fs, order=order)
y = lfilter(b, a, data)
return y
# 假设已经获取到三相电流数据(这里简单模拟)
time = np.linspace(0, 1, 1000)
fs = 1000 # 采样频率
i_a = np.sin(2 * np.pi * 50 * time) + 0.5 * np.sin(2 * np.pi * 150 * time)
i_b = np.sin(2 * np.pi * 50 * (time - 1 / 300)) + 0.5 * np.sin(2 * np.pi * 150 * (time - 1 / 300))
i_c = np.sin(2 * np.pi * 50 * (time - 2 / 300)) + 0.5 * np.sin(2 * np.pi * 150 * (time - 2 / 300))
i_abc = np.vstack((i_a, i_b, i_c))
# Clark 变换
C32 = clark_transform()
i_alpha_beta = C32.dot(i_abc)
# 假设已经获取到同步旋转角(这里简单模拟)
theta = 2 * np.pi * 50 * time
Cpq = park_transform(theta)
i_dq = np.array([Cpq.dot(i_alpha_beta[:, i]) for i in range(len(time))]).T
# 通过低通滤波器提取基波有功电流在 d 轴的分量
cutoff = 10 # 低通滤波器截止频率
i_d0 = butter_lowpass_filter(i_dq[0, :], cutoff, fs)
# 逆 Park 变换
i_alpha_beta_est = np.array([np.linalg.inv(Cpq[:, :, i]).dot(np.array([i_d0[i], 0])) for i in range(len(time))]).T
# 逆 Clark 变换
C23 = np.vstack((np.hstack((1, 0)), np.hstack((-1 / 2, np.sqrt(3) / 2)), np.hstack((-1 / 2, -np.sqrt(3) / 2))))
i_abc_est = C23.dot(i_alpha_beta_est)
# 谐波和无功电流
i_harmonic_reactive = i_abc - i_abc_est
# 绘图
plt.figure(figsize=(12, 8))
plt.subplot(3, 1, 1)
plt.plot(time, i_a, label='Original i_a')
plt.plot(time, i_abc_est[0, :], label='Estimated fundamental i_a')
plt.legend()
plt.title('Phase A Current')
plt.subplot(3, 1, 2)
plt.plot(time, i_b, label='Original i_b')
plt.plot(time, i_abc_est[1, :], label='Estimated fundamental i_b')
plt.legend()
plt.title('Phase B Current')
plt.subplot(3, 1, 3)
plt.plot(time, i_c, label='Original i_c')
plt.plot(time, i_abc_est[2, :], label='Estimated fundamental i_c')
plt.legend()
plt.title('Phase C Current')
plt.tight_layout()
plt.show()
代码分析
- 变换矩阵定义 :
clarktransform**函数定义了 Clark 变换矩阵,parktransform函数根据给定的同步旋转角 \(\theta\) 生成 Park 变换矩阵。 - 低通滤波器设计 :
butterlowpass**和butterlowpass_filter函数使用 Butterworth 滤波器设计并实现了低通滤波器,用于提取基波有功电流在 \(d\) 轴的直流分量。 - 电流变换与提取:通过矩阵乘法依次进行 Clark 变换、Park 变换,将三相电流转换到 \(d - q\) 坐标系。然后利用低通滤波器提取 \(d\) 轴的基波有功电流分量 \(i_{d0}\)。接着通过逆 Park 变换和逆 Clark 变换将基波有功电流分量转换回三相坐标系,得到三相基波有功电流估计值。最后通过原三相电流减去估计的基波有功电流得到谐波和无功电流。
- 绘图展示 :使用
matplotlib库绘制了三相原始电流和估计的基波有功电流,以便直观地观察谐波检测效果。
四、总结
瞬时无功功率理论的 ip - iq 检测法为电力系统中的谐波检测提供了一种有效的手段。通过巧妙的坐标变换和电流分离,能够准确地提取出基波有功电流,进而得到谐波和无功电流。虽然代码实现中做了一些简化,但基本原理都得以体现。在实际应用中,还需要考虑更多的因素,比如锁相环的精确实现、抗干扰措施等。希望通过这篇文章,大家对 ip - iq 检测法有了更深入的理解,能在电力相关的项目中更好地应用它。