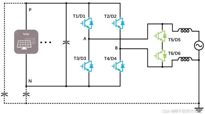
0 Heric电路拓扑

优势:在H4的基础上,增加两个背靠背IGBT支路,当滤波电感续流时,T5和T6提供双向电流通路,从交流侧断开光伏电池板与电网的连接,可控制输出共模电压相对稳定,对漏电流的抑制有意义。
1 工作模态

Heric工作模态如上表,存在4个工作模态,可以看出,在这4个工作模态下,共模电压维持在半bus。
1.1 工作模态1

1.2 工作模态2

1.3 工作模态3

1.4 工作模态4

2 MATLAB仿真
负载电压和电流波形如下:(蓝:负载电压,红:负载电流)

逆变输出的电压波形如下:

漏电流仿真波形如下:
