声明:该项目来源于B站开源项目,侵权删除。全套资源代码放在评论区自取。
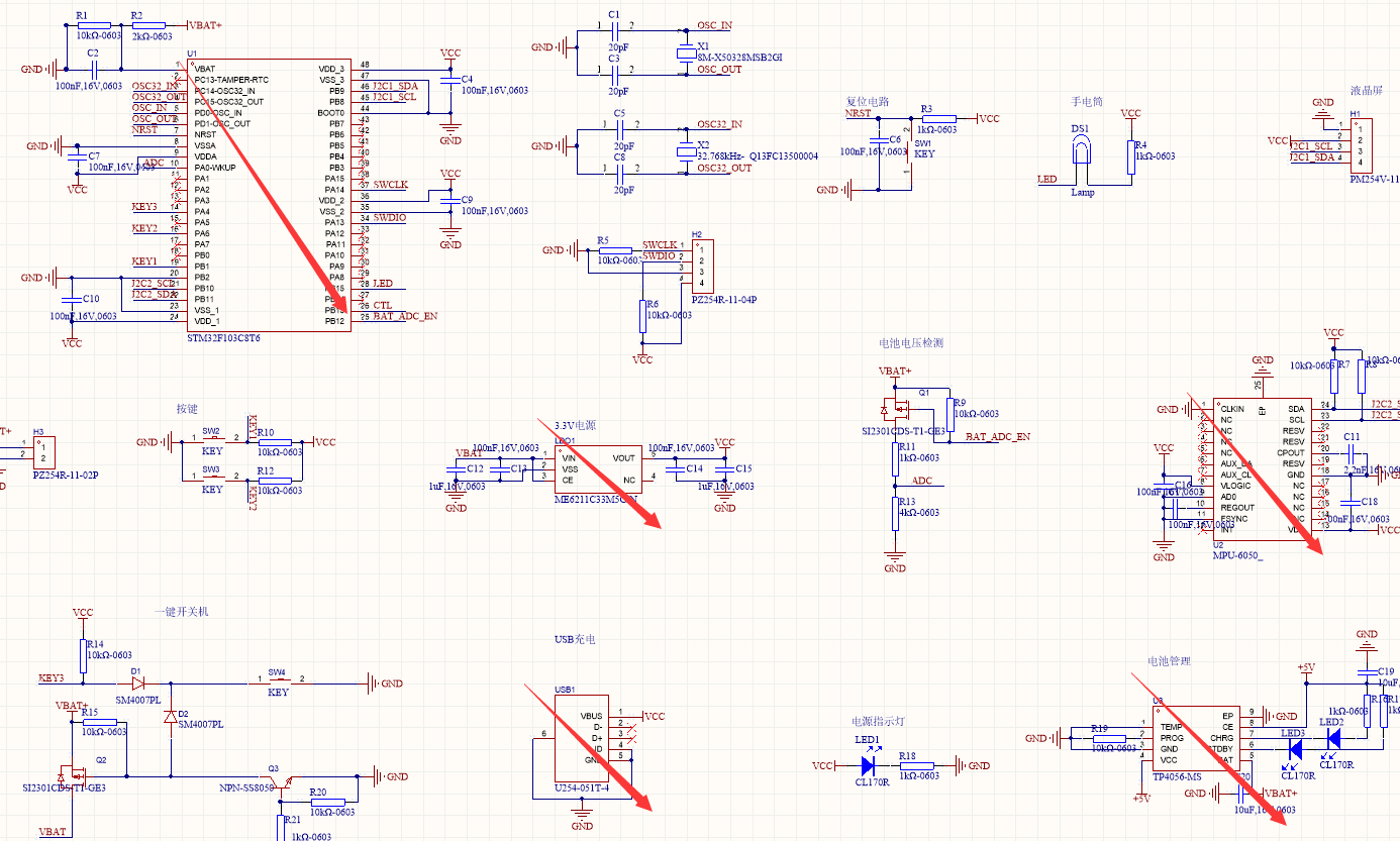
主要元件:STM32F103C8T6、MPU6050、TP4056、1.3寸OLED
功能:显示时间、谷歌小恐龙游戏,计时器、水平仪,LED。
概述一下一下复刻过程:
1.打PCB板
打开文件导入嘉立创EDA,直接嘉立创打板。记得领券,可以免费打板。

2.元器件采购
原理图直接可以把所需要的物料导入到立创下单,总的价格还是挺贵的。我只选了一套的物料就一百多了。多的话可以均摊成本。


3.焊接
焊接纯粹是死功夫了,自己买了锡膏,必须得有风枪或者焊台,有个芯片是QFN封装。

4.调试
烧写程序后,按键K1一直不管用,用万用表量了按键是有电平反转的,反转信号也传到了CPU的引脚,判断是芯片坏了,换了个芯片,按键好了。
姿态芯片6050不起作用,QFN封装还是难焊,管脚有连锡,重新焊以后恢复正常。
5.展示





6.展望
目前计划再加入扬声器、温湿度、喇叭、MIC模块,实现语音控制。
欢迎大家在评论区沟通遇到的问题。有想要帮忙复刻的也可以私信我。
博主自己也画了AD版本的原理图。有需要私信博主。
