每日更新教程,评论区答疑解惑,小白也能变大神!"

目录
[1. 温升控制与热设计](#1. 温升控制与热设计)
[2. 输出纹波抑制与电容选型](#2. 输出纹波抑制与电容选型)
[1. 传导发射设计与输入滤波器](#1. 传导发射设计与输入滤波器)
[2. 浪涌防护设计](#2. 浪涌防护设计)
[原则二:CLASS B规格要求输入端推荐两级滤波电路,且尽量靠近输入端](#原则二:CLASS B规格要求输入端推荐两级滤波电路,且尽量靠近输入端)
第五部分:电源转换芯片(DC-DC/LDO)的EMC与外围设计

电源电路是所有电子设备的心脏,其设计的优劣直接决定了整个系统的稳定性、可靠性以及是否能够顺利通过各项安规与电磁兼容(EMC)认证。在现代电子设计中,电源电路不仅需要满足基础的电压转换与电流输出功能,更需要应对复杂的电磁环境干扰。
本文将以电源电路的功能性设计为基础,深度展开并系统性地梳理电源电路中的电磁兼容(EMC)设计规范,涵盖电源输入、电源输出以及电源转换芯片的各个核心环节。
第一部分:电源电路功能性设计核心要素
在进行复杂的EMC设计之前,电源的基础功能性设计是前提。功能性设计主要围绕两个核心指标展开:温升(Temperature Rise)和纹波(Ripple)。
1. 温升控制与热设计

温升的大小直接关系到电源器件的寿命和系统的安全性。温升主要由两个因素决定:结构散热能力 和电源转换效率。
-
电源转换效率:这是控制温升的根本。在设计时,应合理选择开关频率,优化MOSFET的导通损耗和开关损耗,选用低直流电阻(DCR)的电感。效率越高,转化为热能的功率损耗就越小。
-
结构散热设计:热量产生后,必须有高效的路径散发出去。在PCB布局上,对于发热量大的功率器件(如开关管、二极管、变压器、电感),需要大面积敷铜来辅助散热;对于多层板,可通过密集打过孔(Thermal Vias)将热量传导至内层或背面的大面积地平面。此外,还可以结合外部散热器、导热硅胶垫以及风扇主动散热等结构手段来控制最终的温升。
2. 输出纹波抑制与电容选型
电源输出纹波是评估电源质量的重要参数,过大的纹波会干扰后级模拟电路的精度,甚至导致数字逻辑电路误翻转。除了在电路拓扑上采用输出滤波(如LC滤波器、π型滤波器)外,输出滤波电容的选取极其关键。
-
大电容的选择(低ESR):大容量电容主要用于平滑低频纹波和提供瞬态大电流。在选择大电容(如铝电解电容、钽电容或高分子聚合物电容)时,必须重点关注其等效串联电阻(ESR)。因为纹波电流流过电容的ESR时会产生电压降,这就是输出纹波的重要组成部分。因此,必须采用低ESR的电容以最小化这部分纹波电压。
-
小电容的组合(0.1μF与1000pF并联):由于任何实际电容都存在等效串联电感(ESL),导致其在高频时表现出电感特性,失去滤波效果。为了滤除高频开关噪声,通常需要并联不同容值的小电容。0.1μF(100nF)电容通常用于滤除数十兆赫兹(MHz)频段的噪声,而1000pF(1nF)电容则具有更高的谐振频率,能够有效吸收百兆赫兹(VHF频段)以上的高频尖峰干扰。两者共用,可以大大拓宽滤波电路的有效带宽。
第二部分:电源电路电磁兼容(EMC)设计总览
在电源电路设计中,电磁兼容(EMC)设计是决定产品能否走向市场的关键设计。电源系统的EMC主要面临两大挑战:传导发射(Conducted Emission, CE)和浪涌(Surge)。
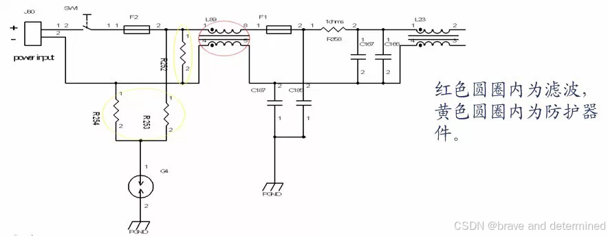
1. 传导发射设计与输入滤波器

传导发射是指电源内部的开关噪声通过电源线反向传输到电网中,干扰其他设备。通常采用输入滤波器的方式进行抑制。 外部采购的成品滤波器或自行设计的滤波电路,其内部通常包含以下关键器件:
-
X电容(Cx1, Cx2) :跨接在火线(L)和零线(N)之间,专门用于消除差模干扰。当差模干扰较大,无法满足测试标准时,可以通过增大X电容的容值来进行抑制。X电容属于安规电容,即使失效也不会导致电击危险。
-
Y电容(Cy1, Cy2) :跨接在火线/零线与地(PE)之间,成对使用,专门用于消除共模干扰。当共模干扰严重时,可适当增加其容值。
-
设计避坑指南 :如果工程师自行设计PCB级别的滤波电路,必须注意:Y电容不可设计在滤波电路的最输入端(即紧贴插座处),也不可以在滤波共模电感的双端都加上Y电容。这不仅可能削弱共模电感的滤波效果,还可能带来安规上的漏电流超标问题。
2. 浪涌防护设计
浪涌通常由雷击或电网中大型负载的开关引起,具有瞬间高压、高能量的破坏性特点。浪涌设计一般以**压敏电阻(MOV)**为核心。
-
差模浪涌防护:发生在L线与N线之间。压敏电阻的选型主要根据电源输入的标称交流或直流耐压来决定,通常需要留出足够的余量(如220V交流电通常选用471或511的压敏电阻)。
-
共模浪涌防护:发生在L/N线与地(PE)之间。这里的防护器件选择需要综合考虑电源输入耐压和产品的安规耐压测试(如打高压测试)要求,避免在正常耐压测试时防护器件误动作或损坏。
-
高能量浪涌的组合防护 :当产品面临极高的浪涌能量测试(如防雷击要求较高的户外设备)时,单一的压敏电阻可能无法承受或容易老化。此时,应考虑采用压敏电阻(或瞬态电压抑制二极管TVS)与陶瓷气体放电管(GDT)串联或并联的组合设计。放电管负责泄放超大电流,压敏电阻/TVS负责精准钳位电压,两者配合达到最优防护效果。
第三部分:电源输入部分的EMC设计规范
电源输入端是设备与外部电网连接的桥梁,也是外部干扰进入和内部噪声泄露的必经之路。设计时必须遵循以下三大核心原则:
原则一:先防护,后滤波

在PCB布局和电路原理设计上,信号或电源流向必须是先经过防护器件,再经过滤波器件。
-
原因深度解析:
-
保护滤波器件:第一级防护器件(如保险丝、压敏电阻、放电管)必须放置在滤波器件(如共模电感、X/Y电容)之前。在进行浪涌、防雷等抗扰度测试时,防护器件能将大部分瞬间高压高能量泄放掉。如果滤波器件在前,高压可能会直接击穿滤波电容或导致共模电感内部飞弧损坏,甚至导致滤波参数永久偏离。
-
二级防护布局:如果有第二级保护器件(如TVS),可以放在滤波器件的后面,形成"粗保护+退耦隔离+细保护"的经典架构。
-
空间与布局考量:在选择防护器件时,应评估其物理尺寸(个头不要太大)。如果器件过大,会导致PCB布局困难,使得滤波器件被迫放置在距离输入接口较远的位置,这会使输入引线过长,引线本身就成了收发天线,导致滤波效果大打折扣。
-
原则二:CLASS B规格要求输入端推荐两级滤波电路,且尽量靠近输入端
不同的产品有着不同的EMC测试等级。工业类产品通常适用CLASS A标准,而民用、商用及轻工业类产品则必须满足更严格的CLASS B标准。
-
原因深度解析:
-
限值差异:CLASS B的传导和辐射限值要求比CLASS A要求严格得多(通常小10dB,在对数尺度上相当于能量小了3倍以上)。
-
两级滤波的必要性:为了跨越这10dB的鸿沟,单级滤波(即仅包含一级共模电感的滤波电路)往往力不从心。因此,对于CLASS B规格,强烈推荐采用两级滤波电路(即包含两级共模电感和相应电容的复杂网络)。
-
位置要求 :无论是几级滤波,滤波器必须尽可能靠近电源输入连接器放置,避免干扰信号在到达滤波器之前,已经通过空间耦合(串扰)到了系统内部的干净电路上。
-
原则三:输入滤波前后无旁路,采样电路需独立隔离

在电源输入端滤波电路前,以及滤波网络内部,绝对不允许存在任何采样电路或其它分叉供电电路。
-
原因深度解析:
-
破坏滤波完整性:电源采样电路(如电压检测、过零检测等)如果直接从滤波前或滤波器中间引出,这些走线会将外部的高频干扰直接引入内部控制电路,或者将内部的开关噪声通过这些走线绕过滤波器直接传导到电网上。
-
正确做法:普通的电源采样电路应当统一从滤波电路之后、经过净化的节点上提取。
-
高精度采样补偿方案 :如果系统设计要求极高的电路精度,必须从电源最前端(输入口)进行实时采样以消除线损影响时,那么这根长长的采样线就成了一个巨大的干扰引入源。此时,必须在采样电路的输入端额外增加一套足够强度的独立滤波电路 (如RC低通滤波器加差模共模电感),以确保采样信号纯净且不会成为噪声通道。

-
第四部分:电源输出部分的EMC设计规范

电源转换完成后的输出端,同样是系统EMC控制的关键节点。内部电源模块的高频噪声如果不加控制,会通过输出线缆或长走线污染整个单板。
原则一:电源模块输出必须具备滤波措施

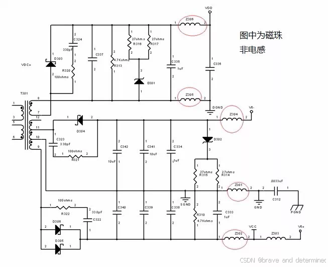
无论是隔离型还是非隔离型电源模块,其输出端一定要求有实质性的滤波措施,推荐使用共模电感、差模电感或贴片磁珠。
-
原因深度解析:
-
阻断噪声传播路径:开关电源在工作时,功率管的高速开通和关断会产生极高的dv/dt和di/dt,这些高频噪声会以共模或差模的形式出现在输出端。使用共模电感进行滤波,可以有效防止开关电源的共模噪声串扰到整个单板的电源网络和地平面上。
-
磁珠的高频耗散:在输出端使用贴片磁珠也是一种优秀的滤波手段。磁珠在低频时表现为低阻抗,不影响直流电能的传输;而在高频段表现为高电阻特性,能够将高频开关噪声直接转化为热能消耗掉,防止其污染整个单板网络。
-
输出端Y电容的权衡:在电源输出端到大地之间设计Y电容时需要极其谨慎的斟酌。只有当结构上存在螺钉孔,能够确保Y电容的接地端可以通过螺钉**就近以极低阻抗连接到金属机壳(大地)**时,才可以考虑增加此Y电容,以提供高频共模噪声的泄放回流路径。如果不具备就近接地的物理条件,引线过长的Y电容不仅起不到滤波作用,反而会成为辐射天线,此时坚决不用。
-
原则二:长距离电源走线必须预留分布式电容组
在大型PCB系统设计中,经常遇到长距离电源走线的情况。走线越长,寄生电感越大,电源的瞬态响应就越差。
-
规范要求 :长距离电源走线必须考虑预留足够的电容组(如10μF配合0.1μF,或1μF配合0.01μF的高低频组合)。在PCB布局上,应考虑每间隔一定的距离(例如每隔7至8厘米左右)放置一对这样的组合电容。
-
原因深度解析 : 当一个核心电源模块需要为板上多个分布广泛的区域供电时(例如:提供给通讯接口的隔离电源与地、提供给传感器供电的12V/24V电源与地、提供给继电器驱动阵列的12V电源与地),不可避免地会产生长距离的走线。 长距离走线本身带有不可忽视的寄生电感(通常每厘米走线约有10nH的电感)。当后级负载发生瞬态电流变化时,由于长线电感的阻碍,电流无法瞬间提供,会导致电源轨道上出现严重的电压跌落和振铃噪声。为了使整个单板上电源与地之间的交流阻抗最小化 ,并且保证高频高瞬态电流的回流面积(回路)最小,必须在走线沿途每隔一定距离增加一对高低频电容。这相当于在供电路径上设立了多个"微型蓄水池",就近为负载提供高频能量,极大改善了长线传输导致的系统级EMC问题和电源完整性(PI)问题。
第五部分:电源转换芯片(DC-DC/LDO)的EMC与外围设计

在板级电源分配网络中,各类DC-DC开关转换芯片和LDO线性稳压芯片是最常见的核心器件。针对这些芯片本身的周边EMC设计同样不容忽视。
核心规范与设计指导
-
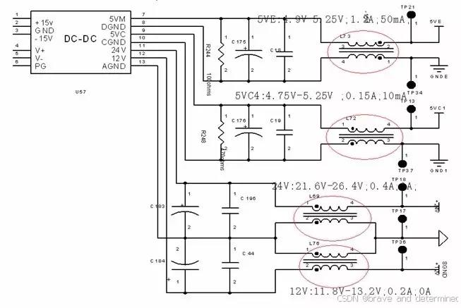
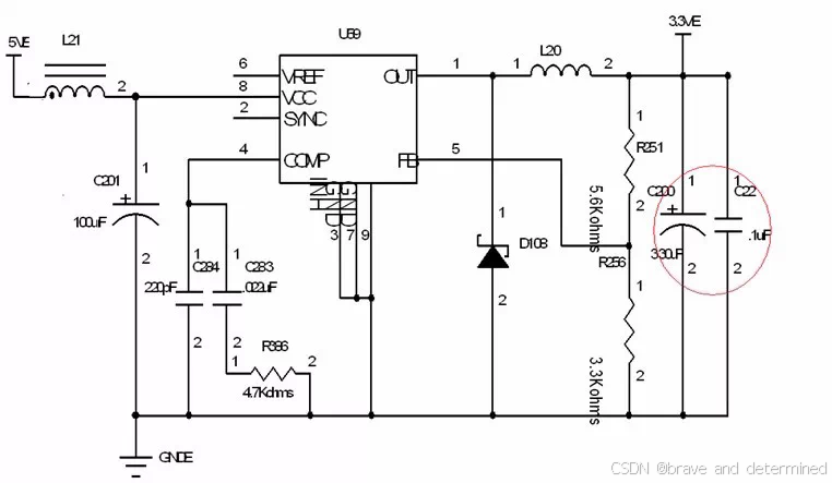
输入输出端的电容配置 : 任何电源转换芯片的输入和输出端,都必须并联BULK电容(储能大电容)和去耦电容(高频小电容)。
-
BULK电容的作用:保证芯片在面对负载突变时,输入端电压不会被瞬间拉低(稳压),同时平滑输出端的大纹波。
-
去耦电容的作用:芯片在内部高速开关切换时,需要极短时间内的瞬间电荷补充。去耦电容必须紧紧贴靠芯片的VCC/VIN和GND引脚放置,提供最低电感的高频电荷回路,从而抑制芯片本身产生的向外辐射的高频干扰。
-
-
电容容值的科学确定 : 电容的具体容值绝不能凭空猜测。首要原则是依据所选芯片的官方数据手册(Datasheet)中的推荐值进行设计,因为芯片原厂在发布前已做过大量匹配测试。在没有明确指导或特殊应用场景下,应当依据后级负载的最大驱动能力、电流摆率(di/dt)以及允许的电压跌落幅度来进行理论估算。
-
开关转换芯片输出的二次滤波 : 对于DC-DC开关转换芯片(如Buck、Boost拓扑),由于其输出必然带有与开关频率同频的纹波及高次谐波,如果在对噪声敏感的模拟电路或射频电路前级使用此类芯片,仅仅依靠电容滤波往往不够。在芯片输出端应当考虑串联高频贴片磁珠,结合电容组成LC(或RC等效)滤波网络,这能将高频毛刺进行极其有效的二次衰减,保障后级纯净的供电环境。
总结
优秀的电源电路设计绝不仅仅是能输出正确的电压和电流这么简单,它是温升热设计 、系统高频阻抗控制 以及电磁场能量疏导的综合体现。
从输入端的"先防护后两级滤波"到严格避免采样线分支,从输出端的共模差模电感扼流到长距离走线的分布式电容阵列,再到转换芯片本体的储能与去耦设计,每一个细节都直接影响着系统整体的EMC性能。在实际研发中,工程师应当在原理图设计之初就将这些EMC规范融入其中,并在PCB Layout阶段严格执行物理位置、走线路径和铺铜面积的控制。只有将"功能设计"与"EMC设计"并行考量,才能打造出高可靠、低噪声且能顺利通过各项严苛认证的优秀电源系统。